|
|
|
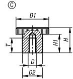
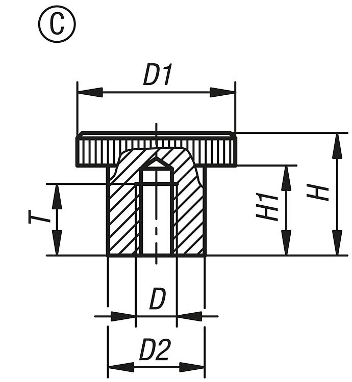
06097_CKnurled knobs, Form C, with tapped blind hole |
go back |
|
Item description/product images |
|
|
DescriptionMaterial:Black thermoset PF 31Special features: DownloadHere is all the information as a PDF datasheet:
Are you looking for CAD data? These can be found directly in the product table.
|
| Order No. | Form | Component material | D | D1 | D2 | H | H1 | T | CAD | Acc. | Price | Order |
|---|
| 06097-102206 | C | plastic | M6 | 22 | 12 | 13 | 6 | 7,5 |  | | on request | | | 06097-102606 | C | plastic | M6 | 26 | 17 | 20 | 14 | 9 |  | | on request | |
Other items in this category |
|
|