norelem uses cookies to optimally design and continually improve the website. By continuing to use this website, you agree to the use of cookies. You can find more information about cookies in our Data protection declaration.okay
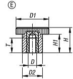
Knurled knobs, Form E, with tapped bush
06097_E

Knurled knobs, Form E, with tapped bush

go back

Item description/product images

DescriptionMaterial:Thermoset PF 31, black.
Tapped bush, steel or brass.
Version:Tapped bush, electro zinc-plated or bright brass.Special features:
RoHS
DownloadHere is all the information as a PDF datasheet:

Are you looking for CAD data? These can be found directly in the product table.
 Datasheet 06097_E Knurled knobs, Form E, with tapped bush 171 kB

Drawings

Knurled knobs, Form E, with tapped bush

Item selection/filter

Order No.FormComponent
material
D

D1D2HH1TCADAcc.PriceOrder
06097-212205EbrassM522121366 on request
06097-202606EsteelM62617201410 on request
06097-202608EsteelM82617201412 on request
My norelemE-mailPassword
Shopping cart
Number of items: 0
Amount: 0.00  
shopping cart
欢迎扫描二维码
咨询诺瑞朗官方客服微信
China
苏ICP备20011289号-1  苏公网安备32058502011222 Sitemap Print Recommended Top
Copyright © 2025 norelem. All rights reserved. Tel. +49 71 45/206-44 to 45 · Fax +49 71 45/206-83