norelem uses cookies to optimally design and continually improve the website. By continuing to use this website, you agree to the use of cookies. You can find more information about cookies in our Data protection declaration.okay
Wing grips "Miniwing", plastic, metal detectable
06652

Wing grips "Miniwing", plastic, metal detectable

go back

Item description/product images

Show/filter all items
DescriptionProduct description:The metal detectable operating parts are made from a EU10/2011 and FDA conform plastic granulate.
Due to special additives to the plastic granulate, it is possible for metal detectors (induction technology) to detect plastic particles from a size of 0.027 cm³ (3x3x3 mm). This means that in sensitive production sectors, e.g. foodstuff processing, plastic fragments of metal detectable operating parts can be identified and the risk of production downtimes or complaints are significantly reduced.
Material:

Thermoplastic (fibreglass reinforced polyamide), metal detectable, EU10/2011 and FDA conform.
Steel parts stainless steel 1.4404.

Version:Thermoplastic black-grey RAL 7021.
Steel parts bright stainless steel.
Note:The metal detectable additive can lead to partial colour variations in the plastic surface.Application:- Foodstuff industry
- Pharmaceutical industry
- Packaging industry
Temperature range:-20°C to +100°C.Advantages:Metal detectable.
Detections volume ≥ 0.027 cm³.
Foodstuff conform material.
Special features:
Stainless steel RoHS
DownloadHere is all the information as a PDF datasheet:

Are you looking for CAD data? These can be found directly in the product table.
 Datasheet 06652 Wing grips "Miniwing", plastic, metal detectable 187 kB

Drawings (total overview)

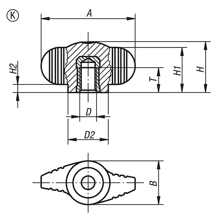
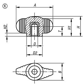
Wing grips "Miniwing", plastic, metal detectable

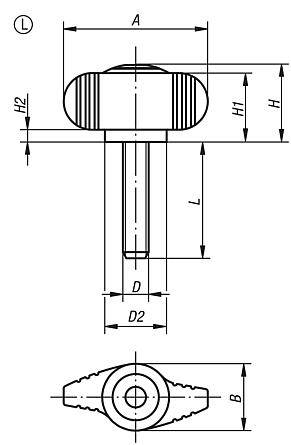
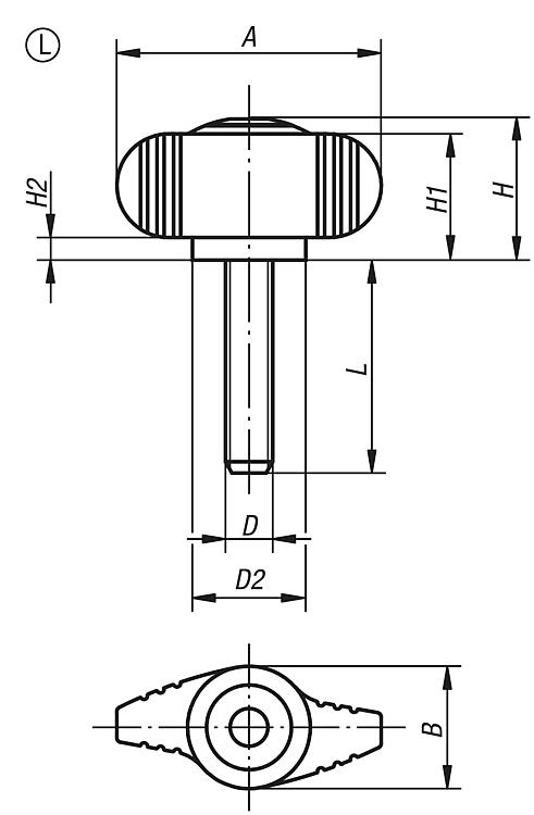
Wing grips "Miniwing", plastic, metal detectable with internal thread

More information

Drawings

Wing grips "Miniwing", plastic, metal detectable with internal thread

Item selection/filter

Order No.FormABD

D2HH1H2TCADAcc.PriceOrder
06652-140005K2813M5121513,32,38 on request
06652-140006K2813M6121513,32,38 on request

Wing grips "Miniwing", plastic, metal detectable with external thread

More information

Drawings

Wing grips "Miniwing", plastic, metal detectable with external thread

Item selection/filter

Order No.FormABD

D2HH1H2LCADAcc.PriceOrder
06652-140005X20L2813M5121513,32,320 on request
06652-140006X20L2813M6121513,32,320 on request
My norelemE-mailPassword
Shopping cart
Number of items: 0
Amount: 0.00  
shopping cart
欢迎扫描二维码
咨询诺瑞朗官方客服微信
China
苏ICP备20011289号-1  苏公网安备32058502011222 Sitemap Print Recommended Top
Copyright © 2025 norelem. All rights reserved. Tel. +49 71 45/206-44 to 45 · Fax +49 71 45/206-83