|
|
|
21922Position indicators, freely programmable, hollow shaft Ø 30 H7 |
go back |
|
Item description/product images |
|
|
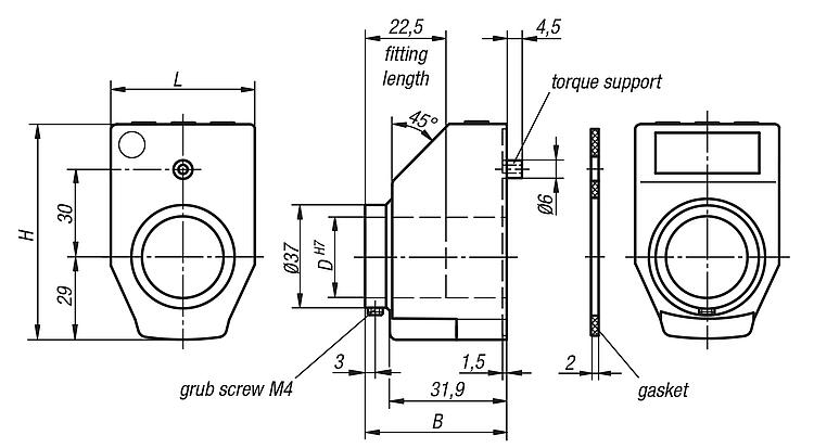
DescriptionMaterial:Housing plastic. Hollow shaft steel. Screen LCD display. Grub screw steel.Version:Hollow shaft black oxidised. Grub screw black.Note:The electronic position indicators offer diverse opportunities compared to mechanical position indicators because they display angles as well as uncommon spindle pitches and record each fraction of spindle movement.
* Freely programmable parameters using the programming software 21922-09.Technical data:– LCD Display with 5 digits – Digit size approx. 11.5 mm – Display range from -19999 ... 99999 – Tunular shaft Ø 30 H7 mm – Operating temperature -10 °C to +60 °C – Storage temperature -30 °C to +80 °C – Revolution max. 600 rpm – Lithium battery Button cell 3V, type CR 2032. service life approx. 2 years – Vibration-resistance according to DIN IEC 68-2-6 10 g / (5 ... 150 Hz), 20 g / (100 ... 2000 Hz) – Shock-resistance according to DIN IEC 68-2-27 30 g / 15 ms – EMC DIN EN 61000-4-2; DIN EN 61000-4-4 – Type of protection IP 51Features:– indicated value and decimal point freely programmable – linear or angle mode – function key for zero-point position – function key for switching between the absolute dimension and chain dimension – programming of an offset value directly at the device – easy battery changeAccessory:– Reducing bushes 21940 – Programming software 21922-09 DownloadHere is all the information as a PDF datasheet:
Are you looking for CAD data? These can be found directly in the product table.
|
Drawings (total overview) |
Order No. | Version 1 | Version 2 | B | D | H | L | CAD | Acc. | Price | Order |
|---|
| 21922- | digital | programmed | 38,8 | 30 | 71 | 48 | |  | on request | |
|
|
| Order No. | Item | CAD | Acc. | Price | Order |
|---|
| 21922-09 | USB connection cable |  | | on request | |
|
Other items in this category |
|
|