norelem 使用 Cookies 以优化设计和持续改进网页。您通过继续使用网页,同意使用 Cookies。在我们的数据保护声明中可以找到有关 Cookies 主题的详细信息。同意

商品描述/产品说明

产品说明材料:

钢制 1.7225.
不锈钢 1.4305.

规格:钢制,经蓝色钝化处理。
亮色不锈钢。
提示:球面校正垫圈可用于固定倾斜在4°以内的倾斜工件,如果倾斜位置 D3>1°,建议再安装一个球面校正垫圈与之配合。
垫圈上下两片不可拆卸。
特点:
RoHS
下载此处为收集信息的 PDF:

查找 CAD 数据?请直接在产品列表中查找。
 Datasheet 07460 球面校正垫圈 226 kB

图纸

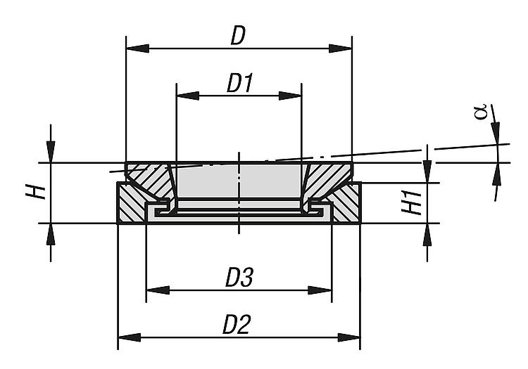
球面校正垫圈

商品选择/筛选

订货号主体
材料
HH1D

D1D2D3αCAD配件价格订购
07460-151钢制85,5238,52515 根据要求
07460-152不锈钢85,5238,52515 根据要求
07460-201钢制106,230133220 根据要求
07460-202不锈钢106,230133220 根据要求
07460-301钢制12,5940204530 根据要求
07460-302不锈钢12,5940204530 根据要求
07460-401钢制161352295838 根据要求
07460-402不锈钢161352295838 根据要求
07460-501钢制201465367048 根据要求
07460-502不锈钢201465367048 根据要求
07460-601钢制201475448061 根据要求
07460-602不锈钢201475448061 根据要求
我的 norelemE-Mail密码
购物车
商品数量: 0
总数: 0.00  
点击购物车
欢迎扫描二维码
咨询诺瑞朗官方客服微信
中国
苏ICP备20011289号-1  苏公网安备32058502011222 网页地图 打印 推荐 Top
Copyright © 2025 norelem. 保留所有权利。 电话 +49 71 45/206-44 至 45 · 传真 +49 71 45/206-83