norelem uses cookies to optimally design and continually improve the website. By continuing to use this website, you agree to the use of cookies. You can find more information about cookies in our Data protection declaration.okay
5 Axis clamping system for grid plates
41000

5 Axis clamping system for grid plates

go back

Item description/product images

DescriptionMaterial:Base plates and jaws low-carbon steel.
Seating ledges steel.
Jaw plates special steel.
Clamping pins tool steel.
Version:Base plates and jaws black oxidised.
Seating ledges hardened, bright.
Jaw plates bright.
Clamping pins hardened, bright.
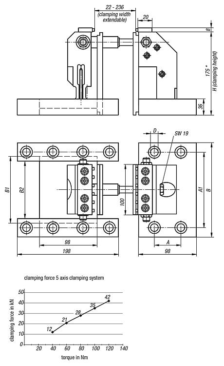
Note:5 axis clamping system for mounting on grid plates.
The clamping system enables 5-sided machining free of interfering edges with a clamping depth of only 8 mm. With this clamping system, clamping widths of 22 - 236 mm are possible, and can be extended as desired using the optionally available 41065 extension shafts.
By installing a tension spindle immediately under the workpiece support, a force of up to 42 kN is applied to the workpiece; this is not lost due to bending. The use of clamping pins with a 4 mm cup point allows positive-fit clamping without pre-embossing.
To fasten the clamping system on grid hole plates, 07533 locating bolts are recommended.
The clamping set includes 1 each extension shaft with L = 60 mm and L = 120 mm.

* The clamping height can be extended with the height adapters 41020 and support guides 41030.
Accessory:Stop set 41070
Locating bolts 07533
Special features:
RoHS
DownloadHere is all the information as a PDF datasheet:

Are you looking for CAD data? These can be found directly in the product table.
 Datasheet 41000 5 Axis clamping system for grid plates 210 kB
 OPERATING INSTRUCTIONS 5-AXIS CLAMPING SYSTEM 1,3 MB

Drawings

5 Axis clamping system for grid plates

Item selection/filter

Order No.

Grid spacingAA1BB1B2DHClamping
force
max. kN
weight
kg
CADAcc.PriceOrder
41000-401217540x40 (M12)4016019014812412175 *4225.095  on request
41000-501217550x50 (M12)5015019013811412175 *4225.75  on request
41000-501617550x50 (M16)5015019013411016175 *4225.265  on request
My norelemE-mailPassword
Shopping cart
Number of items: 0
Amount: 0.00  
shopping cart
欢迎扫描二维码
咨询诺瑞朗官方客服微信
5-axis clamping system
The 5-axis clamping system allows you to keep hold of the workpiece while maintaining maximum accessibility
China
苏ICP备20011289号-1  苏公网安备32058502011222 Sitemap Print Recommended Top
Copyright © 2025 norelem. All rights reserved. Tel. +49 71 45/206-44 to 45 · Fax +49 71 45/206-83