|
|
|
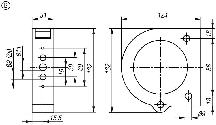
80855-21Brackets for adapters |
go back |
|
Item description/product images |
|
|
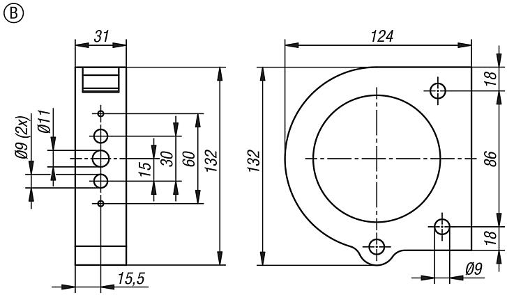
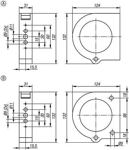
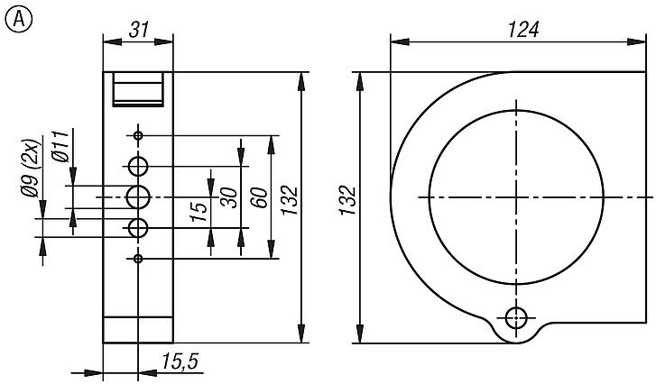
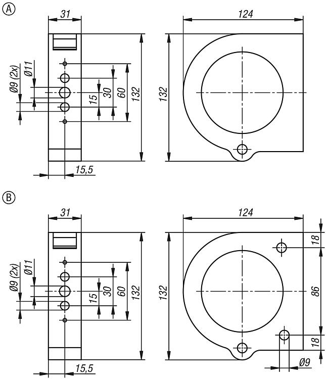
DescriptionMaterial:Polyamide PA6.Version:black.Note:The clamping brackets are used together with adapters 80855-20. They are used to clamp and fixate the adapter. The adapter is still able to be rotated and tilted in the clamping bracket.Temperature range:-45 °C to +105 °C (briefly up to +150 °C).Accessory:Adapter 80855-20.Special features: DownloadHere is all the information as a PDF datasheet:
Are you looking for CAD data? These can be found directly in the product table.
|
Drawings (total overview) |
Order No. | Form | Form definition | Nominal size | CAD | Acc. | Price | Order |
|---|
| 80855-21-07011 | A | standard | 70 |  | | on request | |
|
Order No. | Form | Form definition | Nominal size | CAD | Acc. | Price | Order |
|---|
| 80855-21-07021 | B | front fastening | 70 |  | | on request | |
|
Other items in this category |
|
|