norelem uses cookies to optimally design and continually improve the website. By continuing to use this website, you agree to the use of cookies. You can find more information about cookies in our Data protection declaration.okay
Inductive proximity switches rectangular housing
83000-05

Inductive proximity switches rectangular housing

go back

Item description/product images

Show/filter all items
DescriptionMaterial:Housing Form A plastic.
Housing Form B die-cast zinc alloy. Active face POM.
Housing Form C high-alloy stainless steel
Version:Voltage: U = 10 – 30 V DC
Function: Normally open
Switch type: PNP
Mounting type: flush
Security type: IP 67
Note:Non-contact, functions wear-free with high switching frequency and accuracy. Non-sensitive to vibrations, dust and moisture. Inductive sensors record all metals without contact.

Form C enables screw fastening in a T-slot. Is safe and saves space as the proximity switch lays flush in the slot.

Short-circuit proof and reverse-polarity protected.
Temperature range:-25 °C to +70 °CSafety:This product is not suited as a sensor for the personal protection.Drawing reference:
1) LED-indicator

BN = brown
BK = black
BU = blue
Special features:
RoHS
DownloadHere is all the information as a PDF datasheet:

Are you looking for CAD data? These can be found directly in the product table.
 Datasheet 83000-05 Inductive proximity switches rectangular housing 189 kB

Drawings (total overview)

Inductive proximity switches rectangular housing

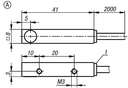
Inductive proximity switches, Form A

More information

Drawings

Inductive proximity switches, Form A

Item selection/filter

Order No.

Form

Switching
distance
Sn (mm)
Current I
max. (mA)
Switching
frequency f
(Hz)
Connection
type
No. of conductors
x conductor
cross-section
CADAcc.PriceOrder
83000-05-005A21001500PUR cable3 x 0,14 mm² on request

Inductive proximity switches, Form B

More information

Drawings

Inductive proximity switches, Form B

Item selection/filter

Order No.

Form

Switching
distance
Sn (mm)
Current I
max. (mA)
Switching
frequency f
(Hz)
Connection
type
No. of conductors
x conductor
cross-section
CADAcc.PriceOrder
83000-05-010B1,52005000connector 3-pin- on request

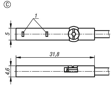
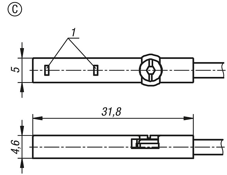
Inductive proximity switches, Form C

More information

Drawings

Inductive proximity switches, Form C

Item selection/filter

Order No.

Form

Switching
distance
Sn (mm)
Current I
max. (mA)
Switching
frequency f
(Hz)
Connection
type
No. of conductors
x conductor
cross-section
CADAcc.PriceOrder
83000-05-015C1,51504500TPE-U(PU) cable3 x 0,14 mm² on request
My norelemE-mailPassword
Shopping cart
Number of items: 0
Amount: 0.00  
shopping cart
欢迎扫描二维码
咨询诺瑞朗官方客服微信
China
苏ICP备20011289号-1  苏公网安备32058502011222 Sitemap Print Recommended Top
Copyright © 2025 norelem. All rights reserved. Tel. +49 71 45/206-44 to 45 · Fax +49 71 45/206-83