norelem uses cookies to optimally design and continually improve the website. By continuing to use this website, you agree to the use of cookies. You can find more information about cookies in our Data protection declaration.okay
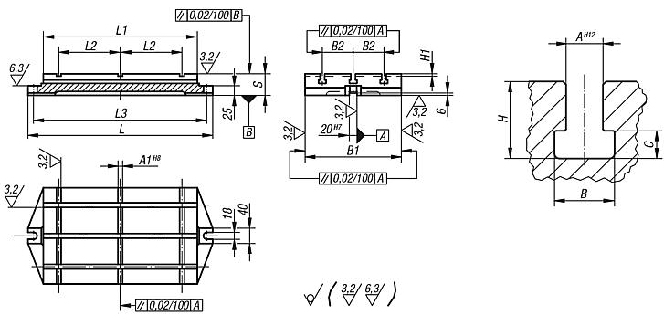
Base plate with T-slots grey cast iron
01040

Base plate with T-slots grey cast iron

go back

Item description/product images

DescriptionMaterial:GJL 250 annealed.Special features:
RoHS
DownloadHere is all the information as a PDF datasheet:

Are you looking for CAD data? These can be found directly in the product table.
 Datasheet 01040 Base plate with T-slots grey cast iron 201 kB

Drawings

Base plate with T-slots grey cast iron

Item selection/filter

Order No.LL1L2L3B1B2H1SA1AB

CHCADAcc.PriceOrder
01040-01280200702501254045061016,5721 on request
01040-023302501003001605045081016,5721 on request
01040-0339531512536520063456101219,5825 on request
01040-0448040016045025080656121219,5825 on request
01040-05580500220550315100663141423928 on request
01040-06710630280680400125663181423928 on request
My norelemE-mailPassword
Shopping cart
Number of items: 0
Amount: 0.00  
shopping cart
欢迎扫描二维码
咨询诺瑞朗官方客服微信
China
苏ICP备20011289号-1  苏公网安备32058502011222 Sitemap Print Recommended Top
Copyright © 2025 norelem. All rights reserved. Tel. +49 71 45/206-44 to 45 · Fax +49 71 45/206-83