norelem uses cookies to optimally design and continually improve the website. By continuing to use this website, you agree to the use of cookies. You can find more information about cookies in our Data protection declaration.okay

Item description/product images

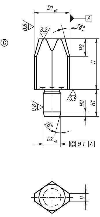
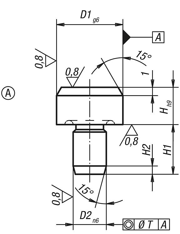
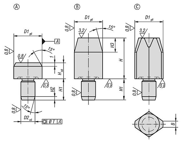
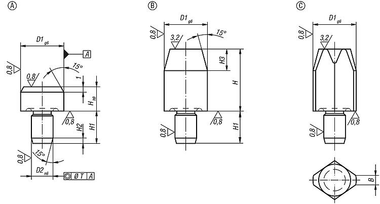
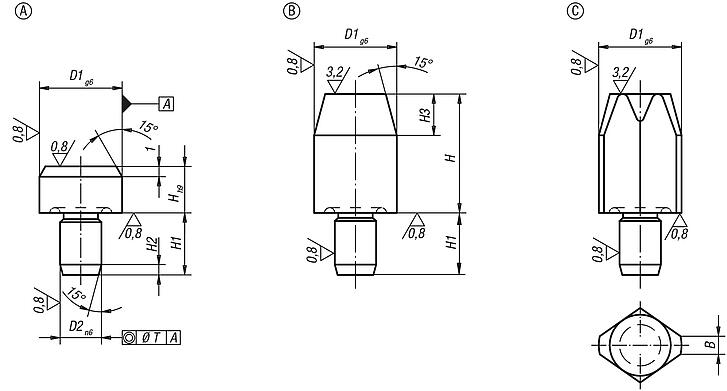
DescriptionMaterial:Tool steel.Version:Hardened and ground.Note:Rest pads, Form A, serve as supports for workpieces and fixtures. Locating pins, Form B, serve to position workpieces and fixture parts in holes with locating dimensions.
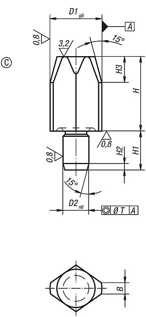
The flattened Form C can be used to bridge tolerances in hole spacing or to secure the part to be positioned in one direction only.
Form A and B can also be used as hardened stop and as foot for fixtures.
For similar bolts, see 03120, 03130, 03140 and 03150.
Drawing reference:
Form A: Rest pad
Form B: Cylindrical locating pin
Form C: Flattened locating pin

For other dimensions see Form A.
DownloadHere is all the information as a PDF datasheet:

Are you looking for CAD data? These can be found directly in the product table.
 Datasheet 02020 Locating pins and rest pads DIN 6321 266 kB

Drawings (total overview)

Locating pins and rest pads DIN 6321

Rest pads, Form A

More information

Drawings

Rest pads, Form A

Item selection/filter

Order No.FormVersion 1D1

D2HH1H2TCADAcc.PriceOrder
02020-106Awithout centre bore64561,20,02 on request
02020-110Awithout centre bore106691,60,02 on request
02020-116Awithout centre bore16881220,04 on request
02020-125Awithout centre bore251210182,50,04 on request

Cylindrical straight bolts, Form B

More information

Drawings

Cylindrical straight bolts, Form B

Item selection/filter

Order No.FormVersion 1D1D2HH1H2H3TCADAcc.PriceOrder
02020-206Bshort64761,240,02 on request
02020-208Bshort861091,660,02 on request
02020-210Bshort1061091,660,02 on request
02020-212Bshort1261091,660,02 on request
02020-216Bshort1681312280,04 on request
02020-220Bshort20121518290,04 on request
02020-225Bshort251215182,590,04 on request
02020-306Blong641261,240,02 on request
02020-308Blong861691,660,02 on request
02020-310Blong1061891,660,02 on request
02020-312Blong1261891,660,02 on request
02020-316Blong1682212280,04 on request
02020-320Blong20122518290,04 on request
02020-325Blong251225182,590,04 on request

Flattened straight bolts, Form C

More information

Drawings

Flattened straight bolts, Form C

Item selection/filter

Order No.FormVersion 1BD1D2HH1H2H3TCADAcc.PriceOrder
02020-410Cshort2,51061091,660,02 on request
02020-412Cshort2,51261091,660,02 on request
02020-416Cshort3,51681312280,04 on request
02020-420Cshort520121518290,04 on request
02020-425Cshort5251215182,590,04 on request
02020-406Cshort164761,240,02 on request
02020-408Cshort1,6861091,660,02 on request
02020-510Clong2,51061891,660,02 on request
02020-512Clong2,51261891,660,02 on request
02020-516Clong3,51682212280,04 on request
02020-520Clong520122518290,04 on request
02020-525Clong5251225182,590,04 on request
02020-506Clong1641261,240,02 on request
02020-508Clong1,6861691,660,02 on request
My norelemE-mailPassword
Shopping cart
Number of items: 0
Amount: 0.00  
shopping cart
欢迎扫描二维码
咨询诺瑞朗官方客服微信
China
苏ICP备20011289号-1  苏公网安备32058502011222 Sitemap Print Recommended Top
Copyright © 2025 norelem. All rights reserved. Tel. +49 71 45/206-44 to 45 · Fax +49 71 45/206-83