norelem uses cookies to optimally design and continually improve the website. By continuing to use this website, you agree to the use of cookies. You can find more information about cookies in our Data protection declaration.okay

Item description/product images

Show/filter all items
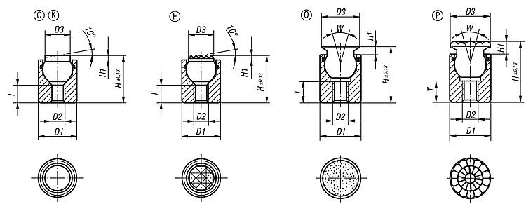
DescriptionMaterial:Body carbon steel.
Ball:
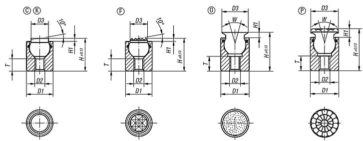
Form C, F tool steel.
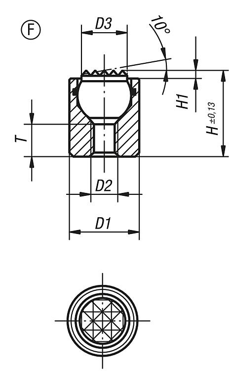
Form K POM.
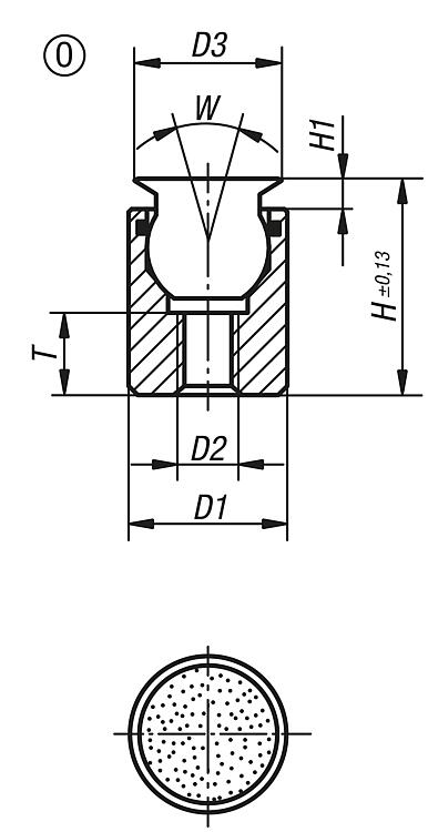
Form O stainless steel diamond impregnated.
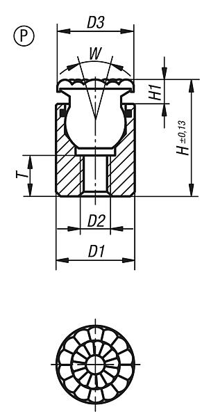
Form P stainless steel with polyurethane face.
Version:Body tempered, black oxidised.
Ball:
Form C, F hardened, black oxidised.
Form K POM ball, white.
Form O surface comparable to 100 grade abrasive grit.
Form P polyurethane, hardness 60 Shore.
Note:Self-aligning pads are used to support and clamp unmachined and machined workpieces.
They also serve as stops, supports and thrust pads in fixtures and toolmaking.

Ball secured against rotation.

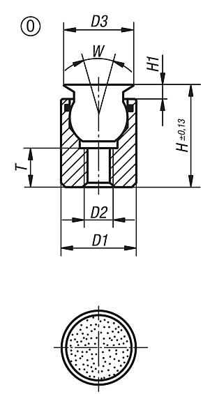
Form O: The abrasive diamond surface is fused firmly to the ball. It is ideally suited to supporting smooth or slippery applications with a minimum of clamping pressure. This allows the diamond particles to get a firm grip on a very small area with minimum damage to the surface. The diamond surface offers excellent wear resistance.

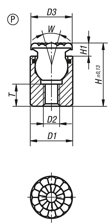
Form P: The polyurethane surface is permanently vulcanised on the ball. It is abrasion-resistant and does not discolour. Offers optimum protection against damage to delicate surfaces. The pearl-like surface gives a firm grip and allows air to escape so as to prevent any suction effect between the contact surface and the self-aligning pads.
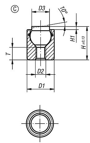
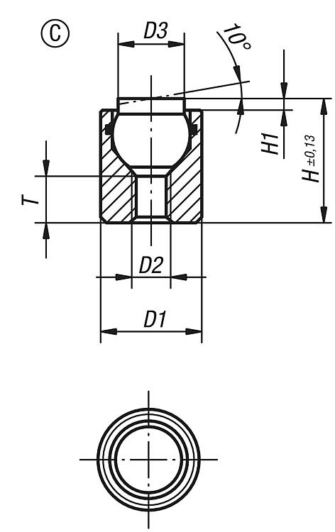
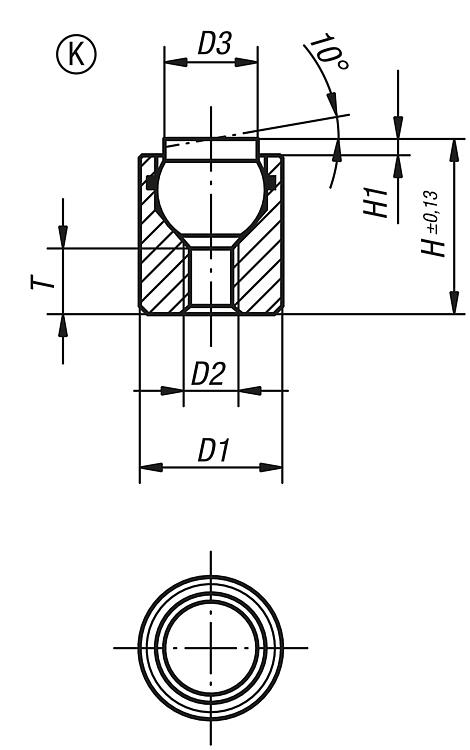
Advantages:The built-in O-ring holds the ball in place and keeps dirt and foreign particles out ensuring smooth and even movement.Drawing reference:
Form C: flattened steel ball, smooth
Form F: flattened steel ball, with serrations
Form K: POM ball, flattened, smooth
Form O: stainless steel ball diamond impregnated
Form P: stainless steel ball with polyurethane surface
DownloadHere is all the information as a PDF datasheet:

Are you looking for CAD data? These can be found directly in the product table.
 Datasheet 02002 Self-aligning pads with O-ring 164 kB

Drawings (total overview)

Self-aligning pads with O-ring

Self-aligning pads with O-ring, Form C, flattened steel ball smooth

More information

Drawings

Self-aligning pads with O-ring, Form C, flattened steel ball smooth

Item selection/filter

Order No.FormD1D2D3HH1TBall-ØLoad rating
max. kN
(static load only)
CADAcc.PriceOrder
02002-104X012C10M46121,54,5712 on request
02002-104X025C10M46251,512712 on request
02002-105X016C13M58,5161,551020 on request
02002-105X025C13M58,5251,5121020 on request

Self-aligning pads with O-ring, Form F, flattened ball with diamond grip

More information

Drawings

Self-aligning pads with O-ring, Form F, flattened ball with diamond grip

Item selection/filter

Order No.FormD1D2D3HH1TBall-ØLoad rating
max. kN
(static load only)
CADAcc.PriceOrder
02002-304X012F10M46121,54,5712 on request
02002-304X025F10M46251,512712 on request
02002-305X016F13M58,5161,551020 on request
02002-305X025F13M58,5251,5121020 on request

Self-aligning pads with O-ring, Form K, flattened POM ball smooth

More information

Drawings

Self-aligning pads with O-ring, Form K, flattened POM ball smooth

Item selection/filter

Order No.FormD1D2D3HH1TBall-ØLoad rating
max. kN
(static load only)
CADAcc.PriceOrder
02002-704X012K10M46121,54,572 on request
02002-704X025K10M46251,51272 on request
02002-705X016K13M58,5161,55104 on request
02002-705X025K13M58,5251,512104 on request

Self-aligning pads with O-ring, Form O, stainless steel ball with diamond impregnated face

More information

Drawings

Self-aligning pads with O-ring, Form O, stainless steel ball with diamond impregnated face

Item selection/filter

Order No.FormD1D2D3HH1TWBall-ØLoad rating
max. kN
(static load only)
CADAcc.PriceOrder
02002-504X012O10M4812,523,528711,5 on request
02002-504X025O10M4825,52928711,5 on request
02002-505X017O13M51117,536,5281019,8 on request
02002-505X026O13M51126,539281019,8 on request
02002-506X021O17M6142137,5281327,4 on request
02002-508X024O19M8192448,5241538,6 on request
02002-510X028O24M10212849242058,3 on request

Self-aligning pads with O-ring, Form P, stainless steel ball with polyurethane face

More information

Drawings

Self-aligning pads with O-ring, Form P, stainless steel ball with polyurethane face

Item selection/filter

Order No.Form

D1D2D3HH1WTBall-ØCADAcc.PriceOrder
02002-604X014P10M41014,54283,57 on request
02002-604X027P10M41027,542897 on request
02002-605X019P13M51319,55286,510 on request
02002-605X028P13M51328,5528910 on request
02002-606X023P17M616235287,513 on request
02002-608X026P19M821266248,515 on request
02002-610X030P24M102330624920 on request
My norelemE-mailPassword
Shopping cart
Number of items: 0
Amount: 0.00  
shopping cart
欢迎扫描二维码
咨询诺瑞朗官方客服微信
China
苏ICP备20011289号-1  苏公网安备32058502011222 Sitemap Print Recommended Top
Copyright © 2025 norelem. All rights reserved. Tel. +49 71 45/206-44 to 45 · Fax +49 71 45/206-83