norelem uses cookies to optimally design and continually improve the website. By continuing to use this website, you agree to the use of cookies. You can find more information about cookies in our
Data protection declaration
.
okay
Locations
Ideas
Conditions of use
Legal notice
Privacy Policy
Products
Company
Service
Download
News
Contact
Product overview
positioning
Flexible standard component system
assembling
Assembly system
moving
Systems / components for machine and plant construction
measuring
Measuring and testing components
clamping
Clamping technology
controlling
Electromechanics
transporting
Material handling and transport
technoshop
norelem inch
Inch parts
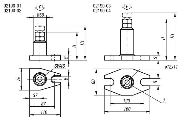
02190
Atlas jack with locknut
go back
Products
Product overview
Flexible standard component system
Self-aligning pads Fixture feet Clamp rests Support elements
Support elements
Atlas jack with locknut
Item description/product images
Description
Material:
Carbon steel.
Version:
Hammertone, spindle with 30 x 6 trapezoidal thread.
Drawing reference:
1) centring hole for 02210
Special features:
Download
Here is all the information as a PDF datasheet:
Are you looking for CAD data? These can be found directly in the product table.
Datasheet 02190 Atlas jack with locknut
182 kB
Drawings
Item selection/filter
Order No.
Adjustment range
base plate
H
H1
B
S
F
kN
CAD
Acc.
Price
Order
02190-01
100 - 140
76x111
100
140
18
17
60
on request
02190-02
140 - 200
76x111
140
200
18
17
60
on request
02190-03
200 - 320
90x160
200
320
22
22
40
on request
02190-04
320 - 540
90x160
320
540
22
25
25
on request
Other items in this category
<<
|
<
|
1-10
|
11-20
|
21-30
|
31-40
|
41-47
|
>
|
>>
02155
Jack screws
02156
Supports stainless steel
02156-02
Tapered attachment, prism attachment, flat attachment for supporting, stainless steel
02170
Screw rest
with flat face, steel
02171
Screw rest
with flat face, stainless steel
02180
Screw rest
with flat face, aluminium
02182
Screw rest
with flat face and magnetic foot, aluminium
02210
Screw rest inserts
spherical, centring disc, prism, locating pin, revolving ball
02270
Step blocks
02310
Step block sets
<<
|
<
|
1-10
|
11-20
|
21-30
|
31-40
|
41-47
|
>
|
>>
My norelem
E-mail
Password
Forgotten password?
I'm new to this site
Shopping cart
Number of items:
0
Amount:
0.00
€
shopping cart
欢迎扫描二维码
咨询诺瑞朗官方客服微信
Algérie
Andorra
Argentina
Australia
België
Bolivia
Bosna i Hercegovina
Brasil
Canada
Česká republika
Chile
中国
Colombia
Costa Rica
Cuba
Danmark
Dem. Peop. Rep. of Korea
Deutschland
Ecuador
Eesti
España
Georgia
香港
Hrvatska
India
Ireland
Ísland
Italia
Jamaica
日本
Latvija
Liechtenstein
Lietuvos
Luxemburg
Magyarország
Malaysia
Malta
México
Nederland
New Zealand
Norge
Österreich
Pakistan
Paraguay
Perú
Polska
Portugal
Principauté de Monaco
台灣
Rep. di San Marino
대한민국
România
Schweiz
Singapore
Slovenija
Slovensko
South Africa
Suomi
Sverige
Türkiye
United Kingdom
United States of America
Uruguay
Venezuela
Việt Nam
Ελλάδα
Κύπρος
Беларусь
България
Република Србија
Россия
Србија и Црна Гора
Україна
ישראל
الامارات العربية المتحدة
السعودية
ايران
مصر
ประเทศไทย
Chinese
English
苏ICP备20011289号-1
苏公网安备32058502011222
Sitemap
Print
Recommended
Top
Copyright © 2025 norelem. All rights reserved.
Tel. +49 71 45/206-44 to 45 · Fax +49 71 45/206-83