norelem uses cookies to optimally design and continually improve the website. By continuing to use this website, you agree to the use of cookies. You can find more information about cookies in our Data protection declaration.okay

Item description/product images

Show/filter all items
DescriptionMaterial:Aluminium.Version:Bright.Note:Use these plugs to seal grid holes and protect them from swarf and dirt.
Leave the protection plugs in holes not in use! Aluminium plugs are used when aggressive coolants are used or when cutting dry.
Advantages:The sealing washers (Form B and C) prevent coolant getting into the grid holes.On request:Different colours for differentiation on base units with grid holes.Drawing reference:
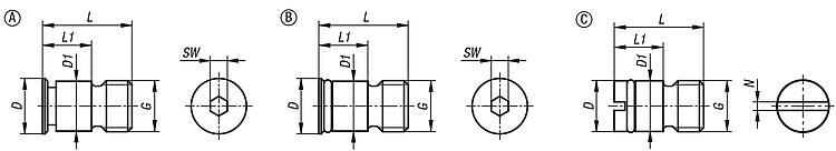
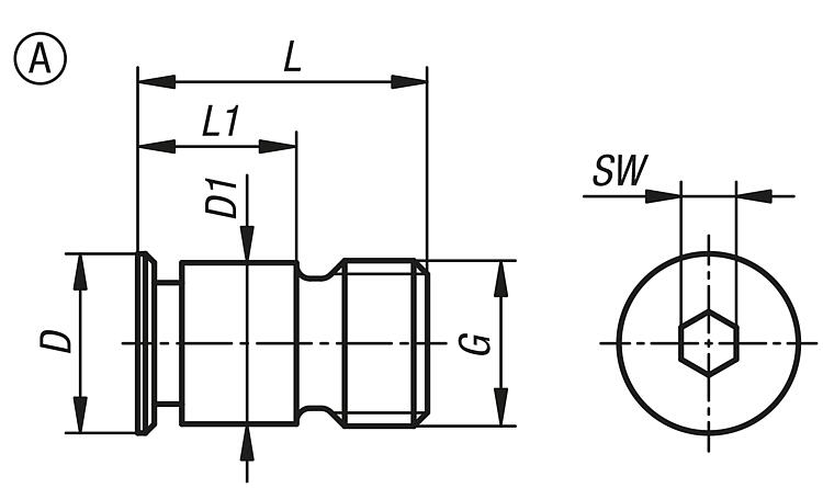
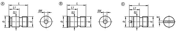
Form A: with hex socket, without O-ring
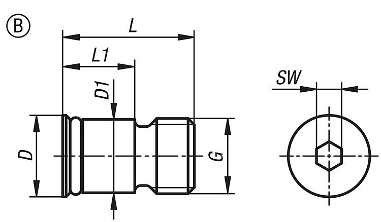
Form B: with hex socket, with O-ring
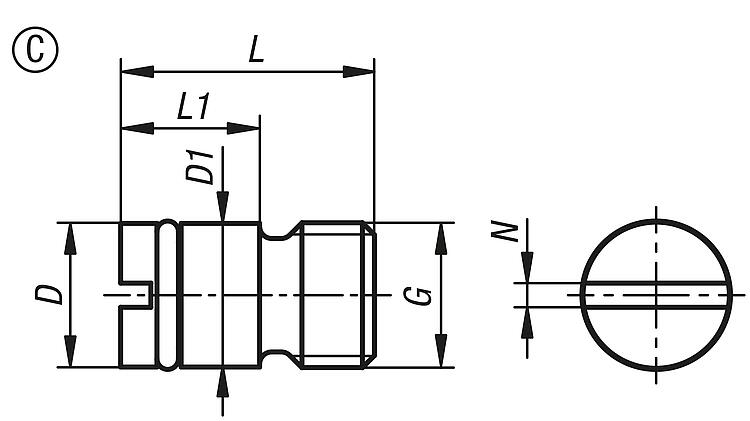
Form C: with slot, with O-ring
Special features:
RoHS
DownloadHere is all the information as a PDF datasheet:

Are you looking for CAD data? These can be found directly in the product table.
 Datasheet 03150-11 Protective plugs aluminium 239 kB

Drawings (total overview)

Protective plugs aluminium

Protective plugs aluminium, Form A, with hex socket, without O-ring

More information

Drawings

Protective plugs aluminium, Form A, with hex socket, without O-ring

Item selection/filter

Order No.FormVersion 1Version 2D

D1GLL1SWCADAcc.PriceOrder
03150-11-1000815Awith hexagon socketwithout O-ring12,611,9M8157,54 on request
03150-11-1001221Awith hexagon socketwithout O-ring1311,9M122111,54 on request
03150-11-1001626Awith hexagon socketwithout O-ring1715,9M1626155 on request
03150-11-1002035Awith hexagon socketwithout O-ring2119,9M2035195 on request

Protective plugs aluminium, Form B, with hex socket, with O-ring

More information

Drawings

Protective plugs aluminium, Form B, with hex socket, with O-ring

Item selection/filter

Order No.FormVersion 1Version 2D

D1GLL1SWCADAcc.PriceOrder
03150-11-2100815Bwith hexagon socketwith o-ring12,611,9M8157,54 on request
03150-11-2101221Bwith hexagon socketwith o-ring1311,9M122111,54 on request
03150-11-2101626Bwith hexagon socketwith o-ring1715,9M1626155 on request
03150-11-2102035Bwith hexagon socketwith o-ring2119,9M2035195 on request

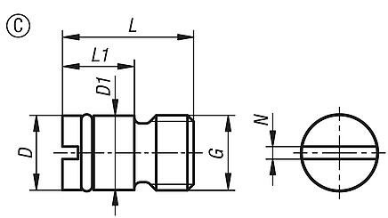
Protective plugs aluminium, Form C, with slot, with O-ring

More information

Drawings

Protective plugs aluminium, Form C, with slot, with O-ring

Item selection/filter

Order No.FormVersion 1Version 2D

D1GLL1NCADAcc.PriceOrder
03150-11-3110815Cwith slotwith o-ring11,911,9M8157,52 on request
03150-11-3111221Cwith slotwith o-ring11,911,9M122111,52 on request
03150-11-3111626Cwith slotwith o-ring15,915,9M1626152 on request
03150-11-3112035Cwith slotwith o-ring19,919,9M2035192 on request
My norelemE-mailPassword
Shopping cart
Number of items: 0
Amount: 0.00  
shopping cart
欢迎扫描二维码
咨询诺瑞朗官方客服微信
China
苏ICP备20011289号-1  苏公网安备32058502011222 Sitemap Print Recommended Top
Copyright © 2025 norelem. All rights reserved. Tel. +49 71 45/206-44 to 45 · Fax +49 71 45/206-83