norelem uses cookies to optimally design and continually improve the website. By continuing to use this website, you agree to the use of cookies. You can find more information about cookies in our Data protection declaration.okay

Item description/product images

Show/filter all items
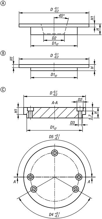
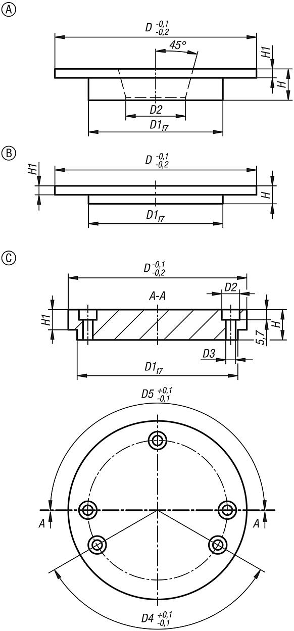
DescriptionMaterial:Centring flange QT steel 1.1191 or 1.1192.Note:The centring flange with bore is a high-quality component that can be used in tool and die making. This centring flange has a precise shoulder that facilitates easy alignment and positioning of tools or dies. The conical bore of the flange provides excellent guidance and ensures a secure connection between different parts.

The centring flange with shoulder is an outstanding choice for tool and die making applications that require precise alignment. This flange has a shoulder that facilitates the alignment of parts and ensures stable positioning.

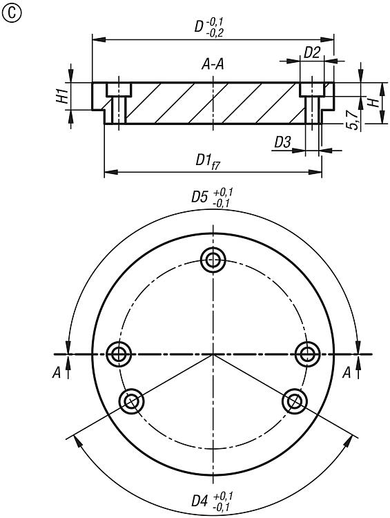
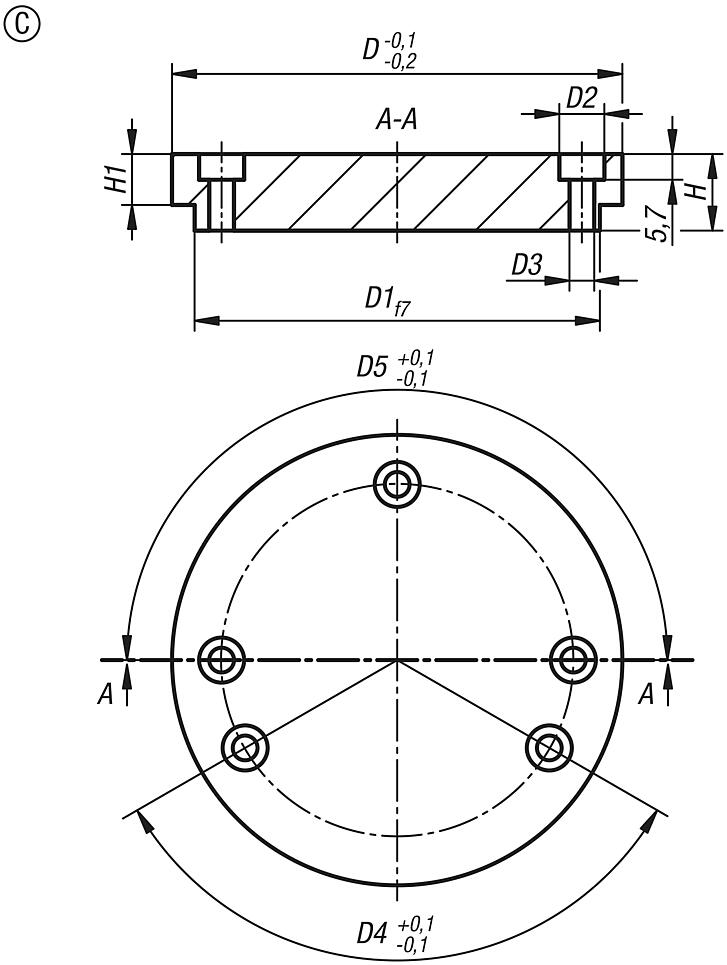
The centring flange with shoulder and screw holes can be used in tool and die making where precise alignment, secure fastening and reliable positioning are essential. Its combination of precise functions and screw holes makes it highly versatile in various manufacturing applications.
Special features:
RoHS
DownloadHere is all the information as a PDF datasheet:

Are you looking for CAD data? These can be found directly in the product table.
 Datasheet 03152-30 Centring flanges steel 135 kB

Drawings (total overview)

Centring flanges steel

Centring flange steel, Form A

More information

Drawings

Centring flange steel, Form A

Item selection/filter

Order No.FormForm definitionSteel codeD

D1D2HH1CADAcc.PriceOrder
03152-30-006008Awith hole1.119190603684 on request
03152-30-006011Awith hole1.1191906026114 on request
03152-30-006013Awith hole1.1191906026134 on request
03152-30-006014Awith hole1.1191906026144 on request
03152-30-008012Awith hole1.1191908036128 on request
03152-30-008015Awith hole1.1191908026158 on request
03152-30-008017Awith hole1.1191908026178 on request
03152-30-009012Awith hole1.1191909036128 on request
03152-30-009015Awith hole1.1191909036158 on request
03152-30-009017Awith hole1.1191909036178 on request
03152-30-009018Awith hole1.1191909036188 on request
03152-30-009019Awith hole1.1191909036198 on request
03152-30-009021Awith hole1.1191909036218,5 on request
03152-30-010012Awith hole1.11911009036128 on request
03152-30-010015Awith hole1.11911009036158 on request
03152-30-010017Awith hole1.11911009036178 on request
03152-30-010019Awith hole1.11911009036198 on request
03152-30-010021Awith hole1.11911009036218,5 on request
03152-30-011012Awith hole1.11911109036128 on request
03152-30-011015Awith hole1.11911109036158 on request
03152-30-011017Awith hole1.11911109036178 on request
03152-30-011018Awith hole1.11911109036188 on request
03152-30-011019Awith hole1.11911109036198 on request
03152-30-011020Awith hole1.11911109036208 on request
03152-30-011021Awith hole1.11911109036218,5 on request
03152-30-012012Awith hole1.11911209036128 on request
03152-30-012015Awith hole1.11911209036158 on request
03152-30-012017Awith hole1.11911209036178 on request
03152-30-012018Awith hole1.11911209036188 on request
03152-30-012019Awith hole1.11911209036198 on request
03152-30-012020Awith hole1.11911209036208 on request
03152-30-012021Awith hole1.11911209036218,5 on request
03152-30-012512Awith hole1.11911259036128 on request
03152-30-012515Awith hole1.11911259036158 on request
03152-30-012517Awith hole1.11911259036178 on request
03152-30-012518Awith hole1.11911259036188 on request
03152-30-012519Awith hole1.11911259036198 on request
03152-30-012520Awith hole1.11911259036208 on request
03152-30-012521Awith hole1.11911259036218,5 on request
03152-30-013012Awith hole1.11911309036128 on request
03152-30-014012Awith hole1.11911409036128 on request
03152-30-015012Awith hole1.11911509036128 on request
03152-30-016012Awith hole1.11911609036128 on request
03152-30-016015Awith hole1.11911609036158 on request
03152-30-016017Awith hole1.11911609036178 on request
03152-30-016018Awith hole1.11911609036188 on request
03152-30-016019Awith hole1.11911609036198 on request
03152-30-016020Awith hole1.11911609036208 on request
03152-30-016021Awith hole1.11911609036218,5 on request
03152-30-017512Awith hole1.11911759036128 on request
03152-30-017515Awith hole1.11911759036158 on request
03152-30-017517Awith hole1.11911759036178 on request
03152-30-017518Awith hole1.11911759036188 on request
03152-30-017519Awith hole1.11911759036198 on request
03152-30-017520Awith hole1.11911759036208 on request
03152-30-017521Awith hole1.11911759036218,5 on request
03152-30-018012Awith hole1.11911809036128 on request
03152-30-020012Awith hole1.11912009036128 on request
03152-30-025012Awith hole1.11912509036128 on request

Centring flange steel, Form B

More information

Drawings

Centring flange steel, Form B

Item selection/filter

Order No.FormForm definitionSteel
code
D

D1HH1CADAcc.PriceOrder
03152-30-106008Bwith seating1.1191906084 on request
03152-30-106011Bwith seating1.11919060114 on request
03152-30-106013Bwith seating1.11919060134 on request
03152-30-106014Bwith seating1.11919060144 on request
03152-30-108012Bwith seating1.11919080128 on request
03152-30-108015Bwith seating1.11919080158 on request
03152-30-108017Bwith seating1.11919080178 on request
03152-30-110012Bwith seating1.119110090128 on request
03152-30-110015Bwith seating1.119110090158 on request
03152-30-110017Bwith seating1.119110090178 on request
03152-30-110018Bwith seating1.119110090188 on request
03152-30-110019Bwith seating1.119110090198 on request
03152-30-110021Bwith seating1.119110090218,5 on request
03152-30-111012Bwith seating1.119111090128 on request
03152-30-111015Bwith seating1.119111090158 on request
03152-30-111017Bwith seating1.119111090178 on request
03152-30-111018Bwith seating1.119111090188 on request
03152-30-111019Bwith seating1.119111090198 on request
03152-30-111020Bwith seating1.119111090208 on request
03152-30-111021Bwith seating1.119111090218,5 on request
03152-30-112012Bwith seating1.119112090128 on request
03152-30-112015Bwith seating1.119112090158 on request
03152-30-112017Bwith seating1.119112090178 on request
03152-30-112018Bwith seating1.119112090188 on request
03152-30-112019Bwith seating1.119112090198 on request
03152-30-112020Bwith seating1.119112090208 on request
03152-30-112021Bwith seating1.119112090218,5 on request
03152-30-112512Bwith seating1.119112590128 on request
03152-30-112515Bwith seating1.119112590158 on request
03152-30-112517Bwith seating1.119112590178 on request
03152-30-112518Bwith seating1.119112590188 on request
03152-30-112519Bwith seating1.119112590198 on request
03152-30-112520Bwith seating1.119112590208 on request
03152-30-112521Bwith seating1.119112590218,5 on request
03152-30-114012Bwith seating1.119114090128 on request
03152-30-115012Bwith seating1.119115090128 on request
03152-30-116012Bwith seating1.119116090128 on request
03152-30-116015Bwith seating1.119116090158 on request
03152-30-116017Bwith seating1.119116090178 on request
03152-30-116018Bwith seating1.119116090188 on request
03152-30-116019Bwith seating1.119116090198 on request
03152-30-116020Bwith seating1.119116090208 on request
03152-30-116021Bwith seating1.119116090218,5 on request
03152-30-117512Bwith seating1.119117590128 on request
03152-30-117515Bwith seating1.119117590158 on request
03152-30-117517Bwith seating1.119117590178 on request
03152-30-117518Bwith seating1.119117590188 on request
03152-30-117519Bwith seating1.119117590198 on request
03152-30-117520Bwith seating1.119117590208 on request
03152-30-117521Bwith seating1.119117590218,5 on request
03152-30-120012Bwith seating1.119120090128 on request
03152-30-125012Bwith seating1.119125090128 on request

Centring flange steel, Form C

More information

Drawings

Centring flange steel, Form C

Item selection/filter

Order No.FormForm definitionSteel
code
D

D1D2D3D4D5HH1CADAcc.PriceOrder
03152-30-210017Cwith seating and hole1.119210090105,57882178 on request
03152-30-211019Cwith seating and hole1.119211090105,57898198 on request
03152-30-212512Cwith seating and hole1.119212590105,578104128 on request
03152-30-212517Cwith seating and hole1.119212590105,578104178 on request
03152-30-212519Cwith seating and hole1.119212590105,578104198 on request
03152-30-212521Cwith seating and hole1.119212590105,578104218 on request
03152-30-216021Cwith seating and hole1.119216090105,578128218 on request
My norelemE-mailPassword
Shopping cart
Number of items: 0
Amount: 0.00  
shopping cart
欢迎扫描二维码
咨询诺瑞朗官方客服微信
China
苏ICP备20011289号-1  苏公网安备32058502011222 Sitemap Print Recommended Top
Copyright © 2025 norelem. All rights reserved. Tel. +49 71 45/206-44 to 45 · Fax +49 71 45/206-83