norelem uses cookies to optimally design and continually improve the website. By continuing to use this website, you agree to the use of cookies. You can find more information about cookies in our Data protection declaration.okay

Item description/product images

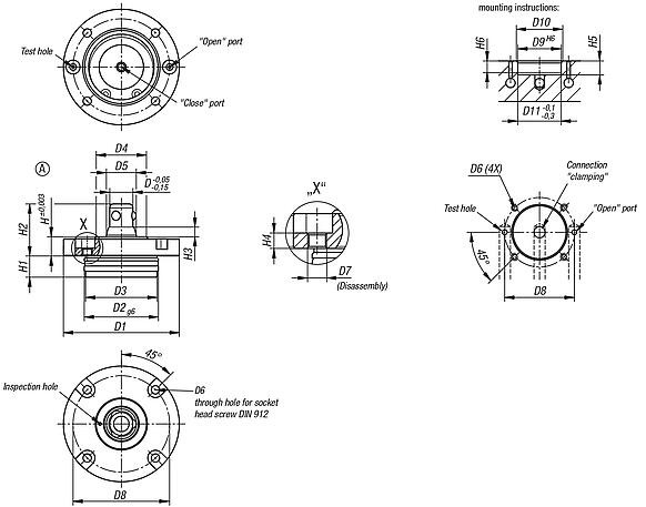
DescriptionMaterial:Housing and clamping cylinder, carbon steel.
Balls, stainless steel.
Version:Housing hardened and black oxidised.
Contact faces ground.
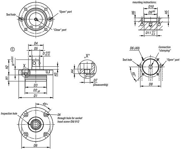
Note:This positioning and clamping system is especially suitable for installation in fixtures (plates, clamping tower blocks, etc.) in all mounting positions. The modular design allows the number of and distance between the locating cylinders to be ideally adjusted to suit the clamping task. Due to the small diameters, the spacing between the locating cylinders can also be reduced.

The 3 clamping balls are mechanically released through control of the locating cylinder with the "opening" connection. The 3 clamping balls move inward and the fixture can be changed quickly. For clamping, the air is taken from the "opening" connection and the "clamping" connection then receives air on the locating cylinder. The 3 clamping balls are mechanically driven outward again and the new fixture is clamped.
To achieve optimal retaining force, the locating cylinder remains connected to the air.
Accessory:03161-03 Locating bush for pneumatic locating cylinder.Special features:
RoHS
DownloadHere is all the information as a PDF datasheet:

Are you looking for CAD data? These can be found directly in the product table.
 Datasheet 03161-02 Locating cylinders pneumatic 324 kB
 Pneumatic positioning and clamping system 406 kB

Drawings (total overview)

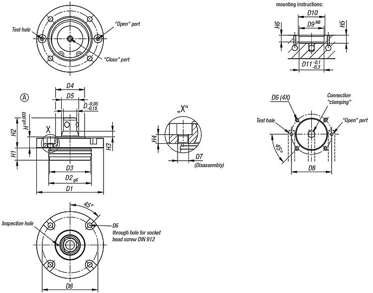
Locating cylinders pneumatic

Locating cylinders pneumatic, Form A

More information

Drawings

Locating cylinders pneumatic, Form A

Item selection/filter

Order No.Version 2FormD

D1D2D3D4D5D6D7D8D9D10D11HH1H2H3H4H5H6Retaining
force
F1 N
CADAcc.PriceOrder
03161-02-11670conicalA16704847,53824,5M5M6604850481215358516124000 on request
03161-02-12085conicalA20855857,54831,5M6M87258605815194410620166300 on request

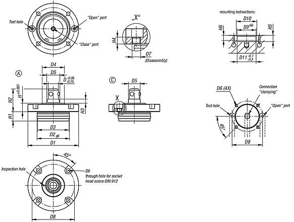
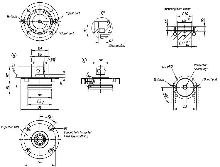
Locating cylinders pneumatic, Form C

More information

Drawings

Locating cylinders pneumatic, Form C

Item selection/filter

Order No.Version 2FormD

D1D2D3D4D5D6D7D8D9D10D11HH1H2H3H4H5H6Retaining
force
F1 N
CADAcc.PriceOrder
03161-02-31670cylindricalC16704847,53820M5M6604850481215358516124000 on request
03161-02-32085cylindricalC20855857,54826M6M87258605815194410620166300 on request
My norelemE-mailPassword
Shopping cart
Number of items: 0
Amount: 0.00  
shopping cart
欢迎扫描二维码
咨询诺瑞朗官方客服微信
China
苏ICP备20011289号-1  苏公网安备32058502011222 Sitemap Print Recommended Top
Copyright © 2025 norelem. All rights reserved. Tel. +49 71 45/206-44 to 45 · Fax +49 71 45/206-83