|
|
|
03161Locating cylinders, steel, pneumatic with tension spring |
go back |
|
Item description/product images |
|
|
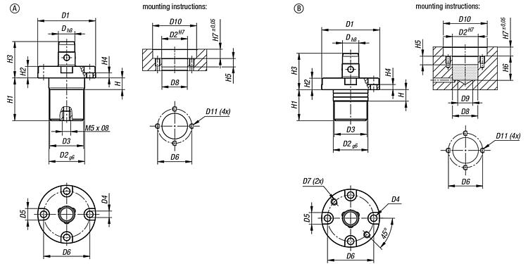
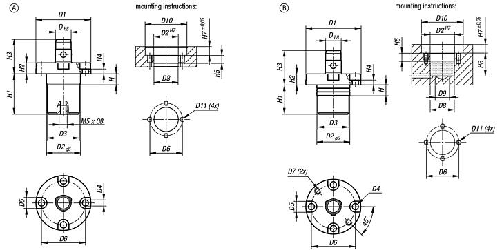
DescriptionMaterial:Carbon steel.Version:nickel-plated.Note:The 3 clamping balls are released by applying compressed air. The 3 clamping balls move inward and the fixture can be quickly changed. When the air pressure is removed, the 3 clamping balls move outwards and the fixture is clamped. This easy-to-use system significantly reduces changeover times.
The repeat accuracy is ± 0.01 mm.Accessory:03162 Locating bush for pneumatic locating cylinder.Special features: DownloadHere is all the information as a PDF datasheet:
Are you looking for CAD data? These can be found directly in the product table.
|
Drawings (total overview) |
Locating cylinders, steel, pneumatic with tension spring, Form A |
More information |
| Order No. | Form | D | D1 | D2 | D3 | D4 | D5 | D6 | D8 | D10 | D11 | H | H2 | H1 | H3 | H4 | H5 | H7 | Retaining force F1 N | CAD | Acc. | Price | Order |
|---|
| 03161-112 | A | 12 | 40 | 24 | 23,4 | 4,5 | 8 | 32 | 23,8 | 41 | M4 | 8 | 8 | 29,5 | 25 | 3,5 | 8,5 | 8,5 | 250 |  | | on request | | | 03161-116 | A | 16 | 51 | 32 | 31,4 | 5,5 | 9,5 | 41 | 31,8 | 52 | M5 | 8,5 | 9,5 | 31,7 | 28,5 | 4 | 9 | 10 | 350 |  | | on request | |
|
Locating cylinders, steel, pneumatic with tension spring, Form B |
More information |
| Order No. | Form | D | D1 | D2 | D3 | D4 | D5 | D6 | D7 | D8 | D9 | D10 | D11 | H | H2 | H1 | H3 | H4 | H5 | H6 | H7 | Retaining force F1 N | CAD | Acc. | Price | Order |
|---|
| 03161-212 | B | 12 | 40 | 24 | 23,4 | 4,5 | 8 | 32 | M4 | 23,8 | 14 | 41 | M4 | 8 | 8 | 24,5 | 25 | 3,5 | 8,5 | 25,5 | 8,5 | 250 |  | | on request | | | 03161-216 | B | 16 | 51 | 32 | 31,4 | 5,5 | 9,5 | 41 | M5 | 31,8 | 20 | 52 | M5 | 8,5 | 9,5 | 25,5 | 28,5 | 4 | 9 | 26,5 | 10 | 350 |  | | on request | |
|
Other items in this category |
|
|