|
Item description/product images |
|
|
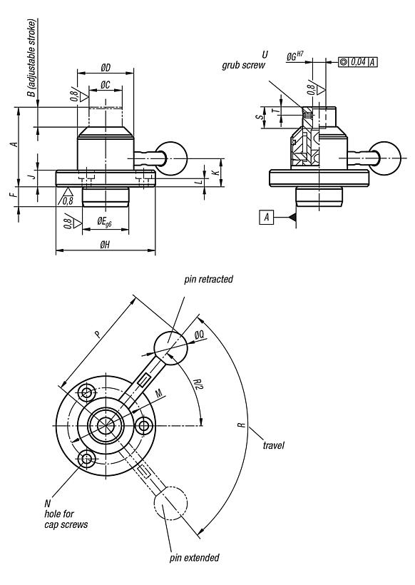
DescriptionMaterial, version:Body and locating pin carbon steel, tempered and black oxidised. Handle carbon steel, tempered. Ball knob black thermoset PF 31.Note:* Admissible hand force for the handle. ** Workpieces up to this weight can be located.Special features: DownloadHere is all the information as a PDF datasheet:
Are you looking for CAD data? These can be found directly in the product table.
|
Order No. | A | B | C | D | E | F | G | H | J | K | L | M | N | P | Q | R | S | T | U | Hand force FH N | Max. workpiece weight kg | CAD | Acc. | Price | Order |
|---|
| 03171-2808 | 48 | 12 | 20 | 34 | 28 | 12 | 8 | 60 | 10 | 17 | 5 | 46 | M5 | 71 | 20 | 100 | 13 | 5 | M4x5 | 150* | 250** |  | | on request | | | 03171-4212 | 61 | 15 | 30 | 48 | 42 | 14 | 12 | 80 | 13 | 23 | 7 | 63 | M6 | 94 | 25 | 90 | 15 | 8 | M6x8 | 200* | 300** |  | | on request | |
Other items in this category |
|
|