|
|
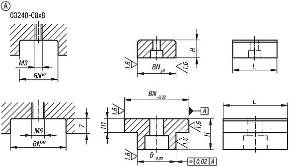
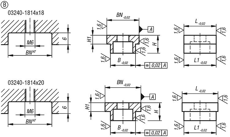
DescriptionMaterial:Carbon steel 1.1191Version:Form A black oxidised. Form B hardened and bright. Note:T-slot keys are used for positioning fixture components quickly and exactly. The time-consuming work to align components is no longer required. Version B can be mounted at 90° for a wider mark-out dimension. The T-slot key can therefore be used for two different slot widths.Application:The T-slot keys are screwed into a slot with the fixture components and then marked out on the counterpiece.Advantages:Very time-saving when mounting fixture components.Special features: DownloadHere is all the information as a PDF datasheet:
Are you looking for CAD data? These can be found directly in the product table.
|
Drawings (total overview) |
|
| Order No. | Form | Form definition | BN=Slot width | B | H | H1 | L | L1 | CAD | Acc. | Price | Order |
|---|
| 03240-1814X18 | B | both sides | 18 | 14 | 10 | 4,9 | 18 | 18 |  | | on request | | | 03240-1814X20 | B | both sides | 20 | 14 | 10 | 4,9 | 20 | 18 |  | | on request | |
|
Other items in this category |
|
|