|
|
|
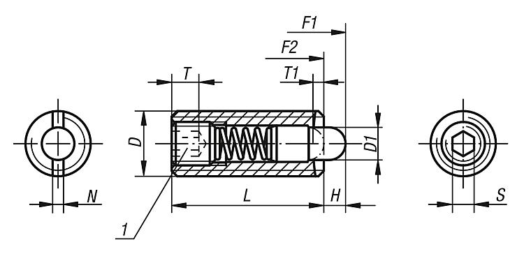
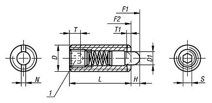
03040Spring plungers with hexagon socket and thrust pin, steel |
go back |
|
|
DescriptionMaterial:Sleeve steel grade 5.8. Thrust pin steel. Spring steel wire grade D.Version:Black oxidised. Thrust pin hardened.Drawing reference:Special features: DownloadHere is all the information as a PDF datasheet:
Are you looking for CAD data? These can be found directly in the product table.
|
Drawings (total overview) |
Spring plungers with hexagon socket and thrust pin, steel, standard spring force |
More information |
Order No. | D | D1 | H | L | T1 | N | S | Spring force initial pressure F1 approx. N | Spring force final pressure F2 approx. N | Order No. Assembly key | CAD | Acc. | Price | Order |
|---|
| 03040-03 | M3 | 1 | 1,5 | 10 | 1 | 0,4 | 0,7 | 0,5 | 3 | 03040-903 |  |  | on request | | | 03040-04 | M4 | 1,5 | 1,5 | 15 | 0,6 | 0,6 | 1,3 | 5 | 16 | 03040-904 |  |  | on request | | | 03040-05 | M5 | 2,4 | 2,3 | 18 | 0,8 | 0,8 | 1,5 | 6 | 20 | 03040-905 |  |  | on request | | | 03040-06 | M6 | 2,7 | 2,5 | 20 | 1 | 1 | 2 | 7 | 20 | 03040-906 |  |  | on request | | | 03040-08 | M8 | 3,5 | 3 | 22 | 1,4 | 1,2 | 2,5 | 9 | 35 | 03040-908 |  |  | on request | | | 03040-10 | M10 | 4 | 3 | 22 | 1,4 | 1,6 | 3 | 9 | 35 | 03040-910 |  |  | on request | | | 03040-12 | M12 | 6 | 4 | 28 | 2 | 2 | 4 | 12 | 55 | 03040-912 |  |  | on request | | | 03040-16 | M16 | 7,5 | 5 | 32 | 2,5 | 2,5 | 5 | 45 | 100 | 03040-916 |  |  | on request | | | 03040-20 | M20 | 10 | 7 | 40 | 3 | 2,5 | 6 | 60 | 120 | - |  | | on request | | | 03040-24 | M24 | 12 | 10 | 52 | 3 | 2,5 | 8 | 80 | 160 | - |  | | on request | |
|
Spring plungers with hexagon socket and thrust pin, steel, light spring force |
More information |
Order No. | D | D1 | H | L | T1 | N | S | Spring force initial pressure F1 approx. N | Spring force final pressure F2 approx. N | Order No. Assembly key | CAD | Acc. | Price | Order |
|---|
| 03040-104 | M4 | 1,5 | 1,5 | 15 | 0,6 | 0,6 | 1,3 | 2 | 7 | 03040-904 |  |  | on request | | | 03040-105 | M5 | 2,4 | 2,3 | 18 | 0,8 | 0,8 | 1,5 | 3 | 10 | 03040-905 |  |  | on request | | | 03040-106 | M6 | 2,7 | 2,5 | 20 | 1 | 1 | 2 | 3 | 9 | 03040-906 |  |  | on request | | | 03040-108 | M8 | 3,5 | 3 | 22 | 1,4 | 1,2 | 2,5 | 4 | 16 | 03040-908 |  |  | on request | | | 03040-110 | M10 | 4 | 3 | 22 | 1,4 | 1,6 | 3 | 4 | 16 | 03040-910 |  |  | on request | | | 03040-112 | M12 | 6 | 4 | 28 | 2 | 2 | 4 | 5 | 27 | 03040-912 |  |  | on request | | | 03040-116 | M16 | 7,5 | 5 | 32 | 2,5 | 2,5 | 5 | 20 | 45 | 03040-916 |  |  | on request | |
|
Spring plungers with hexagon socket and thrust pin, steel, strong spring force |
More information |
Order No. | D | D1 | H | L | T1 | N | S | Spring force initial pressure F1 approx. N | Spring force final pressure F2 approx. N | Order No. Assembly key | CAD | Acc. | Price | Order |
|---|
| 03040-205 | M5 | 2,4 | 2,3 | 18 | 0,8 | 0,8 | 1,5 | 11 | 29 | 03040-905 |  |  | on request | | | 03040-206 | M6 | 2,7 | 2,5 | 20 | 1 | 1 | 2 | 14 | 37 | 03040-906 |  |  | on request | | | 03040-208 | M8 | 3,5 | 3 | 22 | 1,4 | 1,2 | 2,5 | 22 | 65 | 03040-908 |  |  | on request | | | 03040-210 | M10 | 4 | 3 | 22 | 1,4 | 1,6 | 3 | 19 | 70 | 03040-910 |  |  | on request | | | 03040-212 | M12 | 6 | 4 | 28 | 2 | 2 | 4 | 25 | 85 | 03040-912 |  |  | on request | | | 03040-216 | M16 | 7,5 | 5 | 32 | 2,5 | 2,5 | 5 | 60 | 150 | 03040-916 |  |  | on request | | | 03040-220 | M20 | 10 | 7 | 40 | 3 | 2,5 | 6 | 75 | 190 | - |  | | on request | | | 03040-224 | M24 | 12 | 10 | 52 | 3 | 2,5 | 8 | 95 | 240 | - |  | | on request | |
|
Other items in this category |
|
|