|
|
|
04232Cam levers, aluminium, with internal and external thread,... |
go back |
|
|
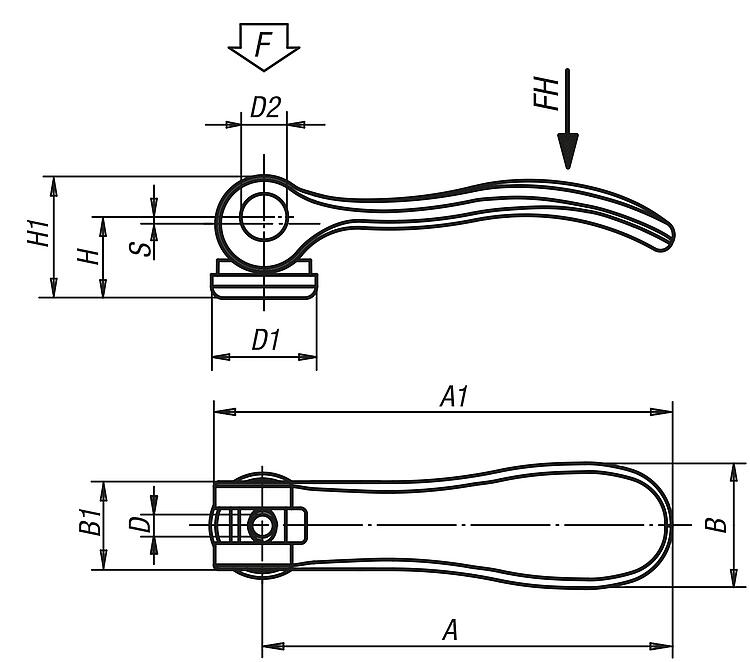
DescriptionMaterial:Handles cast aluminium EN AC-46200.
Thrust washer plastic PA 66 GF 35-X fibreglass reinforced.
Hinge pin stainless steel 1.4305.
Studs and washer steel grade 5.8 or stainless steel 1.4305. Version:Handles fine structured powder-coated, black or red RAL 3003. Thrust washer black. Hinge pin bright. Studs and washer blue passivated steel or bright stainless steel.Note:Plastics are subject to creeping under load (retardation).Special features: DownloadHere is all the information as a PDF datasheet:
Are you looking for CAD data? These can be found directly in the product table.
|
Drawings (total overview) |
Cam levers, aluminium, with internal thread, plastic-metal thrust washer |
More information |
| Order No. | Component material | Main colour | D | D1 | D2 | B | B1 | H | H1 | A | A1 | Travel S | Clamping force F (kN) | Hand force FH N | CAD | Acc. | Price | Order |
|---|
| 04232-9501103 | steel | black | M3 | 12 | 6 | 14,4 | 11,5 | 9 | 13 | 36,2 | 41,7 | 1 | 1,5 | 90 |  | | on request | | | 04232-9501104 | steel | black | M4 | 12 | 6 | 14,4 | 11,5 | 9 | 13 | 36,2 | 41,7 | 1 | 1,5 | 90 |  | | on request | | | 04232-0501104 | steel | black | M4 | 15,4 | 8 | 18 | 13 | 11,2 | 17 | 52,3 | 59,1 | 1 | 2,5 | 100 |  | | on request | | | 04232-0501105 | steel | black | M5 | 15,4 | 8 | 18 | 13 | 11,2 | 17 | 52,3 | 59,1 | 1 | 2,5 | 100 |  | | on request | | | 04232-1501105 | steel | black | M5 | 18,1 | 9 | 21,5 | 15 | 14,5 | 22 | 70,4 | 79,2 | 1,2 | 4 | 120 |  | | on request | | | 04232-1501106 | steel | black | M6 | 18,1 | 9 | 21,5 | 15 | 14,5 | 22 | 70,4 | 79,2 | 1,2 | 4 | 120 |  | | on request | | | 04232-2501108 | steel | black | M8 | 27,1 | 11 | 33,3 | 24 | 18 | 28,5 | 96 | 108 | 1,5 | 8 | 350 |  | | on request | | | 04232-9511103 | stainless steel | black | M3 | 12 | 6 | 14,4 | 11,5 | 9 | 13 | 36,2 | 41,7 | 1 | 1,5 | 90 |  | | on request | | | 04232-9511104 | stainless steel | black | M4 | 12 | 6 | 14,4 | 11,5 | 9 | 13 | 36,2 | 41,7 | 1 | 1,5 | 90 |  | | on request | | | 04232-0511104 | stainless steel | black | M4 | 15,4 | 8 | 18 | 13 | 11,2 | 17 | 52,3 | 59,1 | 1 | 2,5 | 100 |  | | on request | | | 04232-0511105 | stainless steel | black | M5 | 15,4 | 8 | 18 | 13 | 11,2 | 17 | 52,3 | 59,1 | 1 | 2,5 | 100 |  | | on request | | | 04232-1511105 | stainless steel | black | M5 | 18,1 | 9 | 21,5 | 15 | 14,5 | 22 | 70,4 | 79,2 | 1,2 | 4 | 120 |  | | on request | | | 04232-1511106 | stainless steel | black | M6 | 18,1 | 9 | 21,5 | 15 | 14,5 | 22 | 70,4 | 79,2 | 1,2 | 4 | 120 |  | | on request | | | 04232-2511108 | stainless steel | black | M8 | 27,1 | 11 | 33,3 | 24 | 18 | 28,5 | 96 | 108 | 1,5 | 8 | 350 |  | | on request | | | 04232-9501403 | steel | ruby red RAL3003 | M3 | 12 | 6 | 14,4 | 11,5 | 9 | 13 | 36,2 | 41,7 | 1 | 1,5 | 90 |  | | on request | | | 04232-9501404 | steel | ruby red RAL3003 | M4 | 12 | 6 | 14,4 | 11,5 | 9 | 13 | 36,2 | 41,7 | 1 | 1,5 | 90 |  | | on request | | | 04232-0501404 | steel | ruby red RAL3003 | M4 | 15,4 | 8 | 18 | 13 | 11,2 | 17 | 52,3 | 59,1 | 1 | 2,5 | 100 |  | | on request | | | 04232-0501405 | steel | ruby red RAL3003 | M5 | 15,4 | 8 | 18 | 13 | 11,2 | 17 | 52,3 | 59,1 | 1 | 2,5 | 100 |  | | on request | | | 04232-1501405 | steel | ruby red RAL3003 | M5 | 18,1 | 9 | 21,5 | 15 | 14,5 | 22 | 70,4 | 79,2 | 1,2 | 4 | 120 |  | | on request | | | 04232-1501406 | steel | ruby red RAL3003 | M6 | 18,1 | 9 | 21,5 | 15 | 14,5 | 22 | 70,4 | 79,2 | 1,2 | 4 | 120 |  | | on request | | | 04232-2501408 | steel | ruby red RAL3003 | M8 | 27,1 | 11 | 33,3 | 24 | 18 | 28,5 | 96 | 108 | 1,5 | 8 | 350 |  | | on request | | | 04232-9511403 | stainless steel | ruby red RAL3003 | M3 | 12 | 6 | 14,4 | 11,5 | 9 | 13 | 36,2 | 41,7 | 1 | 1,5 | 90 |  | | on request | | | 04232-9511404 | stainless steel | ruby red RAL3003 | M4 | 12 | 6 | 14,4 | 11,5 | 9 | 13 | 36,2 | 41,7 | 1 | 1,5 | 90 |  | | on request | | | 04232-0511404 | stainless steel | ruby red RAL3003 | M4 | 15,4 | 8 | 18 | 13 | 11,2 | 17 | 52,3 | 59,1 | 1 | 2,5 | 100 |  | | on request | | | 04232-0511405 | stainless steel | ruby red RAL3003 | M5 | 15,4 | 8 | 18 | 13 | 11,2 | 17 | 52,3 | 59,1 | 1 | 2,5 | 100 |  | | on request | | | 04232-1511405 | stainless steel | ruby red RAL3003 | M5 | 18,1 | 9 | 21,5 | 15 | 14,5 | 22 | 70,4 | 79,2 | 1,2 | 4 | 120 |  | | on request | | | 04232-1511406 | stainless steel | ruby red RAL3003 | M6 | 18,1 | 9 | 21,5 | 15 | 14,5 | 22 | 70,4 | 79,2 | 1,2 | 4 | 120 |  | | on request | | | 04232-2511408 | stainless steel | ruby red RAL3003 | M8 | 27,1 | 11 | 33,3 | 24 | 18 | 28,5 | 96 | 108 | 1,5 | 8 | 350 |  | | on request | |
|
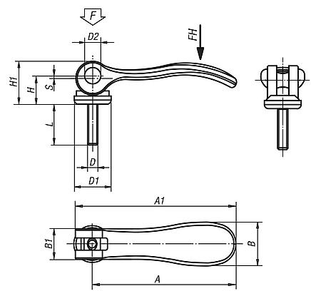
Cam levers, aluminium, with external thread, plastic/metal thrust washer and steel or stainless steel stud |
More information |
| Order No. | Component material | Main colour | D | D1 | D2 | B | B1 | H | H1 | A | A1 | Travel S | L | Clamping force F (kN) | Hand force FH N | CAD | Acc. | Price | Order |
|---|
| 04232-9501103X10 | steel | black | M3 | 12 | 6 | 14,4 | 11,5 | 9 | 13 | 36,2 | 41,7 | 1 | 10 | 1,5 | 90 |  | | on request | | | 04232-9501103X15 | steel | black | M3 | 12 | 6 | 14,4 | 11,5 | 9 | 13 | 36,2 | 41,7 | 1 | 15 | 1,5 | 90 |  | | on request | | | 04232-9501103X30 | steel | black | M3 | 12 | 6 | 14,4 | 11,5 | 9 | 13 | 36,2 | 41,7 | 1 | 30 | 1,5 | 90 |  | | on request | | | 04232-9501104X10 | steel | black | M4 | 12 | 6 | 14,4 | 11,5 | 9 | 13 | 36,2 | 41,7 | 1 | 10 | 1,5 | 90 |  | | on request | | | 04232-9501104X15 | steel | black | M4 | 12 | 6 | 14,4 | 11,5 | 9 | 13 | 36,2 | 41,7 | 1 | 15 | 1,5 | 90 |  | | on request | | | 04232-9501104X30 | steel | black | M4 | 12 | 6 | 14,4 | 11,5 | 9 | 13 | 36,2 | 41,7 | 1 | 30 | 1,5 | 90 |  | | on request | | | 04232-0501104X15 | steel | black | M4 | 15,4 | 8 | 18 | 13 | 11,2 | 17 | 52,3 | 59,1 | 1 | 15 | 2,5 | 100 |  | | on request | | | 04232-0501104X20 | steel | black | M4 | 15,4 | 8 | 18 | 13 | 11,2 | 17 | 52,3 | 59,1 | 1 | 20 | 2,5 | 100 |  | | on request | | | 04232-0501104X30 | steel | black | M4 | 15,4 | 8 | 18 | 13 | 11,2 | 17 | 52,3 | 59,1 | 1 | 30 | 2,5 | 100 |  | | on request | | | 04232-0501105X20 | steel | black | M5 | 15,4 | 8 | 18 | 13 | 11,2 | 17 | 52,3 | 59,1 | 1 | 20 | 2,5 | 100 |  | | on request | | | 04232-0501105X30 | steel | black | M5 | 15,4 | 8 | 18 | 13 | 11,2 | 17 | 52,3 | 59,1 | 1 | 30 | 2,5 | 100 |  | | on request | | | 04232-0501105X40 | steel | black | M5 | 15,4 | 8 | 18 | 13 | 11,2 | 17 | 52,3 | 59,1 | 1 | 40 | 2,5 | 100 |  | | on request | | | 04232-0501105X50 | steel | black | M5 | 15,4 | 8 | 18 | 13 | 11,2 | 17 | 52,3 | 59,1 | 1 | 50 | 2,5 | 100 |  | | on request | | | 04232-1501105X20 | steel | black | M5 | 18,1 | 9 | 21,5 | 15 | 14,5 | 22 | 70,4 | 79,2 | 1,2 | 20 | 4 | 120 |  | | on request | | | 04232-1501105X30 | steel | black | M5 | 18,1 | 9 | 21,5 | 15 | 14,5 | 22 | 70,4 | 79,2 | 1,2 | 30 | 4 | 120 |  | | on request | | | 04232-1501105X40 | steel | black | M5 | 18,1 | 9 | 21,5 | 15 | 14,5 | 22 | 70,4 | 79,2 | 1,2 | 40 | 4 | 120 |  | | on request | | | 04232-1501105X50 | steel | black | M5 | 18,1 | 9 | 21,5 | 15 | 14,5 | 22 | 70,4 | 79,2 | 1,2 | 50 | 4 | 120 |  | | on request | | | 04232-1501106X20 | steel | black | M6 | 18,1 | 9 | 21,5 | 15 | 14,5 | 22 | 70,4 | 79,2 | 1,2 | 20 | 4 | 120 |  | | on request | | | 04232-1501106X30 | steel | black | M6 | 18,1 | 9 | 21,5 | 15 | 14,5 | 22 | 70,4 | 79,2 | 1,2 | 30 | 4 | 120 |  | | on request | | | 04232-1501106X40 | steel | black | M6 | 18,1 | 9 | 21,5 | 15 | 14,5 | 22 | 70,4 | 79,2 | 1,2 | 40 | 4 | 120 |  | | on request | | | 04232-1501106X50 | steel | black | M6 | 18,1 | 9 | 21,5 | 15 | 14,5 | 22 | 70,4 | 79,2 | 1,2 | 50 | 4 | 120 |  | | on request | | | 04232-2501108X25 | steel | black | M8 | 27,1 | 11 | 33,3 | 24 | 18 | 28,5 | 96 | 108 | 1,5 | 25 | 8 | 350 |  | | on request | | | 04232-2501108X30 | steel | black | M8 | 27,1 | 11 | 33,3 | 24 | 18 | 28,5 | 96 | 108 | 1,5 | 30 | 8 | 350 |  | | on request | | | 04232-2501108X40 | steel | black | M8 | 27,1 | 11 | 33,3 | 24 | 18 | 28,5 | 96 | 108 | 1,5 | 40 | 8 | 350 |  | | on request | | | 04232-2501108X50 | steel | black | M8 | 27,1 | 11 | 33,3 | 24 | 18 | 28,5 | 96 | 108 | 1,5 | 50 | 8 | 350 |  | | on request | | | 04232-2501110X25 | steel | black | M10 | 27,1 | 11 | 33,3 | 24 | 18 | 28,5 | 96 | 108 | 1,5 | 25 | 8 | 350 |  | | on request | | | 04232-2501110X30 | steel | black | M10 | 27,1 | 11 | 33,3 | 24 | 18 | 28,5 | 96 | 108 | 1,5 | 30 | 8 | 350 |  | | on request | | | 04232-2501110X40 | steel | black | M10 | 27,1 | 11 | 33,3 | 24 | 18 | 28,5 | 96 | 108 | 1,5 | 40 | 8 | 350 |  | | on request | | | 04232-2501110X50 | steel | black | M10 | 27,1 | 11 | 33,3 | 24 | 18 | 28,5 | 96 | 108 | 1,5 | 50 | 8 | 350 |  | | on request | | | 04232-9511103X10 | stainless steel | black | M3 | 12 | 6 | 14,4 | 11,5 | 9 | 13 | 36,2 | 41,7 | 1 | 10 | 1,5 | 90 |  | | on request | | | 04232-9511103X15 | stainless steel | black | M3 | 12 | 6 | 14,4 | 11,5 | 9 | 13 | 36,2 | 41,7 | 1 | 15 | 1,5 | 90 |  | | on request | | | 04232-9511103X30 | stainless steel | black | M3 | 12 | 6 | 14,4 | 11,5 | 9 | 13 | 36,2 | 41,7 | 1 | 30 | 1,5 | 90 |  | | on request | | | 04232-9511104X10 | stainless steel | black | M4 | 12 | 6 | 14,4 | 11,5 | 9 | 13 | 36,2 | 41,7 | 1 | 10 | 1,5 | 90 |  | | on request | | | 04232-9511104X15 | stainless steel | black | M4 | 12 | 6 | 14,4 | 11,5 | 9 | 13 | 36,2 | 41,7 | 1 | 15 | 1,5 | 90 |  | | on request | | | 04232-9511104X30 | stainless steel | black | M4 | 12 | 6 | 14,4 | 11,5 | 9 | 13 | 36,2 | 41,7 | 1 | 30 | 1,5 | 90 |  | | on request | | | 04232-0511104X15 | stainless steel | black | M4 | 15,4 | 8 | 18 | 13 | 11,2 | 17 | 52,3 | 59,1 | 1 | 15 | 2,5 | 100 |  | | on request | | | 04232-0511104X20 | stainless steel | black | M4 | 15,4 | 8 | 18 | 13 | 11,2 | 17 | 52,3 | 59,1 | 1 | 20 | 2,5 | 100 |  | | on request | | | 04232-0511104X30 | stainless steel | black | M4 | 15,4 | 8 | 18 | 13 | 11,2 | 17 | 52,3 | 59,1 | 1 | 30 | 2,5 | 100 |  | | on request | | | 04232-0511105X20 | stainless steel | black | M5 | 15,4 | 8 | 18 | 13 | 11,2 | 17 | 52,3 | 59,1 | 1 | 20 | 2,5 | 100 |  | | on request | | | 04232-0511105X30 | stainless steel | black | M5 | 15,4 | 8 | 18 | 13 | 11,2 | 17 | 52,3 | 59,1 | 1 | 30 | 2,5 | 100 |  | | on request | | | 04232-0511105X40 | stainless steel | black | M5 | 15,4 | 8 | 18 | 13 | 11,2 | 17 | 52,3 | 59,1 | 1 | 40 | 2,5 | 100 |  | | on request | | | 04232-0511105X50 | stainless steel | black | M5 | 15,4 | 8 | 18 | 13 | 11,2 | 17 | 52,3 | 59,1 | 1 | 50 | 2,5 | 100 |  | | on request | | | 04232-1511105X20 | stainless steel | black | M5 | 18,1 | 9 | 21,5 | 15 | 14,5 | 22 | 70,4 | 79,2 | 1,2 | 20 | 4 | 120 |  | | on request | | | 04232-1511105X30 | stainless steel | black | M5 | 18,1 | 9 | 21,5 | 15 | 14,5 | 22 | 70,4 | 79,2 | 1,2 | 30 | 4 | 120 |  | | on request | | | 04232-1511105X40 | stainless steel | black | M5 | 18,1 | 9 | 21,5 | 15 | 14,5 | 22 | 70,4 | 79,2 | 1,2 | 40 | 4 | 120 |  | | on request | | | 04232-1511105X50 | stainless steel | black | M5 | 18,1 | 9 | 21,5 | 15 | 14,5 | 22 | 70,4 | 79,2 | 1,2 | 50 | 4 | 120 |  | | on request | | | 04232-1511106X20 | stainless steel | black | M6 | 18,1 | 9 | 21,5 | 15 | 14,5 | 22 | 70,4 | 79,2 | 1,2 | 20 | 4 | 120 |  | | on request | | | 04232-1511106X30 | stainless steel | black | M6 | 18,1 | 9 | 21,5 | 15 | 14,5 | 22 | 70,4 | 79,2 | 1,2 | 30 | 4 | 120 |  | | on request | | | 04232-1511106X40 | stainless steel | black | M6 | 18,1 | 9 | 21,5 | 15 | 14,5 | 22 | 70,4 | 79,2 | 1,2 | 40 | 4 | 120 |  | | on request | | | 04232-1511106X50 | stainless steel | black | M6 | 18,1 | 9 | 21,5 | 15 | 14,5 | 22 | 70,4 | 79,2 | 1,2 | 50 | 4 | 120 |  | | on request | | | 04232-2511108X25 | stainless steel | black | M8 | 27,1 | 11 | 33,3 | 24 | 18 | 28,5 | 96 | 108 | 1,5 | 25 | 8 | 350 |  | | on request | | | 04232-2511108X30 | stainless steel | black | M8 | 27,1 | 11 | 33,3 | 24 | 18 | 28,5 | 96 | 108 | 1,5 | 30 | 8 | 350 |  | | on request | | | 04232-2511108X40 | stainless steel | black | M8 | 27,1 | 11 | 33,3 | 24 | 18 | 28,5 | 96 | 108 | 1,5 | 40 | 8 | 350 |  | | on request | | | 04232-2511108X50 | stainless steel | black | M8 | 27,1 | 11 | 33,3 | 24 | 18 | 28,5 | 96 | 108 | 1,5 | 50 | 8 | 350 |  | | on request | | | 04232-2511110X25 | stainless steel | black | M10 | 27,1 | 11 | 33,3 | 24 | 18 | 28,5 | 96 | 108 | 1,5 | 25 | 8 | 350 |  | | on request | | | 04232-2511110X30 | stainless steel | black | M10 | 27,1 | 11 | 33,3 | 24 | 18 | 28,5 | 96 | 108 | 1,5 | 30 | 8 | 350 |  | | on request | | | 04232-2511110X40 | stainless steel | black | M10 | 27,1 | 11 | 33,3 | 24 | 18 | 28,5 | 96 | 108 | 1,5 | 40 | 8 | 350 |  | | on request | | | 04232-2511110X50 | stainless steel | black | M10 | 27,1 | 11 | 33,3 | 24 | 18 | 28,5 | 96 | 108 | 1,5 | 50 | 8 | 350 |  | | on request | | | 04232-9501403X10 | steel | ruby red RAL3003 | M3 | 12 | 6 | 14,4 | 11,5 | 9 | 13 | 36,2 | 41,7 | 1 | 10 | 1,5 | 90 |  | | on request | | | 04232-9501403X15 | steel | ruby red RAL3003 | M3 | 12 | 6 | 14,4 | 11,5 | 9 | 13 | 36,2 | 41,7 | 1 | 15 | 1,5 | 90 |  | | on request | | | 04232-9501403X30 | steel | ruby red RAL3003 | M3 | 12 | 6 | 14,4 | 11,5 | 9 | 13 | 36,2 | 41,7 | 1 | 30 | 1,5 | 90 |  | | on request | | | 04232-9501404X10 | steel | ruby red RAL3003 | M4 | 12 | 6 | 14,4 | 11,5 | 9 | 13 | 36,2 | 41,7 | 1 | 10 | 1,5 | 90 |  | | on request | | | 04232-9501404X15 | steel | ruby red RAL3003 | M4 | 12 | 6 | 14,4 | 11,5 | 9 | 13 | 36,2 | 41,7 | 1 | 15 | 1,5 | 90 |  | | on request | | | 04232-9501404X30 | steel | ruby red RAL3003 | M4 | 12 | 6 | 14,4 | 11,5 | 9 | 13 | 36,2 | 41,7 | 1 | 30 | 1,5 | 90 |  | | on request | | | 04232-0501404X15 | steel | ruby red RAL3003 | M4 | 15,4 | 8 | 18 | 13 | 11,2 | 17 | 52,3 | 59,1 | 1 | 15 | 2,5 | 100 |  | | on request | | | 04232-0501404X20 | steel | ruby red RAL3003 | M4 | 15,4 | 8 | 18 | 13 | 11,2 | 17 | 52,3 | 59,1 | 1 | 20 | 2,5 | 100 |  | | on request | | | 04232-0501404X30 | steel | ruby red RAL3003 | M4 | 15,4 | 8 | 18 | 13 | 11,2 | 17 | 52,3 | 59,1 | 1 | 30 | 2,5 | 100 |  | | on request | | | 04232-0501405X20 | steel | ruby red RAL3003 | M5 | 15,4 | 8 | 18 | 13 | 11,2 | 17 | 52,3 | 59,1 | 1 | 20 | 2,5 | 100 |  | | on request | | | 04232-0501405X30 | steel | ruby red RAL3003 | M5 | 15,4 | 8 | 18 | 13 | 11,2 | 17 | 52,3 | 59,1 | 1 | 30 | 2,5 | 100 |  | | on request | | | 04232-0501405X40 | steel | ruby red RAL3003 | M5 | 15,4 | 8 | 18 | 13 | 11,2 | 17 | 52,3 | 59,1 | 1 | 40 | 2,5 | 100 |  | | on request | | | 04232-0501405X50 | steel | ruby red RAL3003 | M5 | 15,4 | 8 | 18 | 13 | 11,2 | 17 | 52,3 | 59,1 | 1 | 50 | 2,5 | 100 |  | | on request | | | 04232-1501405X20 | steel | ruby red RAL3003 | M5 | 18,1 | 9 | 21,5 | 15 | 14,5 | 22 | 70,4 | 79,2 | 1,2 | 20 | 4 | 120 |  | | on request | | | 04232-1501405X30 | steel | ruby red RAL3003 | M5 | 18,1 | 9 | 21,5 | 15 | 14,5 | 22 | 70,4 | 79,2 | 1,2 | 30 | 4 | 120 |  | | on request | | | 04232-1501405X40 | steel | ruby red RAL3003 | M5 | 18,1 | 9 | 21,5 | 15 | 14,5 | 22 | 70,4 | 79,2 | 1,2 | 40 | 4 | 120 |  | | on request | | | 04232-1501405X50 | steel | ruby red RAL3003 | M5 | 18,1 | 9 | 21,5 | 15 | 14,5 | 22 | 70,4 | 79,2 | 1,2 | 50 | 4 | 120 |  | | on request | | | 04232-1501406X20 | steel | ruby red RAL3003 | M6 | 18,1 | 9 | 21,5 | 15 | 14,5 | 22 | 70,4 | 79,2 | 1,2 | 20 | 4 | 120 |  | | on request | | | 04232-1501406X30 | steel | ruby red RAL3003 | M6 | 18,1 | 9 | 21,5 | 15 | 14,5 | 22 | 70,4 | 79,2 | 1,2 | 30 | 4 | 120 |  | | on request | | | 04232-1501406X40 | steel | ruby red RAL3003 | M6 | 18,1 | 9 | 21,5 | 15 | 14,5 | 22 | 70,4 | 79,2 | 1,2 | 40 | 4 | 120 |  | | on request | | | 04232-1501406X50 | steel | ruby red RAL3003 | M6 | 18,1 | 9 | 21,5 | 15 | 14,5 | 22 | 70,4 | 79,2 | 1,2 | 50 | 4 | 120 |  | | on request | | | 04232-2501408X25 | steel | ruby red RAL3003 | M8 | 27,1 | 11 | 33,3 | 24 | 18 | 28,5 | 96 | 108 | 1,5 | 25 | 8 | 350 |  | | on request | | | 04232-2501408X30 | steel | ruby red RAL3003 | M8 | 27,1 | 11 | 33,3 | 24 | 18 | 28,5 | 96 | 108 | 1,5 | 30 | 8 | 350 |  | | on request | | | 04232-2501408X40 | steel | ruby red RAL3003 | M8 | 27,1 | 11 | 33,3 | 24 | 18 | 28,5 | 96 | 108 | 1,5 | 40 | 8 | 350 |  | | on request | | | 04232-2501408X50 | steel | ruby red RAL3003 | M8 | 27,1 | 11 | 33,3 | 24 | 18 | 28,5 | 96 | 108 | 1,5 | 50 | 8 | 350 |  | | on request | | | 04232-2501410X25 | steel | ruby red RAL3003 | M10 | 27,1 | 11 | 33,3 | 24 | 18 | 28,5 | 96 | 108 | 1,5 | 25 | 8 | 350 |  | | on request | | | 04232-2501410X30 | steel | ruby red RAL3003 | M10 | 27,1 | 11 | 33,3 | 24 | 18 | 28,5 | 96 | 108 | 1,5 | 30 | 8 | 350 |  | | on request | | | 04232-2501410X40 | steel | ruby red RAL3003 | M10 | 27,1 | 11 | 33,3 | 24 | 18 | 28,5 | 96 | 108 | 1,5 | 40 | 8 | 350 |  | | on request | | | 04232-2501410X50 | steel | ruby red RAL3003 | M10 | 27,1 | 11 | 33,3 | 24 | 18 | 28,5 | 96 | 108 | 1,5 | 50 | 8 | 350 |  | | on request | | | 04232-9511403X10 | stainless steel | ruby red RAL3003 | M3 | 12 | 6 | 14,4 | 11,5 | 9 | 13 | 36,2 | 41,7 | 1 | 10 | 1,5 | 90 |  | | on request | | | 04232-9511403X15 | stainless steel | ruby red RAL3003 | M3 | 12 | 6 | 14,4 | 11,5 | 9 | 13 | 36,2 | 41,7 | 1 | 15 | 1,5 | 90 |  | | on request | | | 04232-9511403X30 | stainless steel | ruby red RAL3003 | M3 | 12 | 6 | 14,4 | 11,5 | 9 | 13 | 36,2 | 41,7 | 1 | 30 | 1,5 | 90 |  | | on request | | | 04232-9511404X10 | stainless steel | ruby red RAL3003 | M4 | 12 | 6 | 14,4 | 11,5 | 9 | 13 | 36,2 | 41,7 | 1 | 10 | 1,5 | 90 |  | | on request | | | 04232-9511404X15 | stainless steel | ruby red RAL3003 | M4 | 12 | 6 | 14,4 | 11,5 | 9 | 13 | 36,2 | 41,7 | 1 | 15 | 1,5 | 90 |  | | on request | | | 04232-9511404X30 | stainless steel | ruby red RAL3003 | M4 | 12 | 6 | 14,4 | 11,5 | 9 | 13 | 36,2 | 41,7 | 1 | 30 | 1,5 | 90 |  | | on request | | | 04232-0511404X15 | stainless steel | ruby red RAL3003 | M4 | 15,4 | 8 | 18 | 13 | 11,2 | 17 | 52,3 | 59,1 | 1 | 15 | 2,5 | 100 |  | | on request | | | 04232-0511404X20 | stainless steel | ruby red RAL3003 | M4 | 15,4 | 8 | 18 | 13 | 11,2 | 17 | 52,3 | 59,1 | 1 | 20 | 2,5 | 100 |  | | on request | | | 04232-0511404X30 | stainless steel | ruby red RAL3003 | M4 | 15,4 | 8 | 18 | 13 | 11,2 | 17 | 52,3 | 59,1 | 1 | 30 | 2,5 | 100 |  | | on request | | | 04232-0511405X20 | stainless steel | ruby red RAL3003 | M5 | 15,4 | 8 | 18 | 13 | 11,2 | 17 | 52,3 | 59,1 | 1 | 20 | 2,5 | 100 |  | | on request | | | 04232-0511405X30 | stainless steel | ruby red RAL3003 | M5 | 15,4 | 8 | 18 | 13 | 11,2 | 17 | 52,3 | 59,1 | 1 | 30 | 2,5 | 100 |  | | on request | | | 04232-0511405X40 | stainless steel | ruby red RAL3003 | M5 | 15,4 | 8 | 18 | 13 | 11,2 | 17 | 52,3 | 59,1 | 1 | 40 | 2,5 | 100 |  | | on request | | | 04232-0511405X50 | stainless steel | ruby red RAL3003 | M5 | 15,4 | 8 | 18 | 13 | 11,2 | 17 | 52,3 | 59,1 | 1 | 50 | 2,5 | 100 |  | | on request | | | 04232-1511405X20 | stainless steel | ruby red RAL3003 | M5 | 18,1 | 9 | 21,5 | 15 | 14,5 | 22 | 70,4 | 79,2 | 1,2 | 20 | 4 | 120 |  | | on request | | | 04232-1511405X30 | stainless steel | ruby red RAL3003 | M5 | 18,1 | 9 | 21,5 | 15 | 14,5 | 22 | 70,4 | 79,2 | 1,2 | 30 | 4 | 120 |  | | on request | | | 04232-1511405X40 | stainless steel | ruby red RAL3003 | M5 | 18,1 | 9 | 21,5 | 15 | 14,5 | 22 | 70,4 | 79,2 | 1,2 | 40 | 4 | 120 |  | | on request | | | 04232-1511405X50 | stainless steel | ruby red RAL3003 | M5 | 18,1 | 9 | 21,5 | 15 | 14,5 | 22 | 70,4 | 79,2 | 1,2 | 50 | 4 | 120 |  | | on request | | | 04232-1511406X20 | stainless steel | ruby red RAL3003 | M6 | 18,1 | 9 | 21,5 | 15 | 14,5 | 22 | 70,4 | 79,2 | 1,2 | 20 | 4 | 120 |  | | on request | | | 04232-1511406X30 | stainless steel | ruby red RAL3003 | M6 | 18,1 | 9 | 21,5 | 15 | 14,5 | 22 | 70,4 | 79,2 | 1,2 | 30 | 4 | 120 |  | | on request | | | 04232-1511406X40 | stainless steel | ruby red RAL3003 | M6 | 18,1 | 9 | 21,5 | 15 | 14,5 | 22 | 70,4 | 79,2 | 1,2 | 40 | 4 | 120 |  | | on request | | | 04232-1511406X50 | stainless steel | ruby red RAL3003 | M6 | 18,1 | 9 | 21,5 | 15 | 14,5 | 22 | 70,4 | 79,2 | 1,2 | 50 | 4 | 120 |  | | on request | | | 04232-2511408X25 | stainless steel | ruby red RAL3003 | M8 | 27,1 | 11 | 33,3 | 24 | 18 | 28,5 | 96 | 108 | 1,5 | 25 | 8 | 350 |  | | on request | | | 04232-2511408X30 | stainless steel | ruby red RAL3003 | M8 | 27,1 | 11 | 33,3 | 24 | 18 | 28,5 | 96 | 108 | 1,5 | 30 | 8 | 350 |  | | on request | | | 04232-2511408X40 | stainless steel | ruby red RAL3003 | M8 | 27,1 | 11 | 33,3 | 24 | 18 | 28,5 | 96 | 108 | 1,5 | 40 | 8 | 350 |  | | on request | | | 04232-2511408X50 | stainless steel | ruby red RAL3003 | M8 | 27,1 | 11 | 33,3 | 24 | 18 | 28,5 | 96 | 108 | 1,5 | 50 | 8 | 350 |  | | on request | | | 04232-2511410X25 | stainless steel | ruby red RAL3003 | M10 | 27,1 | 11 | 33,3 | 24 | 18 | 28,5 | 96 | 108 | 1,5 | 25 | 8 | 350 |  | | on request | | | 04232-2511410X30 | stainless steel | ruby red RAL3003 | M10 | 27,1 | 11 | 33,3 | 24 | 18 | 28,5 | 96 | 108 | 1,5 | 30 | 8 | 350 |  | | on request | | | 04232-2511410X40 | stainless steel | ruby red RAL3003 | M10 | 27,1 | 11 | 33,3 | 24 | 18 | 28,5 | 96 | 108 | 1,5 | 40 | 8 | 350 |  | | on request | | | 04232-2511410X50 | stainless steel | ruby red RAL3003 | M10 | 27,1 | 11 | 33,3 | 24 | 18 | 28,5 | 96 | 108 | 1,5 | 50 | 8 | 350 |  | | on request | |
|
Other items in this category |
|
|