norelem uses cookies to optimally design and continually improve the website. By continuing to use this website, you agree to the use of cookies. You can find more information about cookies in our Data protection declaration.okay
Cam clamps adjustable with riser
04444

Cam clamps adjustable with riser

go back

Item description/product images

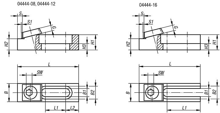
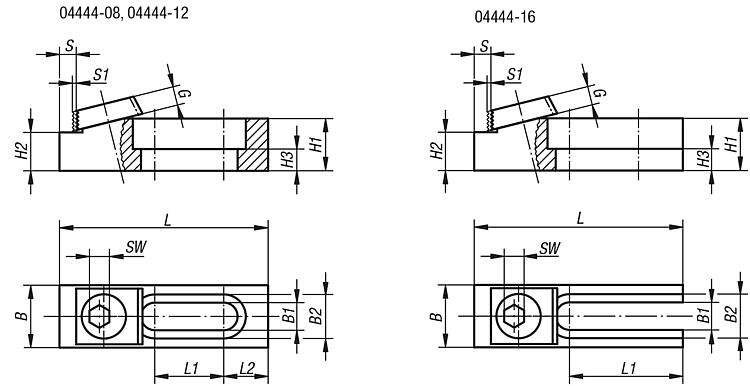
DescriptionMaterial:Steel.Version:Body tempered, black oxidised, riser faces ground.
Square washer case hardened and brass-plated.
Note:Also called multi-fixture clamps and stops.
Cost-effective custom made clamping fixtures can be produced using the adjustable riser cam clamps together with the matching riser stops.
On request:Replacement cam screws.
DownloadHere is all the information as a PDF datasheet:

Are you looking for CAD data? These can be found directly in the product table.
 Datasheet 04444 Cam clamps adjustable with riser 191 kB

Drawings

Cam clamps adjustable with riser

Item selection/filter

Order No.suitable
fastening
screw
LL1L2BB1B2H1H2H3SS1GSWLong
hole
Clamping
force
kN
Tightening
torque
max. Nm
Accessories NLMCADAcc.PriceOrder
04444-08M863,52113,5198,413,415,911,684 -0,0136,66,31,25,37closed8,92804521-10-1013 on request
04444-12M1295,142,712,728,51319,815,912,192 -0,0136,97,129,58closed17,88804521-10-1216 on request
04444-16M1610746,3-381724,84135,001 -0,013218,32,512,712open26,713504521-10-1624 on request
My norelemE-mailPassword
Shopping cart
Number of items: 0
Amount: 0.00  
shopping cart
欢迎扫描二维码
咨询诺瑞朗官方客服微信
China
苏ICP备20011289号-1  苏公网安备32058502011222 Sitemap Print Recommended Top
Copyright © 2025 norelem. All rights reserved. Tel. +49 71 45/206-44 to 45 · Fax +49 71 45/206-83