|
|
|
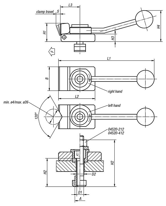
04520Side clamps, steel with tension lever and slot key |
go back |
|
|
DescriptionMaterial:Steel.Version:Case-hardened and black oxidised.Note:This is a quick-action side clamp where workpieces are clamped by rotating a cam wheel which exerts pressure on the swivel jaw, simultaneously producing a positive down force. The low-profile design allows workpieces to be machined over the entire top surface without the need to move the the clamp. A spring withdraws the jaw when opened. The clamp can be positioned parallel to the T-slot by mounting on the seating block 02395.Special features: DownloadHere is all the information as a PDF datasheet:
Are you looking for CAD data? These can be found directly in the product table.
|
Drawings (total overview) |
| Order No. | Version 1 | Version 2 | slot dimension A | D1 | D2 | L1 | L2 | L3 | B | H1 | H2 | H3 | H4 | S | F max. kN | CAD | Acc. | Price | Order |
|---|
| 04520-110X1 | left | flat jaw | 10 | M8 | 8,4 | 132 | 50 | 32 | 32 | 20 | 30 | 8 | 40 | 3 | 3,5 |  | | on request | | | 04520-310X1 | right | flat jaw | 10 | M8 | 8,4 | 132 | 50 | 32 | 32 | 20 | 30 | 8 | 40 | 3 | 3,5 |  | | on request | | | 04520-112X1 | left | flat jaw | 12 | M8 | 8,4 | 132 | 50 | 32 | 32 | 20 | 30 | 8 | 40 | 3 | 3,5 |  | | on request | | | 04520-312X1 | right | flat jaw | 12 | M8 | 8,4 | 132 | 50 | 32 | 32 | 20 | 30 | 8 | 40 | 3 | 3,5 |  | | on request | | | 04520-212X1 | left | flat jaw | 12 | M12 | 12,5 | 190 | 72 | 40 | 48 | 38 | 60 | 16 | 62 | 4 | 7 |  | | on request | | | 04520-412X1 | right | flat jaw | 12 | M12 | 12,5 | 190 | 72 | 40 | 48 | 38 | 60 | 16 | 62 | 4 | 7 |  | | on request | | | 04520-314X1 | right | flat jaw | 14 | M8 | 8,4 | 132 | 50 | 32 | 32 | 20 | 30 | 8 | 40 | 3 | 3,5 |  | | on request | | | 04520-114X1 | left | flat jaw | 14 | M8 | 8,4 | 132 | 50 | 32 | 32 | 20 | 30 | 8 | 40 | 3 | 3,5 |  | | on request | | | 04520-214X1 | left | flat jaw | 14 | M12 | 12,5 | 190 | 72 | 40 | 48 | 38 | 40 | 16 | 62 | 4 | 7 |  | | on request | | | 04520-414X1 | right | flat jaw | 14 | M12 | 12,5 | 190 | 72 | 40 | 48 | 38 | 40 | 16 | 62 | 4 | 7 |  | | on request | | | 04520-418X1 | right | flat jaw | 18 | M12 | 12,5 | 190 | 72 | 40 | 48 | 38 | 40 | 16 | 62 | 4 | 7 |  | | on request | | | 04520-218X1 | left | flat jaw | 18 | M12 | 12,5 | 190 | 72 | 40 | 48 | 38 | 40 | 16 | 62 | 4 | 7 |  | | on request | |
|
| Order No. | Version 1 | Version 2 | slot dimension A | D1 | D2 | L1 | L2 | L3 | B | H1 | H2 | H3 | H4 | S | F max. kN | CAD | Acc. | Price | Order |
|---|
| 04520-110X2 | left | Prism jaw | 10 | M8 | 8,4 | 132 | 50 | 32 | 32 | 20 | 30 | 8 | 40 | 3 | 3,5 |  | | on request | | | 04520-310X2 | right | Prism jaw | 10 | M8 | 8,4 | 132 | 50 | 32 | 32 | 20 | 30 | 8 | 40 | 3 | 3,5 |  | | on request | | | 04520-112X2 | left | Prism jaw | 12 | M8 | 8,4 | 132 | 50 | 32 | 32 | 20 | 30 | 8 | 40 | 3 | 3,5 |  | | on request | | | 04520-312X2 | right | Prism jaw | 12 | M8 | 8,4 | 132 | 50 | 32 | 32 | 20 | 30 | 8 | 40 | 3 | 3,5 |  | | on request | | | 04520-212X2 | left | Prism jaw | 12 | M12 | 12,5 | 190 | 72 | 40 | 48 | 38 | 60 | 16 | 62 | 4 | 7 |  | | on request | | | 04520-412X2 | right | Prism jaw | 12 | M12 | 12,5 | 190 | 72 | 40 | 48 | 38 | 60 | 16 | 62 | 4 | 7 |  | | on request | | | 04520-314X2 | right | Prism jaw | 14 | M8 | 8,4 | 132 | 50 | 32 | 32 | 20 | 30 | 8 | 40 | 3 | 3,5 |  | | on request | | | 04520-114X2 | left | Prism jaw | 14 | M8 | 8,4 | 132 | 50 | 32 | 32 | 20 | 30 | 8 | 40 | 3 | 3,5 |  | | on request | | | 04520-214X2 | left | Prism jaw | 14 | M12 | 12,5 | 190 | 72 | 40 | 48 | 38 | 40 | 16 | 62 | 4 | 7 |  | | on request | | | 04520-414X2 | right | Prism jaw | 14 | M12 | 12,5 | 190 | 72 | 40 | 48 | 38 | 40 | 16 | 62 | 4 | 7 |  | | on request | | | 04520-418X2 | right | Prism jaw | 18 | M12 | 12,5 | 190 | 72 | 40 | 48 | 38 | 40 | 16 | 62 | 4 | 7 |  | | on request | | | 04520-218X2 | left | Prism jaw | 18 | M12 | 12,5 | 190 | 72 | 40 | 48 | 38 | 40 | 16 | 62 | 4 | 7 |  | | on request | |
|
Other items in this category |
|
|