|
|
|
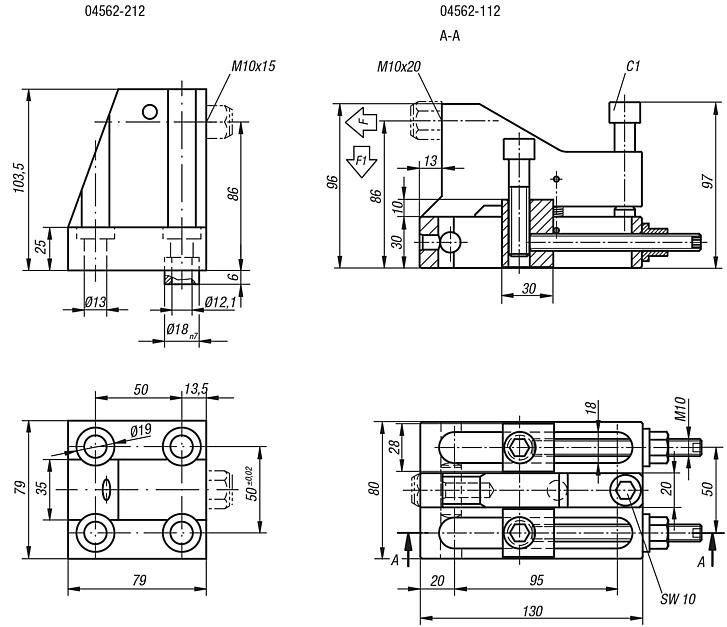
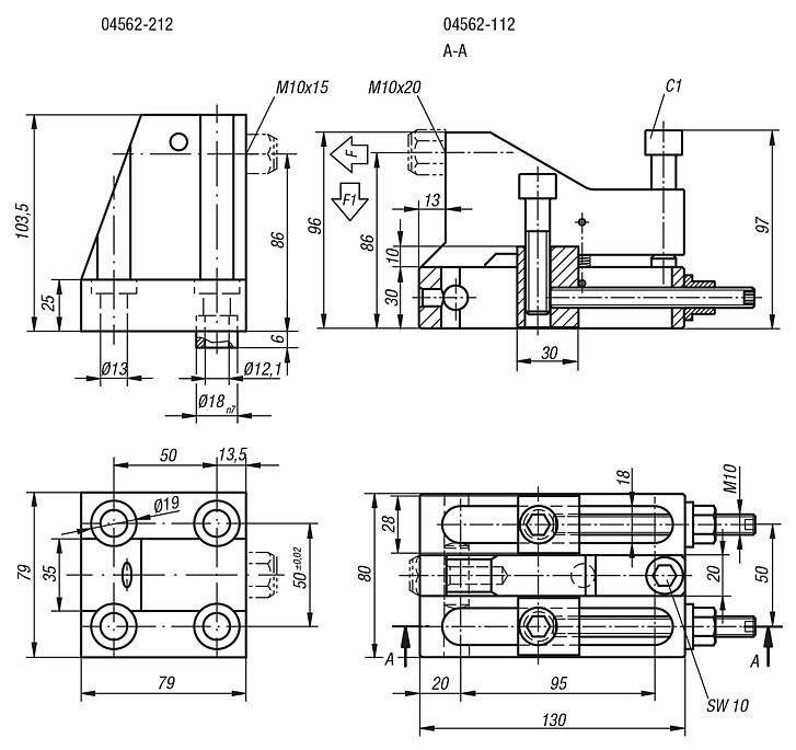
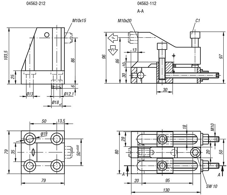
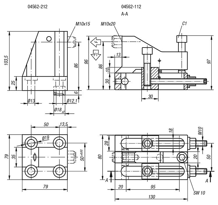
04562Side clamps and side stops, steel |
go back |
|
Item description/product images |
|
|
DescriptionMaterial:Body steel 1.1191.Version:Black oxidised. Centring bush hardened.Note:The unit comprises of an adjustable side clamp and a side stop and are used to clamp workpieces with a simultaneous positive down force. The side clamp has two DIN 913 grub screws which can be set to prevent backward slippage during clamping.Note:(self-aligning pad not supplied)Special features: DownloadHere is all the information as a PDF datasheet:
Are you looking for CAD data? These can be found directly in the product table.
|
Order No. | F N | F1 N | Tightening torque of screw C1 Nm | CAD | Acc. | Price | Order |
|---|
| 04562-112 | 25000 | 5000 | 30 |  | | on request | | | 04562-212 | 22500 | 4500 | 30 |  | | on request | |
Other items in this category |
|
|