norelem uses cookies to optimally design and continually improve the website. By continuing to use this website, you agree to the use of cookies. You can find more information about cookies in our Data protection declaration.okay
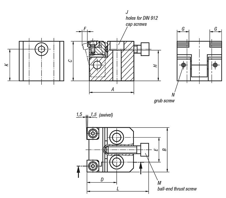
Side clamps, steel with double clamping claw
04578

Side clamps, steel with double clamping claw

go back

Item description/product images

DescriptionMaterial:Body and arm carbon steel.
Jaw tool steel.
Version:Body black oxidised.
Arm and jaw tempered and black oxidised.
Special features:
RoHS
DownloadHere is all the information as a PDF datasheet:

Are you looking for CAD data? These can be found directly in the product table.
 Datasheet 04578 Side clamps 282 kB

Drawings

Side clamps, steel with double clamping claw

Item selection/filter

Order No.

ABCDEFGHJKLMNF=Retaining
force N
Tightening
torque
Nm
CADAcc.PriceOrder
04578-08040045454030255,31231M83262,5M8x35M4x41500025 on request
04578-10050055555040307,11639M104074M10x40M4x42700050 on request
04578-120600656560453582047M124891M12x50M5x53800090 on request
My norelemE-mailPassword
Shopping cart
Number of items: 0
Amount: 0.00  
shopping cart
欢迎扫描二维码
咨询诺瑞朗官方客服微信
China
苏ICP备20011289号-1  苏公网安备32058502011222 Sitemap Print Recommended Top
Copyright © 2025 norelem. All rights reserved. Tel. +49 71 45/206-44 to 45 · Fax +49 71 45/206-83