norelem uses cookies to optimally design and continually improve the website. By continuing to use this website, you agree to the use of cookies. You can find more information about cookies in our Data protection declaration.okay

Item description/product images

Show/filter all items
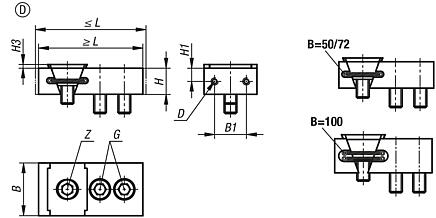
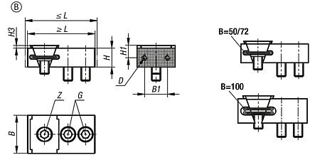
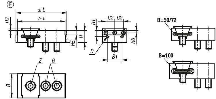
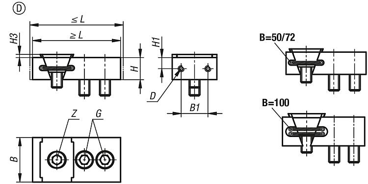
DescriptionProduct description:The functioning principle make the wedge clamps ideal for multi-clamping.
The wedge shape creates high clamping forces.
These wedge clamps set into a T-slot for clamping.
Tightening the clamping screw moves the clamping segments outwards and presses the workpiece against the fixed jaws of the machining fixture.
The wedge has a slightly elongated hole allowing for movement to compensate for tolerances.
Displacement: M12 = ±1.0 mm, M16 = ±1.5 mm.
Material:Double wedge and clamping segments mild steel.Version:Double wedge and clamping segments hardened, phosphated.Note:The two screw-on holes in the clamping faces also enable seating ledges to be mounted so as to optimise the clamping depth of the workpieces.
The underside is carbide-coated. This increases the coefficient of friction.
Supplied withWedge clamps
Fastening screws.
Drawing reference:
Form A: Smooth jaw face
Form B: Serrated jaw face
Form D: With machining allowance
Form E: With jaw pins
DownloadHere is all the information as a PDF datasheet:

Are you looking for CAD data? These can be found directly in the product table.
 Datasheet 04451 Wedge clamps with fixed jaw 191 kB

Drawings (total overview)

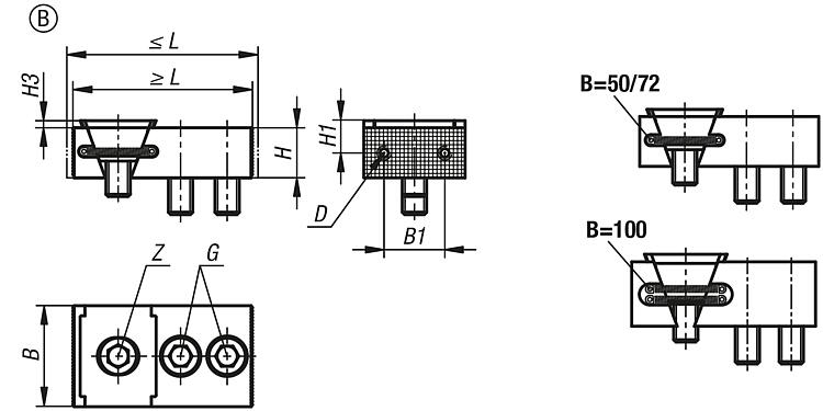
Wedge clamps with fixed jaw

Wedge clamps with fixed jaw, Form A, smooth jaw face

More information

Drawings

Wedge clamps with fixed jaw, Form A, smooth jaw face

Item selection/filter

Order No.FormL
min.
L
max.
B

HB1H1H3D
Internal
thread
G
cap screw
DIN 912
Z
cap screw
DIN 912
Clamping
force
max. kN
Tightening
torque
max. Nm
CADAcc.PriceOrder
04451-0500112A88,594,550253012,53,5M5M12x30M12x253085 on request

Wedge clamps with fixed jaw, Form B, serrated jaw face

More information

Drawings

Wedge clamps with fixed jaw, Form B, serrated jaw face

Item selection/filter

Order No.FormL
min.
L
max.
B

HB1H1H3D
Internal
thread
G
cap screw
DIN 912
Z
cap screw
DIN 912
Clamping
force
max. kN
Tightening
torque
max. Nm
CADAcc.PriceOrder
04451-0500212B88,594,550253012,53,5M5M12x30M12x253085 on request

Wedge clamps with fixed jaw, Form D, with machining allowance

More information

Drawings

Wedge clamps with fixed jaw, Form D, with machining allowance

Item selection/filter

Order No.FormL
min.
L
max.
B

HB1H1H3D
Internal
thread
G
cap screw
DIN 912
Z
cap screw
DIN 912
Clamping
force
max. kN
Tightening
torque
max. Nm
CADAcc.PriceOrder
04451-0500412D98,5104,550253012,53,5M5M12x30M12x253085 on request

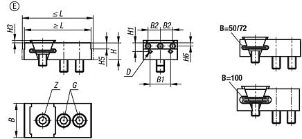
Wedge clamps with fixed jaw, Form E, with jaw pins

More information

Drawings

Wedge clamps with fixed jaw, Form E, with jaw pins

Item selection/filter

Order No.FormL
min.
L
max.
B

HB1B2H1H3H4H5H6D
Internal
thread
G
cap screw
DIN 912
Z
cap screw
DIN 912
Clamping
force
max. kN
Tightening
torque
max. Nm
CADAcc.PriceOrder
04451-0500512E981045025301812,53,5594,75M5M12x30M12x253085 on request
My norelemE-mailPassword
Shopping cart
Number of items: 0
Amount: 0.00  
shopping cart
欢迎扫描二维码
咨询诺瑞朗官方客服微信
China
苏ICP备20011289号-1  苏公网安备32058502011222 Sitemap Print Recommended Top
Copyright © 2025 norelem. All rights reserved. Tel. +49 71 45/206-44 to 45 · Fax +49 71 45/206-83