norelem uses cookies to optimally design and continually improve the website. By continuing to use this website, you agree to the use of cookies. You can find more information about cookies in our Data protection declaration.okay
Adapter plates for draw-down clamping systems
04486-04

Adapter plates for draw-down clamping systems

go back

Item description/product images

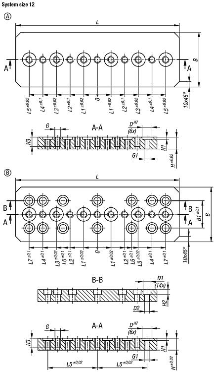
DescriptionProduct description:Adapter plate for flexible use of clamping elements and fixed stops in T-slots.Material:Steel.Version:Black oxidised.Note:The adapter plates can be fastened using various interfaces.

Users can customise the versions that have not been drilled to suit their applications.
Advantages:- Fine adjustment in T-slots.
- Sturdy version.
Drawing reference:
Form A: not drilled
Form B: drilled
Special features:
RoHS
DownloadHere is all the information as a PDF datasheet:

Are you looking for CAD data? These can be found directly in the product table.
 Datasheet 04486-04 Adapter plates for draw-down clamping systems 438 kB

Drawings (total overview)

Adapter plates for draw-down clamping systems
Adapter plates for draw-down clamping systems

Adapter plates for draw-down clamping systems, System size 12

More information

Drawings

Adapter plates for draw-down clamping systems, System size 12

Item selection/filter

Order No.SizeFormBB1D

D1D2GG1HH1H2H3LL1L2L3L4L5L6L7CADAcc.PriceOrder
04486-04-123001000Systemgröße 12A100-25--M12M12305,5-24300255075100125-- on request
04486-04-123001001Systemgröße 12B10050252013M12M12305,512,62430025507510012563125 on request

Adapter plates for draw-down clamping systems, System size 16

More information

Drawings

Adapter plates for draw-down clamping systems, System size 16

Item selection/filter

Order No.SizeFormBB1D

D1D2GG1HH1H2LL1L2L3L4L5L6L7L8L9L10CADAcc.PriceOrder
04486-04-164401000Systemgröße 16A100-25--M16M16305,5-4404080120160200----- on request
04486-04-164401001Systemgröße 16B10050252013M16M16305,512,6440408012016020063100125150189 on request
My norelemE-mailPassword
Shopping cart
Number of items: 0
Amount: 0.00  
shopping cart
欢迎扫描二维码
咨询诺瑞朗官方客服微信
China
苏ICP备20011289号-1  苏公网安备32058502011222 Sitemap Print Recommended Top
Copyright © 2025 norelem. All rights reserved. Tel. +49 71 45/206-44 to 45 · Fax +49 71 45/206-83