norelem uses cookies to optimally design and continually improve the website. By continuing to use this website, you agree to the use of cookies. You can find more information about cookies in our Data protection declaration.okay
Clamp straps with adjustment unit
04200

Clamp straps with adjustment unit

go back

Item description/product images

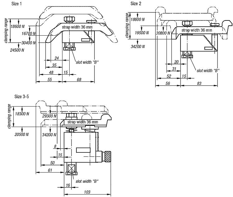
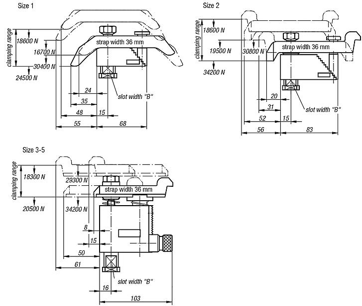
DescriptionMaterial:Base, ductile iron.
Clamp strap and clamping screw carbon steel.
Version:Black oxidised.Note:These clamp strap modules are universal, flexible clamps constructed from individual components building a compact unit. There are no loose parts which first have to be altered for a clamping operation. The compact design allows these clamps to be placed close to the workpiece enabling the full area of the machine table to be used.Special features:
RoHS
DownloadHere is all the information as a PDF datasheet:

Are you looking for CAD data? These can be found directly in the product table.
 Datasheet 04200 Clamp straps with adjustment unit 294 kB

Drawings

Clamp straps with adjustment unit
Clamp straps with adjustment unit

Overview of items (compressed)

Item selection/filter
Order No.

SizeClamp rangeSlot width B
DIN 650
Filter
04200-10X10-3512/14/16/18
04200-20X225-8512/14/16/18
04200-30X380-13712/14/16/18
04200-40X4125-22412/14/16/18
04200-50X5160-30012/14/16/18
My norelemE-mailPassword
Shopping cart
Number of items: 0
Amount: 0.00  
shopping cart
欢迎扫描二维码
咨询诺瑞朗官方客服微信
China
苏ICP备20011289号-1  苏公网安备32058502011222 Sitemap Print Recommended Top
Copyright © 2025 norelem. All rights reserved. Tel. +49 71 45/206-44 to 45 · Fax +49 71 45/206-83