norelem uses cookies to optimally design and continually improve the website. By continuing to use this website, you agree to the use of cookies. You can find more information about cookies in our Data protection declaration.okay

Item description/product images

DescriptionMaterial:Carbon steel.Version:Clamping element nickel-plated.
Clamping bolt tempered and nickel-plated.
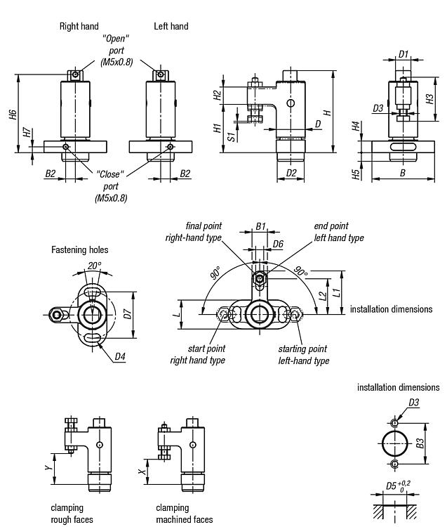
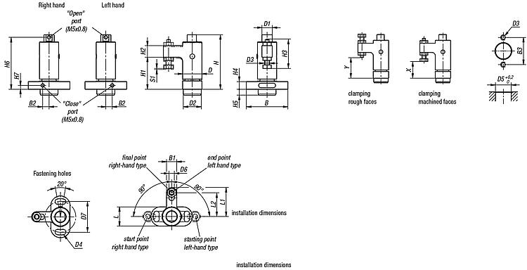
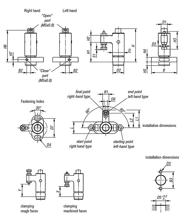
Note:The pneumatic swing clamp is suitable for clamping workpieces from above. The swivel and clamping function occurs pneumatically. The swivel function enables unobstructed insertion and removal of the workpiece. Optimum accessibility to the workpiece is guaranteed. The foot of the housing offers universal fastening possibilities, enabling the swing clamp to be optimally aligned with the workpiece being clamped. The swing clamps are available in left or right swivelling versions.
Pneumatic swing clamps can also be placed in multiple positions on the workpiece and operated in a particular order. They can be controlled manually or automatically.

The clamping force and retaining force indicated are based on 0.5 MPa.
Special features:
RoHS
DownloadHere is all the information as a PDF datasheet:

Are you looking for CAD data? These can be found directly in the product table.
 Datasheet 04365 Swing clamp pneumatic 386 kB

Drawings

Swing clamp pneumatic
Swing clamp pneumatic

Item selection/filter

Order No.Version 1BB1B2B3D

D1D2D3D4D5D6D7HH1H2CADAcc.PriceOrder
04365-13945right65161048301628M88,4288,448855018 on request
04365-03945left65161048301628M88,4288,448855018 on request
04365-15155right85201364402235M1010,53510,4641066522 on request
04365-05155left85201364402235M1010,53510,4641066522 on request
Order No.H3

H4H5H6H7LL1L2S1
(travel)
F=Retaining
force N
Holding
force
F kN
Operating
pressure
MPa
X
min.
X
max.
Y
min.
Y
max.
CADAcc.PriceOrder
04365-1394545,51298163045371,24000,80,3 - 0,732,53933,540 on request
04365-0394545,51298163045371,24000,80,3 - 0,732,53933,540 on request
04365-1515557151110184055451,66501,30,3 - 0,741,5514453,5 on request
04365-0515557151110184055451,66501,30,3 - 0,741,5514453,5 on request
My norelemE-mailPassword
Shopping cart
Number of items: 0
Amount: 0.00  
shopping cart
欢迎扫描二维码
咨询诺瑞朗官方客服微信
China
苏ICP备20011289号-1  苏公网安备32058502011222 Sitemap Print Recommended Top
Copyright © 2025 norelem. All rights reserved. Tel. +49 71 45/206-44 to 45 · Fax +49 71 45/206-83