norelem uses cookies to optimally design and continually improve the website. By continuing to use this website, you agree to the use of cookies. You can find more information about cookies in our Data protection declaration.okay

Item description/product images

Show/filter all items
DescriptionMaterial:Casing high-tensile aluminium.
Clamping arm steel.
Version:Clamping arm black oxidised.Note:The mini clamp is characterised by its small dimensions, positioning accuracy of the clamping arm and light construction. Mini clamps are fully self-limiting. The clamping force is guaranteed even when the pressure is removed through the over dead-centre position of the toggle lever on the clamping arm. The permanent lubrication and special bearing bushings make the mini clamps maintenance-free. They can be operated using dry, oil-free air.On request:Clamping arm without holes.
Special features:
RoHS
DownloadHere is all the information as a PDF datasheet:

Are you looking for CAD data? These can be found directly in the product table.
 Datasheet 05650 Mini clamps 306 kB

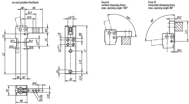
Drawings (total overview)

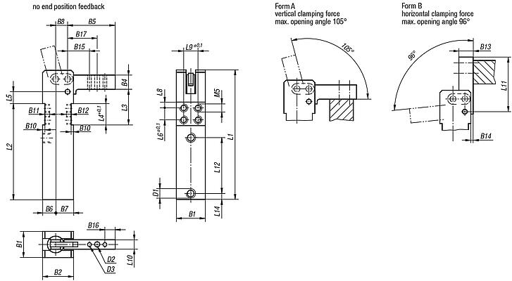
Mini clamps
Mini clamps

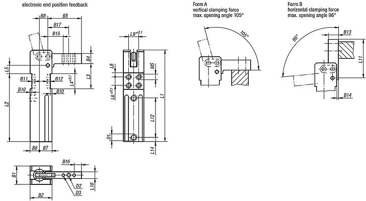
Mini clamps with electronic end position feedback (magnetic switch)

More information

Drawings

Mini clamps with electronic end position feedback (magnetic switch)
Mini clamps with electronic end position feedback (magnetic switch)

Overview of items (compressed)

Item selection/filter
Order No.
Form A
Order No.
Form B
Size

Tightening torque
Nm
at 5 bar
Retaining
torque
Nm
Operating pressure
bar with
oil-free air
Max pressure
bar with
oil-free air
B1B2B4B5B6B7B8B10B11B12B13B14Filter
05650-050011105650-0500121282556263215501418122,557122
05650-090011105650-0900121315545630391860172215368163
05650-100011105650-1000121425755635452275202518468184
Order No.
Form A
Order No.
Form B
Size

B15B16B17D1

D2D3L1L2L3L4L5L6L8L9L10L11L12L14Filter
05650-050011105650-0500121228636M55,541239627,5207,51051610505712
05650-090011105650-0900121332842G1/86,551581204025141552012606915
05650-100011105650-10001214401052,5G1/88,561821364728171852516758017,5

Mini clamps without end position feedback

More information

Drawings

Mini clamps without end position feedback

Overview of items (compressed)

Item selection/filter
Order No.
Form A
Order No.
Form B
Size

Tightening torque
Nm
at 5 bar
Retaining
torque
Nm
Operating pressure
bar with
oil-free air
Max pressure
bar with
oil-free air
B1B2B4B5B6B7B8B10B11B12B13B14Filter
05650-050041105650-0500421282556263215501418122,557122
05650-090041105650-0900421315545630391860172215368163
05650-100041105650-1000421425755635452275202518468184
Order No.
Form A
Order No.
Form B
Size

B15B16B17D1

D2D3L1L2L3L4L5L6L8L9L10L11L12L14Filter
05650-050041105650-0500421228636M55,541239627,5207,51051610505712
05650-090041105650-0900421332842G1/86,551581204025141552012606915
05650-100041105650-10004214401052,5G1/88,561821364728171852516758017,5
My norelemE-mailPassword
Shopping cart
Number of items: 0
Amount: 0.00  
shopping cart
欢迎扫描二维码
咨询诺瑞朗官方客服微信
China
苏ICP备20011289号-1  苏公网安备32058502011222 Sitemap Print Recommended Top
Copyright © 2025 norelem. All rights reserved. Tel. +49 71 45/206-44 to 45 · Fax +49 71 45/206-83