|
|
|
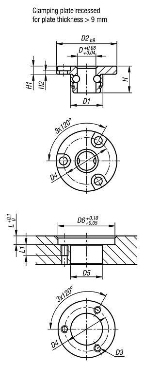
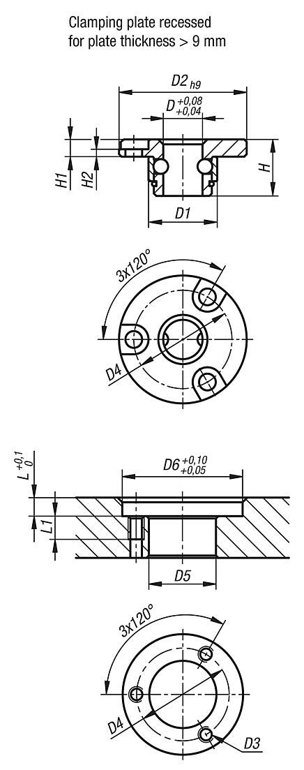
05592-30Steel clamping plates for quarter-turn clamp locks |
go back |
|
Item description/product images |
|
|
DescriptionMaterial:Note:Stainless steel M3 fastening screws are included. Mounting option for plate thickness starting from 9 mm.Accessory:quarter-turn clamp lock 05592-10.Special features: DownloadHere is all the information as a PDF datasheet:
Are you looking for CAD data? These can be found directly in the product table.
|
| Order No. | D | D1 | D2 | D3 | D4 | D5 | D6 | H | H1 | H2 | L | L1 | CAD | Acc. | Price | Order |
|---|
| 05592-30-801 | 8 | 14 | 26 | M3x0,5 | 20 | 14,5 | 26 | 11,5 | 3,5 | 1,5 | 4 | 5 |  | | on request | |
Other items in this category |
|
|