|
|
|
05592-50Quarter turn latches |
go back |
|
|
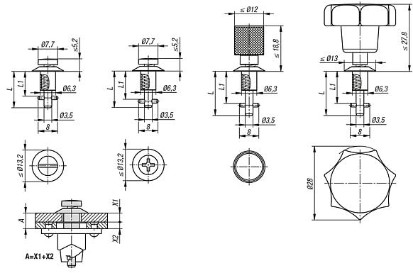
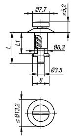
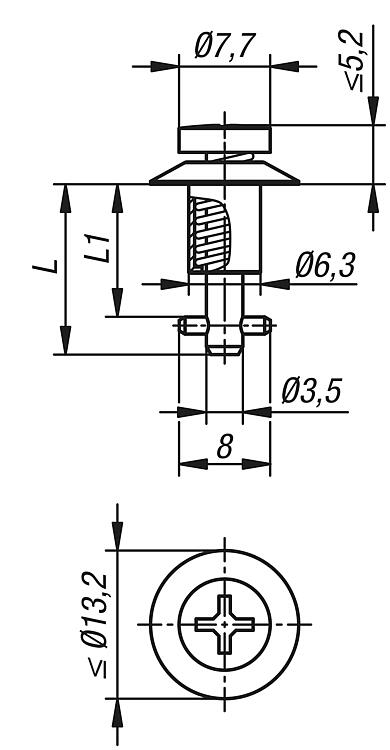
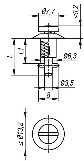
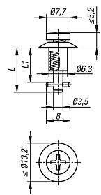
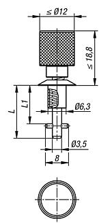
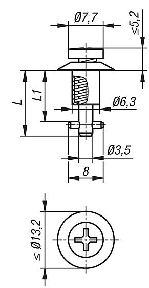
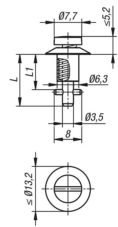
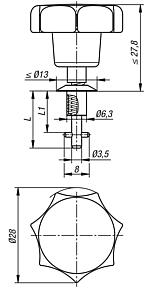
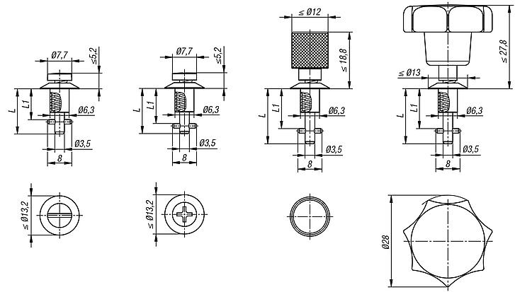
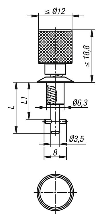
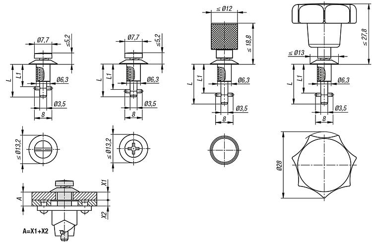
DescriptionMaterial:Steel.Version:Electro zinc-plated.Note:Quarter-turn latches for securely holding and locking hatches, container lids, machine covers and similar. The lock is closed or opened by turning it through 90°. This moves the cross pin in the locking bolt through a curve in the bottom part of the lock, thus tensioning the spring. At the end point of the curve there is a little recess in which the cross pin engages. The pretensioning force generated in the lock by the spring ensures that the connection is held securely despite any vibrations.
All components in the locking system (locking bolt, retaining washer and bottom part) are captive components which are joined to the cover or the frame.
They are operated through a slot, cross slot, or without tools using a knurled knob or star grip.
The quarter turn latch always consists of a 1/4 turn lock, retaining washer and lock bottom part. (Please order the retaining washer and lock bottom part separately).Technical data:Maximum tractive force 1300 N.Assembly:A hole of 8 mm is drilled through the cover, the bolt with cross pin are pushed through and secured to the retaining washer from the rear. A 13 mm centre hole is drilled in the frame, with two mounting holes which depend on the hole pattern in the bottom part.Accessory:Retaining washers 05592-51. Lock bottom part 05592-52.Special features: DownloadHere is all the information as a PDF datasheet:
Are you looking for CAD data? These can be found directly in the product table.
|
Drawings (total overview) |
| Order No. | A | L | L1 | CAD | Acc. | Price | Order |
|---|
| 05592-50-111015 | 0,75 - 1,50 | 14,95 | 10,15 |  | | on request | | | 05592-50-111090 | 1,50 - 2,25 | 14,95 | 10,9 |  | | on request | | | 05592-50-111165 | 2,25 - 3,00 | 14,95 | 11,65 |  | | on request | | | 05592-50-111240 | 3,00 - 3,75 | 17,2 | 12,4 |  | | on request | | | 05592-50-111315 | 3,75 - 4,50 | 17,2 | 13,15 |  | | on request | | | 05592-50-111390 | 4,50 - 5,25 | 17,2 | 13,9 |  | | on request | | | 05592-50-111465 | 5,25 - 6,00 | 19,45 | 14,65 |  | | on request | | | 05592-50-111540 | 6,00 - 6,75 | 19,45 | 15,4 |  | | on request | | | 05592-50-111615 | 6,75 - 7,50 | 19,45 | 16,15 |  | | on request | | | 05592-50-111690 | 7,50 - 8,25 | 21,7 | 16,9 |  | | on request | | | 05592-50-111765 | 8,25 - 9,00 | 21,7 | 17,65 |  | | on request | | | 05592-50-111840 | 9,00 - 9,75 | 21,7 | 18,4 |  | | on request | | | 05592-50-111915 | 9,75 - 10,50 | 23,95 | 19,15 |  | | on request | | | 05592-50-111990 | 10,50 - 11,25 | 23,95 | 19,9 |  | | on request | | | 05592-50-112065 | 11,25 - 12,00 | 23,95 | 20,65 |  | | on request | | | 05592-50-112140 | 12,00 - 12,75 | 26,2 | 21,4 |  | | on request | | | 05592-50-112215 | 12,75 - 13,50 | 26,2 | 22,15 |  | | on request | | | 05592-50-112290 | 13,50 - 14,25 | 26,2 | 22,9 |  | | on request | | | 05592-50-112365 | 14,25 - 15,00 | 28,45 | 23,65 |  | | on request | | | 05592-50-112440 | 15.00 - 15,75 | 28,45 | 24,4 |  | | on request | | | 05592-50-112515 | 15,75 - 16,50 | 28,45 | 25,15 |  | | on request | | | 05592-50-112590 | 16,50 - 17,25 | 30,7 | 25,9 |  | | on request | | | 05592-50-112665 | 17,25 - 18,00 | 30,7 | 26,65 |  | | on request | | | 05592-50-112740 | 18,00 - 18,75 | 30,7 | 27,4 |  | | on request | | | 05592-50-112815 | 18,75 - 19,50 | 32,95 | 28,15 |  | | on request | | | 05592-50-112890 | 19,50 - 20,25 | 32,95 | 28,9 |  | | on request | | | 05592-50-112965 | 20,25 - 21 | 32,95 | 29,65 |  | | on request | |
|
| Order No. | A | L | L1 | CAD | Acc. | Price | Order |
|---|
| 05592-50-211015 | 0,75 - 1,50 | 14,95 | 10,15 |  | | on request | | | 05592-50-211090 | 1,50 - 2,25 | 14,95 | 10,9 |  | | on request | | | 05592-50-211165 | 2,25 - 3,00 | 14,95 | 11,65 |  | | on request | | | 05592-50-211240 | 3,00 - 3,75 | 17,2 | 12,4 |  | | on request | | | 05592-50-211315 | 3,75 - 4,50 | 17,2 | 13,15 |  | | on request | | | 05592-50-211390 | 4,50 - 5,25 | 17,2 | 13,9 |  | | on request | | | 05592-50-211465 | 5,25 - 6,00 | 19,45 | 14,65 |  | | on request | | | 05592-50-211540 | 6,00 - 6,75 | 19,45 | 15,4 |  | | on request | | | 05592-50-211615 | 6,75 - 7,50 | 19,45 | 16,15 |  | | on request | | | 05592-50-211690 | 7,50 - 8,25 | 21,7 | 16,9 |  | | on request | | | 05592-50-211765 | 8,25 - 9,00 | 21,7 | 17,65 |  | | on request | | | 05592-50-211840 | 9,00 - 9,75 | 21,7 | 18,4 |  | | on request | | | 05592-50-211915 | 9,75 - 10,50 | 23,95 | 19,15 |  | | on request | | | 05592-50-211990 | 10,50 - 11,25 | 23,95 | 19,9 |  | | on request | | | 05592-50-212065 | 11,25 - 12,00 | 23,95 | 20,65 |  | | on request | | | 05592-50-212140 | 12,00 - 12,75 | 26,2 | 21,4 |  | | on request | | | 05592-50-212215 | 12,75 - 13,50 | 26,2 | 22,15 |  | | on request | | | 05592-50-212290 | 13,50 - 14,25 | 26,2 | 22,9 |  | | on request | | | 05592-50-212365 | 14,25 - 15,00 | 28,45 | 23,65 |  | | on request | | | 05592-50-212440 | 15.00 - 15,75 | 28,45 | 24,4 |  | | on request | | | 05592-50-212515 | 15,75 - 16,50 | 28,45 | 25,15 |  | | on request | | | 05592-50-212590 | 16,50 - 17,25 | 30,7 | 25,9 |  | | on request | | | 05592-50-212665 | 17,25 - 18,00 | 30,7 | 26,65 |  | | on request | | | 05592-50-212740 | 18,00 - 18,75 | 30,7 | 27,4 |  | | on request | | | 05592-50-212815 | 18,75 - 19,50 | 32,95 | 28,15 |  | | on request | | | 05592-50-212890 | 19,50 - 20,25 | 32,95 | 28,9 |  | | on request | | | 05592-50-212965 | 20,25 - 21 | 32,95 | 29,65 |  | | on request | |
|
| Order No. | A | L | L1 | CAD | Acc. | Price | Order |
|---|
| 05592-50-311315 | 0,75 - 1,50 | 18,15 | 13,15 |  | | on request | | | 05592-50-311390 | 1,50 - 2,25 | 18,15 | 13,9 |  | | on request | | | 05592-50-311465 | 2,25 - 3,00 | 18,15 | 14,65 |  | | on request | | | 05592-50-311540 | 3,00 - 3,75 | 20,4 | 15,4 |  | | on request | | | 05592-50-311615 | 3,75 - 4,50 | 20,4 | 16,15 |  | | on request | | | 05592-50-311690 | 4,50 - 5,25 | 20,4 | 16,9 |  | | on request | | | 05592-50-311765 | 5,25 - 6,00 | 22,65 | 17,65 |  | | on request | | | 05592-50-311840 | 6,00 - 6,75 | 22,65 | 18,4 |  | | on request | | | 05592-50-311915 | 6,75 - 7,50 | 22,65 | 19,15 |  | | on request | | | 05592-50-311990 | 7,50 - 8,25 | 24,9 | 19,9 |  | | on request | | | 05592-50-312065 | 8,25 - 9,00 | 24,9 | 20,65 |  | | on request | | | 05592-50-312140 | 9,00 - 9,75 | 24,9 | 21,4 |  | | on request | | | 05592-50-312215 | 9,75 - 10,50 | 27,15 | 22,15 |  | | on request | | | 05592-50-312290 | 10,50 - 11,25 | 27,15 | 22,9 |  | | on request | | | 05592-50-312365 | 11,25 - 12,00 | 27,15 | 23,65 |  | | on request | | | 05592-50-312440 | 12,00 - 12,75 | 29,4 | 24,4 |  | | on request | | | 05592-50-312515 | 12,75 - 13,50 | 29,4 | 25,15 |  | | on request | | | 05592-50-312590 | 13,50 - 14,25 | 29,4 | 25,9 |  | | on request | | | 05592-50-312665 | 14,25 - 15,00 | 31,65 | 26,65 |  | | on request | | | 05592-50-312740 | 15.00 - 15,75 | 31,65 | 27,4 |  | | on request | | | 05592-50-312815 | 15,75 - 16,50 | 31,65 | 28,15 |  | | on request | | | 05592-50-312890 | 16,50 - 17,25 | 33,9 | 28,9 |  | | on request | | | 05592-50-312965 | 17,25 - 18,00 | 33,9 | 29,65 |  | | on request | | | 05592-50-313040 | 18,00 - 18,75 | 33,9 | 30,4 |  | | on request | | | 05592-50-313115 | 18,75 - 19,50 | 36,15 | 31,15 |  | | on request | | | 05592-50-313190 | 19,50 - 20,25 | 36,15 | 31,9 |  | | on request | | | 05592-50-313265 | 20,25 - 21 | 36,15 | 32,65 |  | | on request | |
|
| Order No. | A | L | L1 | CAD | Acc. | Price | Order |
|---|
| 05592-50-411315 | 0,75 - 1,50 | 18,15 | 13,15 |  | | on request | | | 05592-50-411390 | 1,50 - 2,25 | 18,15 | 13,9 |  | | on request | | | 05592-50-411465 | 2,25 - 3,00 | 18,15 | 14,65 |  | | on request | | | 05592-50-411540 | 3,00 - 3,75 | 20,4 | 15,4 |  | | on request | | | 05592-50-411615 | 3,75 - 4,50 | 20,4 | 16,15 |  | | on request | | | 05592-50-411690 | 4,50 - 5,25 | 20,4 | 16,9 |  | | on request | | | 05592-50-411765 | 5,25 - 6,00 | 22,65 | 17,65 |  | | on request | | | 05592-50-411840 | 6,00 - 6,75 | 22,65 | 18,4 |  | | on request | | | 05592-50-411915 | 6,75 - 7,50 | 22,65 | 19,15 |  | | on request | | | 05592-50-411990 | 7,50 - 8,25 | 24,9 | 19,9 |  | | on request | | | 05592-50-412065 | 8,25 - 9,00 | 24,9 | 20,65 |  | | on request | | | 05592-50-412140 | 9,00 - 9,75 | 24,9 | 21,4 |  | | on request | | | 05592-50-412215 | 9,75 - 10,50 | 27,15 | 22,15 |  | | on request | | | 05592-50-412290 | 10,50 - 11,25 | 27,15 | 22,9 |  | | on request | | | 05592-50-412365 | 11,25 - 12,00 | 27,15 | 23,65 |  | | on request | | | 05592-50-412440 | 12,00 - 12,75 | 29,4 | 24,4 |  | | on request | | | 05592-50-412515 | 12,75 - 13,50 | 29,4 | 25,15 |  | | on request | | | 05592-50-412590 | 13,50 - 14,25 | 29,4 | 25,9 |  | | on request | | | 05592-50-412665 | 14,25 - 15,00 | 31,65 | 26,65 |  | | on request | | | 05592-50-412740 | 15.00 - 15,75 | 31,65 | 27,4 |  | | on request | | | 05592-50-412815 | 15,75 - 16,50 | 31,65 | 28,15 |  | | on request | | | 05592-50-412890 | 16,50 - 17,25 | 33,9 | 28,9 |  | | on request | | | 05592-50-412965 | 17,25 - 18,00 | 33,9 | 29,65 |  | | on request | | | 05592-50-413040 | 18,00 - 18,75 | 33,9 | 30,4 |  | | on request | | | 05592-50-413115 | 18,75 - 19,50 | 36,15 | 31,15 |  | | on request | | | 05592-50-413190 | 19,50 - 20,25 | 36,15 | 31,9 |  | | on request | | | 05592-50-413265 | 20,25 - 21 | 36,15 | 32,65 |  | | on request | |
|
Other items in this category |
|
|