|
|
|
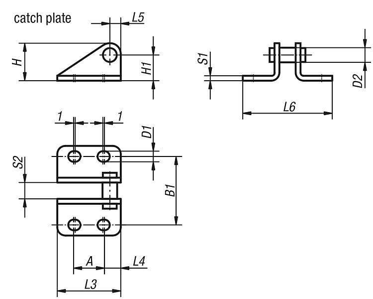
05080Toggle hook clamps and catch plate |
go back |
|
Item description/product images |
|
|
DescriptionMaterial:Lever, foot and catch plate steel plate DD11 1.0332. Hinge pins and hook carbon steel 1.0501.Version:Steel parts electro zinc-plated. Hinge pins and hook tempered. Grip plastic, oil-resistant. DownloadHere is all the information as a PDF datasheet:
Are you looking for CAD data? These can be found directly in the product table.
|
Drawings (total overview) |
|
Order No. | L3 | L4 | L5 | L6 | B1 | H | H1 | A min. | A max. | D1 | D2 | S1 | S2 | CAD | Acc. | Price | Order |
|---|
| 05080-011 | 39 | 10 | 7 | 55 | 42 | 23 | 16 | 17 | 19 | 6,5 | 9 | 3 | 10 |  | | on request | | | 05080-031 | 50 | 9 | 10 | 82 | 59 | 40 | 30 | 30 | 32 | 8,5 | 13 | 4 | 14 |  | | on request | |
|
Other items in this category |
|
|