norelem uses cookies to optimally design and continually improve the website. By continuing to use this website, you agree to the use of cookies. You can find more information about cookies in our Data protection declaration.okay

Item description/product images

Show/filter all items
DescriptionMaterial:Disc handwheel aluminium.
Cylinder grip black thermoset PF 31-DIN 7708.
Hub electro zinc-plated steel.
Version:Wheel rim turned and polished.
On request:Hubs with square socket or powder-coated handwheels.Special features:
RoHS
DownloadHere is all the information as a PDF datasheet:

Are you looking for CAD data? These can be found directly in the product table.
 Datasheet 06275 Handwheels discaluminium 264 kB

Drawings (total overview)

Handwheels discaluminium
Handwheels discaluminium

Handwheels disc, aluminium, without cylinder grip

More information

Drawings

Handwheels disc, aluminium, without cylinder grip
Handwheels disc, aluminium, without cylinder grip

Item selection/filter

Order No.Version 1D1

D2D3L1L3B3
T
CADAcc.PriceOrder
06275-0080X10reamed hole8010H7261631--  on request
06275-0080X12reamed hole8012H7261631--  on request
06275-0100X10reamed hole10010H7311734--  on request
06275-0100X12reamed hole10012H7311734--  on request
06275-0125X12reamed hole12512H7301837--  on request
06275-0125X14reamed hole12514H7301837--  on request
06275-0140X14reamed hole14014H7341934--  on request
06275-0140X15reamed hole14015H7341934--  on request
06275-0160X15reamed hole16015H7402040--  on request
06275-0160X16reamed hole16016H7402040--  on request
06275-0200X18reamed hole20018H7502446--  on request
06275-0200X20reamed hole20020H7502446--  on request
06275-0250X22reamed hole25022H7502849--  on request
06275-0250X24reamed hole25024H7502849--  on request
06275-1080X10reamed hole with slot8010H7261631311,4  on request
06275-1080X12reamed hole with slot8012H7261631413,8  on request
06275-1100X10reamed hole with slot10010H7311734311,4  on request
06275-1100X12reamed hole with slot10012H7311734413,8  on request
06275-1125X12reamed hole with slot12512H7301837413,8  on request
06275-1125X14reamed hole with slot12514H7301837516,3  on request
06275-1140X14reamed hole with slot14014H7341934516,3  on request
06275-1140X15reamed hole with slot14015H7341934517,3  on request
06275-1160X15reamed hole with slot16015H7402040517,3  on request
06275-1160X16reamed hole with slot16016H7402040518,3  on request
06275-1200X18reamed hole with slot20018H7502446620,8  on request
06275-1200X20reamed hole with slot20020H7502446622,8  on request
06275-1250X22reamed hole with slot25022H7502849624,8  on request
06275-1250X24reamed hole with slot25024H7502849827,3  on request

Handwheels disc, aluminium, with fixed cylinder grip

More information

Drawings

Handwheels disc, aluminium, with fixed cylinder grip
Handwheels disc, aluminium, with fixed cylinder grip

Item selection/filter

Order No.Version 1D1D2D3L1L3B3
T
Fixed
cylinder
grip
CADAcc.PriceOrder
06275-2080X10reamed hole8010H7261631--ø18 x M6 x 40  on request
06275-2080X12reamed hole8012H7261631--ø18 x M6 x 40  on request
06275-2100X10reamed hole10010H7311734--ø18 x M6 x 40  on request
06275-2100X12reamed hole10012H7311734--ø18 x M6 x 40  on request
06275-2125X12reamed hole12512H7301837--ø21 x M8 x 50  on request
06275-2125X14reamed hole12514H7301837--ø21 x M8 x 50  on request
06275-2140X14reamed hole14014H7341934--ø21 x M8 x 50  on request
06275-2140X15reamed hole14015H7341934--ø21 x M8 x 50  on request
06275-2160X15reamed hole16015H7402040--ø26 x M10 x 80  on request
06275-2160X16reamed hole16016H7402040--ø26 x M10 x 80  on request
06275-2200X18reamed hole20018H7502446--ø26 x M10 x 80  on request
06275-2200X20reamed hole20020H7502446--ø26 x M10 x 80  on request
06275-2250X22reamed hole25022H7502849--ø28 x M12 x 90  on request
06275-2250X24reamed hole25024H7502849--ø28 x M12 x 90  on request
06275-3080X10reamed hole with slot8010H7261631311,4ø18 x M6 x 40  on request
06275-3080X12reamed hole with slot8012H7261631413,8ø18 x M6 x 40  on request
06275-3100X10reamed hole with slot10010H7311734311,4ø18 x M6 x 40  on request
06275-3100X12reamed hole with slot10012H7311734413,8ø18 x M6 x 40  on request
06275-3125X12reamed hole with slot12512H7301837413,8ø21 x M8 x 50  on request
06275-3125X14reamed hole with slot12514H7301837516,3ø21 x M8 x 50  on request
06275-3140X14reamed hole with slot14014H7341934516,3ø21 x M8 x 50  on request
06275-3140X15reamed hole with slot14015H7341934517,3ø21 x M8 x 50  on request
06275-3160X15reamed hole with slot16015H7402040517,3ø26 x M10 x 80  on request
06275-3160X16reamed hole with slot16016H7402040518,3ø26 x M10 x 80  on request
06275-3200X18reamed hole with slot20018H7502446620,8ø26 x M10 x 80  on request
06275-3200X20reamed hole with slot20020H7502446622,8ø26 x M10 x 80  on request
06275-3250X22reamed hole with slot25022H7502849624,8ø28 x M12 x 90  on request
06275-3250X24reamed hole with slot25024H7502849827,3ø28 x M12 x 90  on request

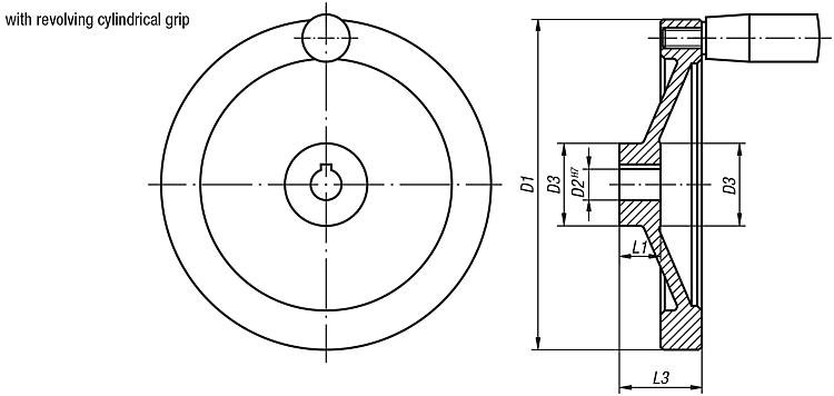
Handwheels disc, aluminium, with revolving cylinder grip

More information

Drawings

Handwheels disc, aluminium, with revolving cylinder grip
Handwheels disc, aluminium, with revolving cylinder grip

Item selection/filter

Order No.Version 1D1D2D3L1L3B3
T
Revolving
cylinder
grip
CADAcc.PriceOrder
06275-4080X10reamed hole8010H7261631--ø18 x M6 x 40  on request
06275-4080X12reamed hole8012H7261631--ø18 x M6 x 40  on request
06275-4100X10reamed hole10010H7311734--ø18 x M6 x 40  on request
06275-4100X12reamed hole10012H7311734--ø18 x M6 x 40  on request
06275-4125X12reamed hole12512H7301837--ø22 x M8 x 56  on request
06275-4125X14reamed hole12514H7301837--ø22 x M8 x 56  on request
06275-4140X14reamed hole14014H7341934--ø22 x M8 x 56  on request
06275-4140X15reamed hole14015H7341934--ø22 x M8 x 56  on request
06275-4160X15reamed hole16015H7402040--ø26 x M10 x 80  on request
06275-4160X16reamed hole16016H7402040--ø26 x M10 x 80  on request
06275-4200X18reamed hole20018H7502446--ø26 x M10 x 80  on request
06275-4200X20reamed hole20020H7502446--ø26 x M10 x 80  on request
06275-4250X22reamed hole25022H7502849--ø31 x M12 x 102  on request
06275-4250X24reamed hole25024H7502849--ø31 x M12 x 102  on request
06275-5080X10reamed hole with slot8010H7261631311,4ø18 x M6 x 40  on request
06275-5080X12reamed hole with slot8012H7261631413,8ø18 x M6 x 40  on request
06275-5100X10reamed hole with slot10010H7311734311,4ø18 x M6 x 40  on request
06275-5100X12reamed hole with slot10012H7311734413,8ø18 x M6 x 40  on request
06275-5125X12reamed hole with slot12512H7301837413,8ø22 x M8 x 56  on request
06275-5125X14reamed hole with slot12514H7301837516,3ø22 x M8 x 56  on request
06275-5140X14reamed hole with slot14014H7341934516,3ø22 x M8 x 56  on request
06275-5140X15reamed hole with slot14015H7341934517,3ø22 x M8 x 56  on request
06275-5160X15reamed hole with slot16015H7402040517,3ø26 x M10 x 80  on request
06275-5160X16reamed hole with slot16016H7402040518,3ø26 x M10 x 80  on request
06275-5200X18reamed hole with slot20018H7502446620,8ø26 x M10 x 80  on request
06275-5200X20reamed hole with slot20020H7502446622,8ø26 x M10 x 80  on request
06275-5250X22reamed hole with slot25022H7502849624,8ø31 x M12 x 102  on request
06275-5250X24reamed hole with slot25024H7502849827,3ø31 x M12 x 102  on request
My norelemE-mailPassword
Shopping cart
Number of items: 0
Amount: 0.00  
shopping cart
欢迎扫描二维码
咨询诺瑞朗官方客服微信
China
苏ICP备20011289号-1  苏公网安备32058502011222 Sitemap Print Recommended Top
Copyright © 2025 norelem. All rights reserved. Tel. +49 71 45/206-44 to 45 · Fax +49 71 45/206-83