|
|
|
06289-10Spoked handwheels, sheet steel, with revolving cylinder grip |
go back |
|
Item description/product images |
|
|
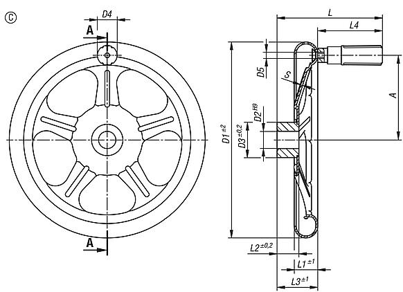
DescriptionProduct description:The handwheel is used for the precise manual positioning and adjustment of shafts and spindles. The robust design is resistant to shocks and impacts. The freely revolving thermoplastic cylinder grip has pleasant haptics, enabling comfortable operation even with prolonged or force-intensive use.Material:Handwheel steel. Cylinder grip thermoplastic. Cylinder grip pin steel grade 5.8. Countersunk screw with hex socket steel grade 8.8.Version:Handwheel powder coated black RAL 9005. Cylinder grip black-grey RAL 7021. Cylinder grip pin black oxidised. Countersunk screw with hexagon socket, black.Note:Form A: 3 spokes (Ø 125 mm). Form B: 4 spokes (Ø 160 mm, 200 mm). Form C: 5 spokes (Ø 250 mm, 315 mm, 400 mm).
Diameter (D3) correspond to the DIN 950 specifications.Assembly:The cylinder grip is attached to the spoked handwheel using a countersunk screw. The required hex key is not supplied.Supplied withSheet steel spoked handwheel. Revolving steel cylinder grip. DIN EN ISO 10642 steel countersunk screw with hex socket.Special features: DownloadHere is all the information as a PDF datasheet:
Are you looking for CAD data? These can be found directly in the product table.
|
Drawings (total overview) |
Spoked handwheels, sheet steel, with revolving cylinder grip, Form A, 3 spokes |
More information |
| Order No. | Version 1 | Version 2 | Form | Form definition | A | D1 | D2 | D3 | D4 | D5 | L | L1 | L2 | L3 | L4 | S | CAD | Acc. | Price | Order |
|---|
| 06289-10-1125X12 | reamed hole | with handle | A | 3-spoke | 52 | 125 | 12H9 | 30 | 16 | M5 | 78 | 18 | 18 | 29 | 49,1 | 1,5 |  | | on request | | | 06289-10-1125X14 | reamed hole | with handle | A | 3-spoke | 52 | 125 | 14H9 | 30 | 16 | M5 | 78 | 18 | 18 | 29 | 49,1 | 1,5 |  | | on request | |
|
Spoked handwheels, sheet steel, with revolving cylinder grip, Form B, 4 spokes |
More information |
| Order No. | Version 1 | Version 2 | Form | Form definition | A | D1 | D2 | D3 | D4 | D5 | L | L1 | L2 | L3 | L4 | S | CAD | Acc. | Price | Order |
|---|
| 06289-10-1160X14 | reamed hole | with handle | B | 4-spoke | 67 | 160 | 14H9 | 30 | 20 | M6 | 98 | 22 | 20 | 37 | 61,4 | 1,5 |  | | on request | | | 06289-10-1160X16 | reamed hole | with handle | B | 4-spoke | 67 | 160 | 16H9 | 30 | 20 | M6 | 98 | 22 | 20 | 37 | 61,4 | 1,5 |  | | on request | | | 06289-10-1200X18 | reamed hole | with handle | B | 4-spoke | 87 | 200 | 18H9 | 40 | 20 | M6 | 107 | 22 | 24 | 46 | 61,4 | 2 |  | | on request | | | 06289-10-1200X22 | reamed hole | with handle | B | 4-spoke | 87 | 200 | 22H9 | 40 | 20 | M6 | 107 | 22 | 24 | 46 | 61,4 | 2 |  | | on request | |
|
Spoked handwheels, sheet steel, with revolving cylinder grip, Form C, 5 spokes |
More information |
| Order No. | Version 1 | Version 2 | Form | Form definition | A | D1 | D2 | D3 | D4 | D5 | L | L1 | L2 | L3 | L4 | S | CAD | Acc. | Price | Order |
|---|
| 06289-10-1250X22 | reamed hole | with handle | C | 5-spoke | 108 | 250 | 22H9 | 45 | 25 | M8 | 135 | 30 | 28 | 52 | 82,5 | 2,5 |  | | on request | | | 06289-10-1250X26 | reamed hole | with handle | C | 5-spoke | 108 | 250 | 26H9 | 45 | 25 | M8 | 135 | 30 | 28 | 52 | 82,5 | 2,5 |  | | on request | | | 06289-10-1315X26 | reamed hole | with handle | C | 5-spoke | 138 | 315 | 26H9 | 55 | 25 | M8 | 147 | 35 | 33 | 64 | 82,5 | 2,5 |  | | on request | | | 06289-10-1315X30 | reamed hole | with handle | C | 5-spoke | 138 | 315 | 30H9 | 55 | 25 | M8 | 147 | 35 | 33 | 64 | 82,5 | 2,5 |  | | on request | | | 06289-10-1400X30 | reamed hole | with handle | C | 5-spoke | 180 | 400 | 30H9 | 65 | 25 | M8 | 165 | 40 | 38 | 82 | 82,5 | 3 |  | | on request | |
|
Other items in this category |
|
|