|
|
|
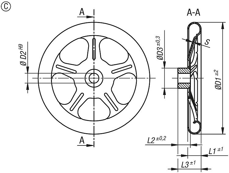
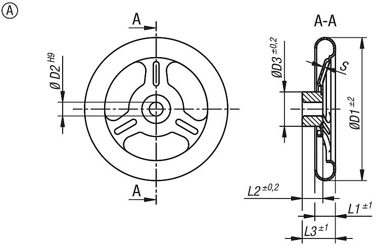
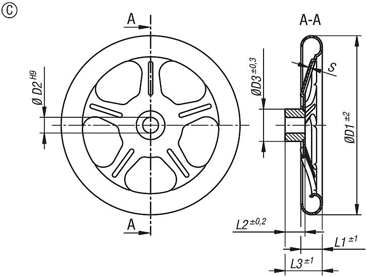
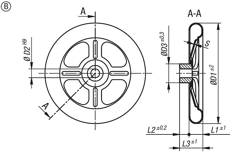
06289-10Spoked handwheels, sheet steel |
go back |
|
|
DescriptionMaterial:Steel.Version:Powder-coated black RAL 9005.Note:Wheel body sheet steel. Hub welded.
Form A: 3-spoke Form B: 4-spoke Form C: 5-spokeSpecial features: DownloadHere is all the information as a PDF datasheet:
Are you looking for CAD data? These can be found directly in the product table.
|
Drawings (total overview) |
| Order No. | Form | Form definition | D1 | D2 | D3 | L1 | L2 | L3 | S | Number of spokes | CAD | Acc. | Price | Order |
|---|
| 06289-10-0125X12 | A | 3-spoke | 125 | 12H9 | 30 | 18 | 18 | 29 | 1,5 | 3 |  | | on request | | | 06289-10-0125X14 | A | 3-spoke | 125 | 14H9 | 30 | 18 | 18 | 29 | 1,5 | 3 |  | | on request | |
|
|
|
Other items in this category |
|
|