norelem uses cookies to optimally design and continually improve the website. By continuing to use this website, you agree to the use of cookies. You can find more information about cookies in our Data protection declaration.okay
Crank handles aluminium cylindrical revolving grip
06503

Crank handles aluminium cylindrical revolving grip

go back

Item description/product images

Show/filter all items
DescriptionMaterial:Crank aluminium.
Cylinder grip thermoplastic and steel.
Version:Crank black powder-coated.
Thermoplastic black grey.
Steel parts black oxidised.
Note:Similar to DIN 469.
Versions with transverse bore are secured using the ISO 4027 (DIN 914) grub screw.
Special features:
RoHS
DownloadHere is all the information as a PDF datasheet:

Are you looking for CAD data? These can be found directly in the product table.
 Datasheet 06503 Crank handles aluminium cylindrical revolving grip 213 kB

Drawings (total overview)

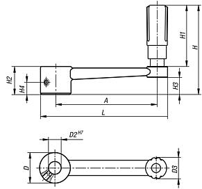
Crank handles aluminium cylindrical revolving grip

Crank handles
cylindrical revolving grip, with reamed hole

More information

Drawings

Crank handles 
cylindrical revolving grip, with reamed hole

Item selection/filter

Order No.Version 1Version 2AD

D2D3D7HH1H2H3H4LCADAcc.PriceOrder
06503-3110reamed holewithout transverse hole80241016-71,149,12213,4-100 on request
06503-3212reamed holewithout transverse hole100281220-87,461,42616-124 on request
06503-3314reamed holewithout transverse hole125301425-110,582,52815,8-153 on request
06503-3417reamed holewithout transverse hole160341725-114,582,53219,6-190 on request
06503-31106reamed holerevolving80241016M671,149,12213,47,5100 on request
06503-32126reamed holerevolving100281220M687,461,426167,5124 on request
06503-33146reamed holerevolving125301426M6111832815,87,5153 on request
06503-34176reamed holerevolving160341726M6115833219,67,5190 on request

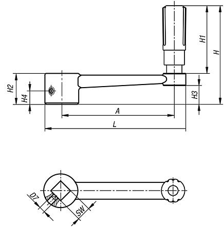
Crank handles
cylindrical revolving grip with square socket

More information

Drawings

Crank handles 
cylindrical revolving grip with square socket

Item selection/filter

Order No.Version 1Version 2AD

D3D7HH1H2H3H4LSWCADAcc.PriceOrder
06503-4110square socketwithout transverse hole802416-71,149,12213,4-10010 on request
06503-4212square socketwithout transverse hole1002820-87,461,42616-12412 on request
06503-4314square socketwithout transverse hole1253025-110,582,52815,8-15314 on request
06503-4417square socketwithout transverse hole1603425-114,582,53219,6-19017 on request
06503-41106square socketrevolving802416M671,149,12213,47,510010 on request
06503-42126square socketrevolving1002820M687,461,426167,512412 on request
06503-43146square socketrevolving1253026M6111832815,87,515314 on request
06503-44176square socketrevolving1603426M6115833219,67,519017 on request
My norelemE-mailPassword
Shopping cart
Number of items: 0
Amount: 0.00  
shopping cart
欢迎扫描二维码
咨询诺瑞朗官方客服微信
China
苏ICP备20011289号-1  苏公网安备32058502011222 Sitemap Print Recommended Top
Copyright © 2025 norelem. All rights reserved. Tel. +49 71 45/206-44 to 45 · Fax +49 71 45/206-83