norelem uses cookies to optimally design and continually improve the website. By continuing to use this website, you agree to the use of cookies. You can find more information about cookies in our Data protection declaration.okay
Disc handwheels, aluminium with revolving cylindrical grip
06278-01

Disc handwheels, aluminium with revolving cylindrical grip

go back

Item description/product images

DescriptionMaterial:Handwheel aluminium.
Cylinder grip and hub cover black thermoplastic.
Cylinder grip pin black oxidised steel.
ISO 4027 grub screw, steel grade 45 H, black.
Version:Black or silver powder-coated.

With reamed hole.
With reamed hole and keyway.
With reamed hole and transverse bore.
With reamed hole, keyway and transverse bore.
Note:Wheel rim radial and axial run-out ≤ 0.4 mm.Assembly:The hub cover and the revolving cylinder grip are supplied unassembled. To assemble, screw the grip into the tapped hole.
The handwheels can be secured to a shaft using a transverse pin or by parallel key connection together with a DIN 6912 cap screw and a handwheel washer 07375.
By the versions with transverse bore, fixation is carried out using an ISO 4027 grub screw.
Accessory:07375 Handwheel washers.
07161 Socket head screws with low head DIN 6912.
Supplied withAluminium handwheel.
Hub cover.
Revolving cylinder grip.
ISO 4027 grub screw (type with transverse bore).
Drawing reference:
1) Position of the transverse bore to the keyway is offset by 90°.
Special features:
RoHS
DownloadHere is all the information as a PDF datasheet:

Are you looking for CAD data? These can be found directly in the product table.
 Datasheet 06278-01 Disc handwheels, aluminium with revolving cylindrical grip 1 MB

Drawings (total overview)

Disc handwheels, aluminium with revolving cylindrical grip
Disc handwheels, aluminium with revolving cylindrical grip

Disc handwheels, aluminium with revolving cylindrical grip, Form A with reamed hole and transverse bore

More information

Drawings

Disc handwheels, aluminium with revolving cylindrical grip, Form A with reamed hole and transverse bore

Item selection/filter

Order No.Main
colour
FormForm definitionAD1

D2D3D4L1L3HH2D7LL2D5CADAcc.PriceOrder
06278-01-0801016blackAreamed hole with tranverse bore2780102613,9162916,65,5M66839M4 on request
06278-01-0801216blackAreamed hole with tranverse bore2780122613,9162916,66,5M66839M4 on request
06278-01-1001016blackAreamed hole with tranverse bore33100102816173317,55,5M68148M5 on request
06278-01-1001216blackAreamed hole with tranverse bore33100122816173317,56,5M68148M5 on request
06278-01-1251216blackAreamed hole with tranverse bore42125123119,9183618,36,5M69660M6 on request
06278-01-1251416blackAreamed hole with tranverse bore42125143119,9183618,36,5M69660M6 on request
06278-01-1401416blackAreamed hole with tranverse bore51140143619,9193919,36,5M69960M6 on request
06278-01-1401616blackAreamed hole with tranverse bore51140163619,9193919,38M69960M6 on request
06278-01-1601416blackAreamed hole with tranverse bore58160143625,2204020,26,5M612181M8 on request
06278-01-1601616blackAreamed hole with tranverse bore58160163625,2204020,28M612181M8 on request
06278-01-2001816blackAreamed hole with tranverse bore73200184225,2244524,38M612681M8 on request
06278-01-2002016blackAreamed hole with tranverse bore73200204225,2244524,38M612681M8 on request
06278-01-0801026silverAreamed hole with tranverse bore2780102613,9162916,65,5M66839M4 on request
06278-01-0801226silverAreamed hole with tranverse bore2780122613,9162916,66,5M66839M4 on request
06278-01-1001026silverAreamed hole with tranverse bore33100102816173317,55,5M68148M5 on request
06278-01-1001226silverAreamed hole with tranverse bore33100122816173317,56,5M68148M5 on request
06278-01-1251226silverAreamed hole with tranverse bore42125123119,9183618,36,5M69660M6 on request
06278-01-1251426silverAreamed hole with tranverse bore42125143119,9183618,36,5M69660M6 on request
06278-01-1401426silverAreamed hole with tranverse bore51140143619,9193919,36,5M69960M6 on request
06278-01-1401626silverAreamed hole with tranverse bore51140163619,9193919,38M69960M6 on request
06278-01-1601426silverAreamed hole with tranverse bore58160143625,2204020,26,5M612181M8 on request
06278-01-1601626silverAreamed hole with tranverse bore58160163625,2204020,28M612181M8 on request
06278-01-2001826silverAreamed hole with tranverse bore73200184225,2244524,38M612681M8 on request
06278-01-2002026silverAreamed hole with tranverse bore73200204225,2244524,38M612681M8 on request

Disc handwheels, aluminium with revolving cylindrical grip, Form B with reamed hole, keyway and transverse bore

More information

Drawings

Disc handwheels, aluminium with revolving cylindrical grip, Form B with reamed hole, keyway and transverse bore
Disc handwheels, aluminium with revolving cylindrical grip, Form B with reamed hole, keyway and transverse bore

Item selection/filter

Order No.Main
colour
FormForm definitionAD1

D2D3D4L1L3HH2D7B3
T
LL2D5CADAcc.PriceOrder
06278-01-080101036blackBreamed hole with slot, with transverse bore2780102613,9162916,65,5M6311,46839M4 on request
06278-01-080121046blackBreamed hole with slot, with transverse bore2780122613,9162916,66,5M6413,86839M4 on request
06278-01-100101036blackBreamed hole with slot, with transverse bore33100102816173317,55,5M6311,48148M5 on request
06278-01-100121046blackBreamed hole with slot, with transverse bore33100122816173317,56,5M6413,88148M5 on request
06278-01-125121046blackBreamed hole with slot, with transverse bore42125123119,9183618,36,5M6413,89660M6 on request
06278-01-125141056blackBreamed hole with slot, with transverse bore42125143119,9183618,36,5M6516,39660M6 on request
06278-01-140141056blackBreamed hole with slot, with transverse bore51140143619,9193919,36,5M6516,39960M6 on request
06278-01-140161056blackBreamed hole with slot, with transverse bore51140163619,9193919,38M6518,39960M6 on request
06278-01-160141056blackBreamed hole with slot, with transverse bore58160143625,2204020,26,5M6516,312181M8 on request
06278-01-160161056blackBreamed hole with slot, with transverse bore58160163625,2204020,28M6518,312181M8 on request
06278-01-200181066blackBreamed hole with slot, with transverse bore73200184225,2244524,38M6620,812681M8 on request
06278-01-200201066blackBreamed hole with slot, with transverse bore73200204225,2244524,38M6622,812681M8 on request
06278-01-080102036silverBreamed hole with slot, with transverse bore2780102613,9162916,65,5M6311,46839M4 on request
06278-01-080122046silverBreamed hole with slot, with transverse bore2780122613,9162916,66,5M6413,86839M4 on request
06278-01-100102036silverBreamed hole with slot, with transverse bore33100102816173317,55,5M6311,48148M5 on request
06278-01-100122046silverBreamed hole with slot, with transverse bore33100122816173317,56,5M6413,88148M5 on request
06278-01-125122046silverBreamed hole with slot, with transverse bore42125123119,9183618,36,5M6413,89660M6 on request
06278-01-125142056silverBreamed hole with slot, with transverse bore42125143119,9183618,36,5M6516,39660M6 on request
06278-01-140142056silverBreamed hole with slot, with transverse bore51140143619,9193919,36,5M6516,39960M6 on request
06278-01-140162056silverBreamed hole with slot, with transverse bore51140163619,9193919,38M6518,39960M6 on request
06278-01-160142056silverBreamed hole with slot, with transverse bore58160143625,2204020,26,5M6516,312181M8 on request
06278-01-160162056silverBreamed hole with slot, with transverse bore58160163625,2204020,28M6518,312181M8 on request
06278-01-200182066silverBreamed hole with slot, with transverse bore73200184225,2244524,38M6620,812681M8 on request
06278-01-200202066silverBreamed hole with slot, with transverse bore73200204225,2244524,38M6622,812681M8 on request

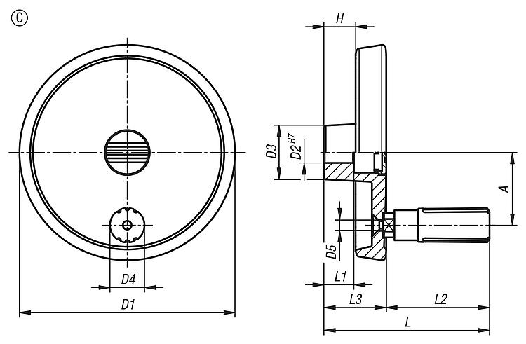
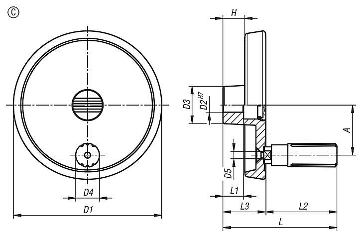
Disc handwheels, aluminium with revolving cylindrical grip, Form C with reamed hole and keyway

More information

Drawings

Disc handwheels, aluminium with revolving cylindrical grip, Form C with reamed hole and keyway
Disc handwheels, aluminium with revolving cylindrical grip, Form C with reamed hole and keyway

Item selection/filter

Order No.Main
colour
FormForm definitionAD1

D2D3D4L1L3HB3
T
LL2D5CADAcc.PriceOrder
06278-01-08010103blackCreamed hole with slot2780102613,9162916,6311,46839M4 on request
06278-01-08012104blackCreamed hole with slot2780122613,9162916,6413,86839M4 on request
06278-01-10010103blackCreamed hole with slot33100102816173317,5311,48148M5 on request
06278-01-10012104blackCreamed hole with slot33100122816173317,5413,88148M5 on request
06278-01-12512104blackCreamed hole with slot42125123119,9183618,3413,89660M6 on request
06278-01-12514105blackCreamed hole with slot42125143119,9183618,3516,39660M6 on request
06278-01-08010203silverCreamed hole with slot2780102613,9162916,6311,46839M4 on request
06278-01-08012204silverCreamed hole with slot2780122613,9162916,6413,86839M4 on request
06278-01-10010203silverCreamed hole with slot33100102816173317,5311,48148M5 on request
06278-01-10012204silverCreamed hole with slot33100122816173317,5413,88148M5 on request
06278-01-12512204silverCreamed hole with slot42125123119,9183618,3413,89660M6 on request
06278-01-12514205silverCreamed hole with slot42125143119,9183618,3516,39660M6 on request

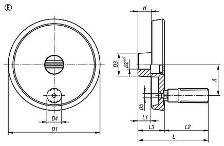
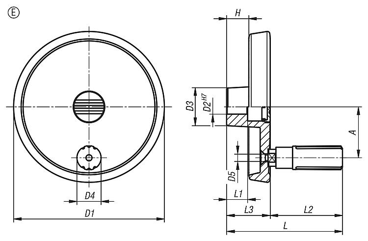
Disc handwheels, aluminium with revolving cylindrical grip, Form E with reamed hole

More information

Drawings

Disc handwheels, aluminium with revolving cylindrical grip, Form E with reamed hole

Item selection/filter

Order No.Main
colour
FormForm definitionAD1

D2D3D4L1L3HLL2D5CADAcc.PriceOrder
06278-01-080101blackEwith reamed hole2780102613,9162916,66839M4 on request
06278-01-080121blackEwith reamed hole2780122613,9162916,66839M4 on request
06278-01-100101blackEwith reamed hole33100102816173317,58148M5 on request
06278-01-100121blackEwith reamed hole33100122816173317,58148M5 on request
06278-01-125121blackEwith reamed hole42125123119,9183618,39660M6 on request
06278-01-125141blackEwith reamed hole42125143119,9183618,39660M6 on request
06278-01-080102silverEwith reamed hole2780102613,9162916,66839M4 on request
06278-01-080122silverEwith reamed hole2780122613,9162916,66839M4 on request
06278-01-100102silverEwith reamed hole33100102816173317,58148M5 on request
06278-01-100122silverEwith reamed hole33100122816173317,58148M5 on request
06278-01-125122silverEwith reamed hole42125123119,9183618,39660M6 on request
06278-01-125142silverEwith reamed hole42125143119,9183618,39660M6 on request
My norelemE-mailPassword
Shopping cart
Number of items: 0
Amount: 0.00  
shopping cart
欢迎扫描二维码
咨询诺瑞朗官方客服微信
China
苏ICP备20011289号-1  苏公网安备32058502011222 Sitemap Print Recommended Top
Copyright © 2025 norelem. All rights reserved. Tel. +49 71 45/206-44 to 45 · Fax +49 71 45/206-83