norelem uses cookies to optimally design and continually improve the website. By continuing to use this website, you agree to the use of cookies. You can find more information about cookies in our Data protection declaration.okay
2-spoke handwheels, aluminium with fold-down cylinder grip
06276-12

2-spoke handwheels, aluminium with fold-down cylinder grip

go back

Item description/product images

DescriptionMaterial:Handwheel aluminium.
Cylinder grip and hub cover black thermoplastic.
Cylinder grip pin black oxidised steel.
ISO 4027 grub screw, steel grade 45 H, black.
Version:Black or silver powder-coated.

With reamed hole.
With reamed hole and keyway.
With reamed hole and transverse bore.
With reamed hole, keyway and transverse bore.
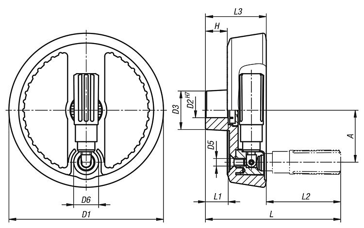
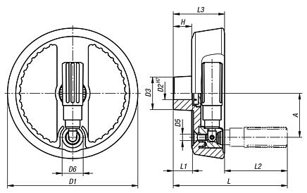
Note:Wheel rim radial and axial run-out ≤ 0.4 mm.Assembly:The hub cover is supplied unassembled.
The handwheels can be secured to a shaft using a transverse pin or by parallel key connection together with a DIN 6912 cap screw and a handwheel washer 07375.
By the versions with transverse bore, fixation is carried out using an ISO 4027 grub screw.
Accessory:07375 Handwheel washers.
07161 Socket head screws with low head DIN 6912.
Supplied withAluminium handwheel.
Hub cover.
Fold-down cylinder grip.
ISO 4027 grub screw (type with transverse bore).
Drawing reference:
1) Position of the transverse bore to the keyway is offset by 90°.
Special features:
RoHS
DownloadHere is all the information as a PDF datasheet:

Are you looking for CAD data? These can be found directly in the product table.
 Datasheet 06276-12 2-spoke handwheels, aluminium with fold-down cylinder grip 883 kB

Drawings (total overview)

2-spoke handwheels, aluminium with fold-down cylinder grip
2-spoke handwheels, aluminium with fold-down cylinder grip

2-spoke handwheels, aluminium, with fold-down cylinder grip, Form A with reamed hole and transverse bore

More information

Drawings

2-spoke handwheels, aluminium, with fold-down cylinder grip, Form A with reamed hole and transverse bore

Item selection/filter

Order No.Main
colour
FormForm definitionAD1

D2D3D4D5D6D7HH2LL1L2L3CADAcc.PriceOrder
06276-12-1251216blackAreamed hole with tranverse bore42125123119,9M620M617,66,5105185649 on request
06276-12-1251416blackAreamed hole with tranverse bore42125143119,9M620M617,66,5105185649 on request
06276-12-1401416blackAreamed hole with tranverse bore50140143619,9M620M620,16,5109195851 on request
06276-12-1401616blackAreamed hole with tranverse bore50140163619,9M620M620,18109195851 on request
06276-12-1601416blackAreamed hole with tranverse bore55160143626M826M617,86,5137208057 on request
06276-12-1601616blackAreamed hole with tranverse bore55160163626M826M617,88137208057 on request
06276-12-2001816blackAreamed hole with tranverse bore73200184225,5M826M623,88144,52481,563 on request
06276-12-2002016blackAreamed hole with tranverse bore73200204225,5M826M623,88144,52481,563 on request
06276-12-1251226silverAreamed hole with tranverse bore42125123119,9M620M617,66,5105185649 on request
06276-12-1251426silverAreamed hole with tranverse bore42125143119,9M620M617,66,5105185649 on request
06276-12-1401426silverAreamed hole with tranverse bore50140143619,9M620M620,16,5109195851 on request
06276-12-1401626silverAreamed hole with tranverse bore50140163619,9M620M620,18109195851 on request
06276-12-1601426silverAreamed hole with tranverse bore55160143626M826M617,86,5137208057 on request
06276-12-1601626silverAreamed hole with tranverse bore55160163626M826M617,88137208057 on request
06276-12-2001826silverAreamed hole with tranverse bore73200184225,5M826M623,88144,52481,563 on request
06276-12-2002026silverAreamed hole with tranverse bore73200204225,5M826M623,88144,52481,563 on request

2-spoke handwheels, aluminium, with fold-down cylinder grip, Form B with reamed hole, keyway and transverse bore

More information

Drawings

2-spoke handwheels, aluminium, with fold-down cylinder grip, Form B with reamed hole, keyway and transverse bore
2-spoke handwheels, aluminium, with fold-down cylinder grip, Form B with reamed hole, keyway and transverse bore

Item selection/filter

Order No.Main
colour
FormForm definitionAB3
D1

D2D3D4D5D6D7HH2LL1L2L3T
CADAcc.PriceOrder
06276-12-125121046blackBreamed hole with slot, with transverse bore424125123119,9M620M617,66,510518564913,8 on request
06276-12-125141056blackBreamed hole with slot, with transverse bore425125143119,9M620M617,66,510518564916,3 on request
06276-12-140141056blackBreamed hole with slot, with transverse bore505140143619,9M620M620,16,510919585116,3 on request
06276-12-140161056blackBreamed hole with slot, with transverse bore505140163619,9M620M620,1810919585118,3 on request
06276-12-160141056blackBreamed hole with slot, with transverse bore555160143626M826M617,86,513720805716,3 on request
06276-12-160161056blackBreamed hole with slot, with transverse bore555160163626M826M617,8813720805718,3 on request
06276-12-200181066blackBreamed hole with slot, with transverse bore736200184225,5M826M623,88144,52481,56320,8 on request
06276-12-200201066blackBreamed hole with slot, with transverse bore736200204225,5M826M623,88144,52481,56322,8 on request
06276-12-125122046silverBreamed hole with slot, with transverse bore424125123119,9M620M617,66,510518564913,8 on request
06276-12-125142056silverBreamed hole with slot, with transverse bore425125143119,9M620M617,66,510518564916,3 on request
06276-12-140142056silverBreamed hole with slot, with transverse bore505140143619,9M620M620,16,510919585116,3 on request
06276-12-140162056silverBreamed hole with slot, with transverse bore505140163619,9M620M620,1810919585118,3 on request
06276-12-160142056silverBreamed hole with slot, with transverse bore555160143626M826M617,86,513720805716,3 on request
06276-12-160162056silverBreamed hole with slot, with transverse bore555160163626M826M617,8813720805718,3 on request
06276-12-200182066silverBreamed hole with slot, with transverse bore736200184225,5M826M623,88144,52481,56320,8 on request
06276-12-200202066silverBreamed hole with slot, with transverse bore736200204225,5M826M623,88144,52481,56322,8 on request

2-spoke handwheels, aluminium, with fold-down cylinder grip, Form C with reamed hole and keyway

More information

Drawings

2-spoke handwheels, aluminium, with fold-down cylinder grip, Form C with reamed hole and keyway
2-spoke handwheels, aluminium, with fold-down cylinder grip, Form C with reamed hole and keyway

Item selection/filter

Order No.Main
colour
FormForm definitionAB3
D1

D2D3D4D5D6HLL1L2L3T
CADAcc.PriceOrder
06276-12-12512104blackCreamed hole with slot424125123119,9M62017,610518564913,8 on request
06276-12-12514105blackCreamed hole with slot425125143119,9M62017,610518564916,3 on request
06276-12-16014105blackCreamed hole with slot555160143626M82617,813720805716,3 on request
06276-12-16016105blackCreamed hole with slot555160163626M82617,813720805718,3 on request
06276-12-12512204silverCreamed hole with slot424125123119,9M62017,610518564913,8 on request
06276-12-12514205silverCreamed hole with slot425125143119,9M62017,610518564916,3 on request
06276-12-16014205silverCreamed hole with slot555160143626M82617,813720805716,3 on request
06276-12-16016205silverCreamed hole with slot555160163626M82617,813720805718,3 on request

2-spoke handwheels, aluminium, with fold-down cylinder grip, Form E with reamed hole

More information

Drawings

2-spoke handwheels, aluminium, with fold-down cylinder grip, Form E with reamed hole

Item selection/filter

Order No.Main
colour
FormForm definitionAD1

D2D3D4D5D6HLL1L2L3CADAcc.PriceOrder
06276-12-125121blackEwith reamed hole42125123119,9M62017,6105185649 on request
06276-12-125141blackEwith reamed hole42125143119,9M62017,6105185649 on request
06276-12-160141blackEwith reamed hole55160143626M82617,8137208057 on request
06276-12-160161blackEwith reamed hole55160163626M82617,8137208057 on request
06276-12-125122silverEwith reamed hole42125123119,9M62017,6105185649 on request
06276-12-125142silverEwith reamed hole42125143119,9M62017,6105185649 on request
06276-12-160142silverEwith reamed hole55160143626M82617,8137208057 on request
06276-12-160162silverEwith reamed hole55160163626M82617,8137208057 on request
My norelemE-mailPassword
Shopping cart
Number of items: 0
Amount: 0.00  
shopping cart
欢迎扫描二维码
咨询诺瑞朗官方客服微信
China
苏ICP备20011289号-1  苏公网安备32058502011222 Sitemap Print Recommended Top
Copyright © 2025 norelem. All rights reserved. Tel. +49 71 45/206-44 to 45 · Fax +49 71 45/206-83