norelem uses cookies to optimally design and continually improve the website. By continuing to use this website, you agree to the use of cookies. You can find more information about cookies in our Data protection declaration.okay

Item description/product images

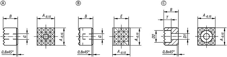
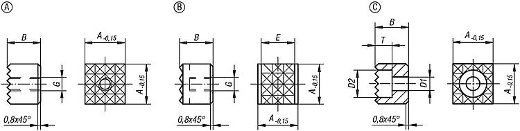
DescriptionMaterial:Hardened tool steel or carbide.Version:Black oxidised.Note:Grippers and inserts are ideal for use in clamping arms, gripping systems, clamping fixtures, clamping jaws and self-aligning pads.
Grippers transfer very high torque values,even with hard materials and surface irregularities. Grippers guarantee above average holding forces at high cutting forces.
The serrated carbide tips are soldered in.
Drawing reference:
Form A: tool steel
Form B: tool steel, carbide diamond grip
Form C: tool steel
Special features:
RoHS
DownloadHere is all the information as a PDF datasheet:

Are you looking for CAD data? These can be found directly in the product table.
 Datasheet 07115 Grippers square 172 kB

Drawings

Grippers square

Item selection/filter

Order No.FormABD1

D2EGTSerrationCADAcc.PriceOrder
07115-1005A1010---M5-extra fine on request
07115-101205A1012---M5-extra fine on request
07115-1205A1210---M5-fine on request
07115-121205A1212---M5-fine on request
07115-1606A1610---M6-fine on request
07115-161206A1612---M6-fine on request
07115-2005A2010---M5-fine on request
07115-201205A2012---M5-fine on request
07115-2506A2510---M6-fine on request
07115-251206A2512---M6-fine on request
07115-12057B1210--10,3M5-fine on request
07115-1210048C12104,58--5,6fine on request
07115-1212048C12124,58--5,6fine on request
07115-1610048C16104,58--5,6fine on request
07115-1612048C16124,58--5,6fine on request
07115-2010058C20105,510--6,6fine on request
07115-2012058C20125,510--6,6fine on request
07115-2510068C25106,611--7,6fine on request
07115-2512068C25126,611--7,6fine on request
My norelemE-mailPassword
Shopping cart
Number of items: 0
Amount: 0.00  
shopping cart
欢迎扫描二维码
咨询诺瑞朗官方客服微信
China
苏ICP备20011289号-1  苏公网安备32058502011222 Sitemap Print Recommended Top
Copyright © 2025 norelem. All rights reserved. Tel. +49 71 45/206-44 to 45 · Fax +49 71 45/206-83