norelem uses cookies to optimally design and continually improve the website. By continuing to use this website, you agree to the use of cookies. You can find more information about cookies in our Data protection declaration.okay
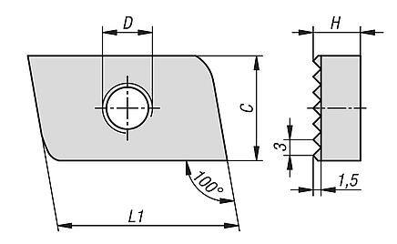
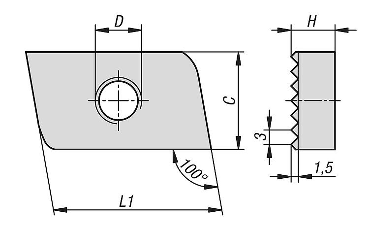
Tapped rectangular plates with toothing
for C-profile mounting rails System 41
07094-11

Tapped rectangular plates with toothing for C-profile mounting...

go back

Item description/product images

DescriptionProduct description:The tapped plates have been specially developed for use with mounting rails.Material:Steel.Version:electro zinc-plated.Note:Tapped plates are used in conjunction with mounting rails. The tapped plates can be inserted into the mounting rail slot and precisely positioned.

When a screw or threaded rod is screwed in, the tapped plates wedge into the profile and create a quick and economical connection without the need for extra securing nuts. The toothing ensures a highly stable and resilient connection even when mounted vertically.

Suitable for System 41 mounting profiles (41/22 and 41/41).
Special features:
RoHS
DownloadHere is all the information as a PDF datasheet:

Are you looking for CAD data? These can be found directly in the product table.
 Datasheet 07094-11 Tapped rectangular plates with toothing for C-profile mounting rails System 41 216 kB

Drawings

Tapped rectangular plates with toothing
for C-profile mounting rails System 41

Item selection/filter

Order No.CD

HL1CADAcc.PriceOrder
07094-11-11410620M6934,5 on request
07094-11-11410820M8934,5 on request
07094-11-11411020M10934,5 on request
07094-11-11411220M12934,5 on request
07094-11-11411620M16934,5 on request
My norelemE-mailPassword
Shopping cart
Number of items: 0
Amount: 0.00  
shopping cart
欢迎扫描二维码
咨询诺瑞朗官方客服微信
China
苏ICP备20011289号-1  苏公网安备32058502011222 Sitemap Print Recommended Top
Copyright © 2025 norelem. All rights reserved. Tel. +49 71 45/206-44 to 45 · Fax +49 71 45/206-83