norelem uses cookies to optimally design and continually improve the website. By continuing to use this website, you agree to the use of cookies. You can find more information about cookies in our Data protection declaration.okay
Spherical washers and conical seats combined steel or stainless steel similar to DIN 6319
07420-10

Spherical washers and conical seats combined steel or stainless...

go back

Item description/product images

DescriptionMaterial:

Steel or stainless steel 1.4301.

Version:Spherical washer steel, case-hardened, hardening depth min. 0.2 mm.
Conical seat steel, hardened and tempered.
Note:Spherical washer and conical seat form a firmly connected and captive unit. Quick and easy assembly.
The overall height is greater than the individual parts in accordance with DIN 6319.
Special features:
RoHS
DownloadHere is all the information as a PDF datasheet:

Are you looking for CAD data? These can be found directly in the product table.
 Datasheet 07420-10 Spherical washers and conical seats combined steel or stainless steel similar to DIN 6319 149 kB

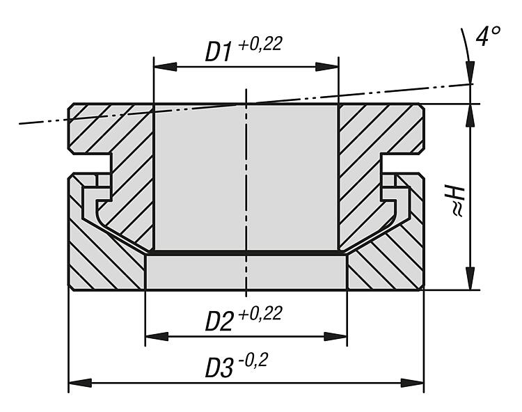
Drawings

Spherical washers and conical seats combined steel or stainless steel similar to DIN 6319

Item selection/filter

Order No.Main
material
D1

D2D3HGLoad rating
max. kN
(static load only)
CADAcc.PriceOrder
07420-10-061steel6,47,4137M69 on request
07420-10-081steel8,49,7178,5M817 on request
07420-10-101steel10,5122110,4M1026 on request
07420-10-121steel1314,22513,1M1238 on request
07420-10-161steel1719,73217M1673 on request
07420-10-201steel2124,64020,3M20117 on request
07420-10-241steel2529,44824,8M24168 on request
07420-10-301steel3136,96031,5M30269 on request
07420-10-062stainless steel A26,47,4137M66 on request
07420-10-082stainless steel A28,49,7178,5M812 on request
07420-10-102stainless steel A210,5122110,4M1016 on request
07420-10-122stainless steel A21314,22513,1M1224 on request
07420-10-162stainless steel A21719,73217M1645 on request
07420-10-202stainless steel A22124,64020,3M2071 on request
07420-10-242stainless steel A22529,44824,8M24105 on request
07420-10-302stainless steel A23136,96031,5M30191 on request
My norelemE-mailPassword
Shopping cart
Number of items: 0
Amount: 0.00  
shopping cart
欢迎扫描二维码
咨询诺瑞朗官方客服微信
China
苏ICP备20011289号-1  苏公网安备32058502011222 Sitemap Print Recommended Top
Copyright © 2025 norelem. All rights reserved. Tel. +49 71 45/206-44 to 45 · Fax +49 71 45/206-83