norelem uses cookies to optimally design and continually improve the website. By continuing to use this website, you agree to the use of cookies. You can find more information about cookies in our Data protection declaration.okay

Item description/product images

DescriptionProduct description:The floating joint unit is a bolt for connecting two components, that permits a desired movement of those components in relation to each other.

The floating joint unit is mainly used when:

- a temperature change alters the dimensions of a component
- assembly inaccuracies occur
- manufacturing tolerances must be compensated for
- the position of the components varies due to dynamic loads
Material:Bolt steel.
Plain bearing high-performance bearing polymer.
O-ring NBR.
Version:Bolt electro zinc-plated.Note:The floating joint unit consists of three components. Bolt, plain bearing and O-ring.

The plain bearing compresses the O-ring when the bolt is screwed into the hole. This occurs by max.the dimension X. The plain bearing will now be seated under the bolt head. The travel is accordingly limited by the installation dimension H +0.2. A floating support is thus always guaranteed.
Temperature range:-20 °C to +80 °C.Assembly:Note on the specified torque:
The torques refer to screwing into steel components. When installing in softer materials, the indentation (setting) of the shaft diameter D2 must be taken into account. A lower torque should be used here. Glue the bolt in place to prevent loosening with lower torques.
Special features:
RoHS
DownloadHere is all the information as a PDF datasheet:

Are you looking for CAD data? These can be found directly in the product table.
 Datasheet 07532 Steel flat head screw with tolerance compensation for floating bearing 326 kB
 Technical information about floating joint units 243 kB

Drawings (total overview)

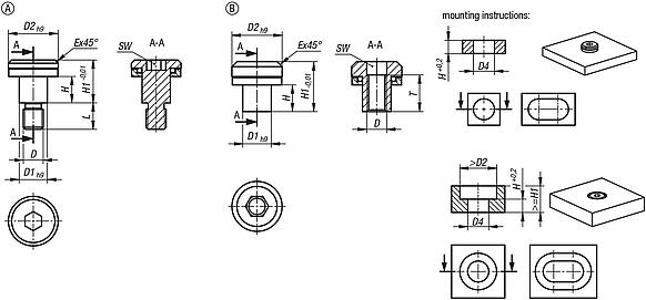
Steel flat head screw with tolerance compensation for floating bearing

Steel flat head screw with tolerance compensation for floating joint, with external thread

More information

Drawings

Steel flat head screw with tolerance compensation for floating joint, with external thread

Item selection/filter

Order No.FormForm definitionDD1

D2EHH1LSWTightening
torque
max. Nm
Max. permitted
axial force
N
CADAcc.PriceOrder
07532-106003004X055Awith external threadM46100,636,55,5321500 on request
07532-106005004X055Awith external threadM46100,658,55,5321500 on request
07532-107005005X065Awith external threadM57120,8596,544,53000 on request
07532-107008005X060Awith external threadM57120,88126,544,53000 on request
07532-108505006X080Awith external threadM68,5151510857,54900 on request
07532-108508006X080Awith external threadM68,5151813857,54900 on request
07532-110506008X100Awith external threadM810,518161210618,56300 on request
07532-110510008X100Awith external threadM810,5181101610618,56300 on request

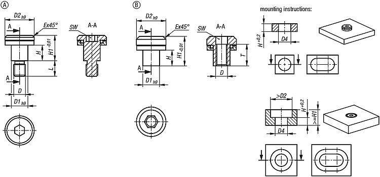
Steel flat head screw with tolerance compensation
for floating joint, with internal thread

More information

Drawings

Steel flat head screw with tolerance compensation 
for floating joint, with internal thread

Item selection/filter

Order No.FormForm definitionDD1

D2EHH1TSWTightening
torque
max. Nm
Max. permitted
axial force
N
CADAcc.PriceOrder
07532-206003004Bwith internal threadM46101385421500 on request
07532-206005004Bwith internal threadM461015107421500 on request
07532-207005005Bwith internal threadM57121,2510,5754,53000 on request
07532-207008005Bwith internal threadM57121,2813,51054,53000 on request
07532-208505006Bwith internal threadM68,5151,5512867,54900 on request
07532-208508006Bwith internal threadM68,5151,58151167,54900 on request
07532-210506008Bwith internal threadM810,518261510818,56300 on request
07532-210510008Bwith internal threadM810,5182101914818,56300 on request
My norelemE-mailPassword
Shopping cart
Number of items: 0
Amount: 0.00  
shopping cart
欢迎扫描二维码
咨询诺瑞朗官方客服微信
China
苏ICP备20011289号-1  苏公网安备32058502011222 Sitemap Print Recommended Top
Copyright © 2025 norelem. All rights reserved. Tel. +49 71 45/206-44 to 45 · Fax +49 71 45/206-83