|
|
|
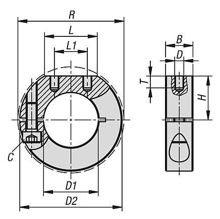
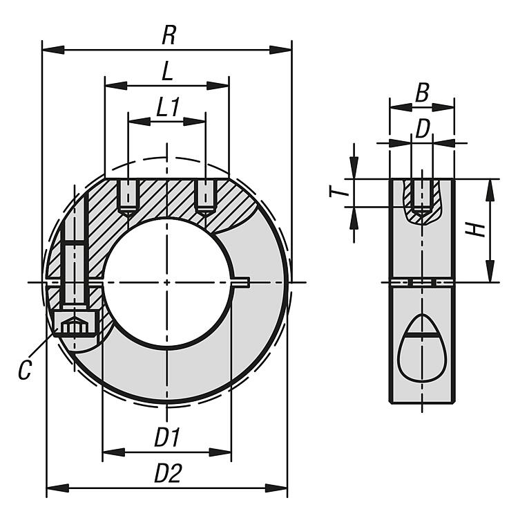
07810-03One-piece shaft collars, steel or stainless steel, slitted... |
go back |
|
Item description/product images |
|
|
DescriptionMaterial:Steel.
Stainless steel 1.4305. Version:Steel black oxidised. Stainless steel bright.Note:One-piece shaft collars with an inner slit and support face surround the shaft with an equal distribution of the clamping force. This leads to a very precise fit and high retaining force without damaging the shaft.
The shaft tolerance should lie within h11.
The tapped mounting holes on the support face of the slitted shaft collars can be used to attach other elements such as shift levers or cams to shafts and axles. They can be mounted easily and securely with strong clamping forces through reduction of the slot thickness without damaging the surface of shafts and axles.Special features: DownloadHere is all the information as a PDF datasheet:
Are you looking for CAD data? These can be found directly in the product table.
|
| Order No. | Main material | Steel code | B | C (DIN 912) | D | D1 | D2 | H | L | L1 | R | T | CAD | Acc. | Price | Order |
|---|
| 07810-03-01001 | steel | 1.0503 | 9 | M3x10 | M3 | 10 | 28 | 12 | 14,5 | 8 | - | 4 |  | | on request | | | 07810-03-01201 | steel | 1.0503 | 11 | M4x12 | M3 | 12 | 30 | 13 | 15 | 8 | 31,8 | 4 |  | | on request | | | 07810-03-01401 | steel | 1.0503 | 11 | M04X14 | M3 | 14 | 32 | 14 | 15 | 9 | 33,9 | 4 |  | | on request | | | 07810-03-01501 | steel | 1.0503 | 13 | M5x16 | M4 | 15 | 36 | 15 | 19,5 | 12 | 39,4 | 5,5 |  | | on request | | | 07810-03-01601 | steel | 1.0503 | 13 | M5x16 | M4 | 16 | 38 | 16 | 20 | 13 | 39,4 | 5,5 |  | | on request | | | 07810-03-01801 | steel | 1.0503 | 13 | M5x16 | M4 | 18 | 40 | 17 | 21 | 12,5 | 42,2 | 5,5 |  | | on request | | | 07810-03-02001 | steel | 1.0503 | 15 | M06X16 | M4 | 20 | 42 | 18 | 21,5 | 14 | 46,4 | 5,5 |  | | on request | | | 07810-03-02201 | steel | 1.0503 | 15 | M06X16 | M4 | 22 | 46 | 20 | 22,5 | 12 | 48,1 | 5,5 |  | | on request | | | 07810-03-02501 | steel | 1.0503 | 15 | M06X16 | M4 | 25 | 48 | 21 | 23 | 12,5 | 50,8 | 5,5 |  | | on request | | | 07810-03-02801 | steel | 1.0503 | 15 | M06X16 | M5 | 28 | 54 | 22,5 | 29 | 18,5 | - | 7 |  | | on request | | | 07810-03-03001 | steel | 1.0503 | 15 | M6x18 | M5 | 30 | 56 | 24 | 28,5 | 18 | 58,6 | 7 |  | | on request | | | 07810-03-03201 | steel | 1.0503 | 15 | M6x18 | M5 | 32 | 58 | 25 | 29 | 18 | 58,6 | 7 |  | | on request | | | 07810-03-03501 | steel | 1.0503 | 15 | M6x18 | M5 | 35 | 60 | 26 | 30 | 20 | 61,6 | 7 |  | | on request | | | 07810-03-03801 | steel | 1.0503 | 15 | M6x18 | M5 | 38 | 66 | 27 | 37 | 27 | - | 7 |  | | on request | | | 07810-03-04001 | steel | 1.0503 | 15 | M6x18 | M5 | 40 | 66 | 27 | 37 | 27 | - | 7 |  | | on request | | | 07810-03-04501 | steel | 1.0503 | 19 | M8x25 | M6 | 45 | 76 | 31 | 41,5 | 28 | 79,4 | 8,5 |  | | on request | | | 07810-03-05001 | steel | 1.0503 | 19 | M8x25 | M6 | 50 | 82 | 34,5 | 43,5 | 29 | 84,2 | 8,5 |  | | on request | | | 07810-03-01002 | stainless steel | 1.4305 | 9 | M3x10 | M3 | 10 | 28 | 12 | 14,5 | 8 | - | 4 |  | | on request | | | 07810-03-01202 | stainless steel | 1.4305 | 11 | M4x12 | M3 | 12 | 30 | 13 | 15 | 8 | 31,8 | 4 |  | | on request | | | 07810-03-01402 | stainless steel | 1.4305 | 11 | M04X14 | M3 | 14 | 32 | 14 | 15 | 9 | 33,9 | 4 |  | | on request | | | 07810-03-01502 | stainless steel | 1.4305 | 13 | M5x16 | M4 | 15 | 36 | 15 | 19,5 | 12 | 39,4 | 5,5 |  | | on request | | | 07810-03-01602 | stainless steel | 1.4305 | 13 | M5x16 | M4 | 16 | 38 | 16 | 20 | 13 | 39,4 | 5,5 |  | | on request | | | 07810-03-01802 | stainless steel | 1.4305 | 13 | M5x16 | M4 | 18 | 40 | 17 | 21 | 12,5 | 42,2 | 5,5 |  | | on request | | | 07810-03-02002 | stainless steel | 1.4305 | 15 | M06X16 | M4 | 20 | 42 | 18 | 21,5 | 14 | 46,4 | 5,5 |  | | on request | | | 07810-03-02202 | stainless steel | 1.4305 | 15 | M06X16 | M4 | 22 | 46 | 20 | 22,5 | 12 | 48,1 | 5,5 |  | | on request | | | 07810-03-02502 | stainless steel | 1.4305 | 15 | M06X16 | M4 | 25 | 48 | 21 | 23 | 12,5 | 50,8 | 5,5 |  | | on request | | | 07810-03-02802 | stainless steel | 1.4305 | 15 | M06X16 | M5 | 28 | 54 | 22,5 | 29 | 18,5 | - | 7 |  | | on request | | | 07810-03-03002 | stainless steel | 1.4305 | 15 | M6x18 | M5 | 30 | 56 | 24 | 28,5 | 18 | 58,6 | 7 |  | | on request | | | 07810-03-03202 | stainless steel | 1.4305 | 15 | M6x18 | M5 | 32 | 58 | 25 | 29 | 18 | 58,6 | 7 |  | | on request | | | 07810-03-03502 | stainless steel | 1.4305 | 15 | M6x18 | M5 | 35 | 60 | 26 | 30 | 20 | 61,6 | 7 |  | | on request | | | 07810-03-03802 | stainless steel | 1.4305 | 15 | M6x18 | M5 | 38 | 66 | 27 | 37 | 27 | - | 7 |  | | on request | | | 07810-03-04002 | stainless steel | 1.4305 | 15 | M6x18 | M5 | 40 | 66 | 27 | 37 | 27 | - | 7 |  | | on request | | | 07810-03-04502 | stainless steel | 1.4305 | 19 | M8x25 | M6 | 45 | 76 | 31 | 41,5 | 28 | 79,4 | 8,5 |  | | on request | | | 07810-03-05002 | stainless steel | 1.4305 | 19 | M8x25 | M6 | 50 | 82 | 34,5 | 43,5 | 29 | 84,2 | 8,5 |  | | on request | |
Other items in this category |
|
|