norelem uses cookies to optimally design and continually improve the website. By continuing to use this website, you agree to the use of cookies. You can find more information about cookies in our Data protection declaration.okay

Item description/product images

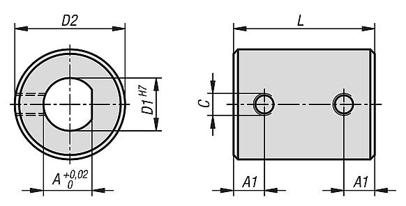
DescriptionMaterial:Aluminium.
Grub screw stainless steel A2.
Version:Bright.Note:Shaft collars together with flat milled shafts can safely transfer very high torques without damaging the shaft.

The shaft tolerance should be within h7.
Special features:
RoHS
DownloadHere is all the information as a PDF datasheet:

Are you looking for CAD data? These can be found directly in the product table.
 Datasheet 07815 Shaft collars wide, for flat-milled shafts 144 kB

Drawings

Shaft collars wide, for flat-milled shafts

Item selection/filter

Order No.A

A1CD1D2LCADAcc.PriceOrder
07815-0545M4x551724 on request
07815-0655M4x561724 on request
07815-1097M5x6102532 on request
07815-12117M5x6122532 on request
07815-16148M6x8163440 on request
07815-18168M6x8183440 on request
07815-222010M6x10224545 on request
07815-252210M8x12255048 on request
My norelemE-mailPassword
Shopping cart
Number of items: 0
Amount: 0.00  
shopping cart
欢迎扫描二维码
咨询诺瑞朗官方客服微信
China
苏ICP备20011289号-1  苏公网安备32058502011222 Sitemap Print Recommended Top
Copyright © 2025 norelem. All rights reserved. Tel. +49 71 45/206-44 to 45 · Fax +49 71 45/206-83