|
|
|
07820Ratchet elements steel or stainless steel |
go back |
|
Item description/product images |
|
|
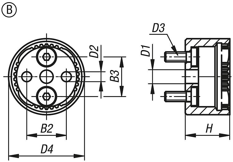
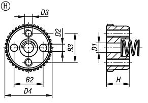
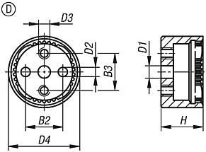
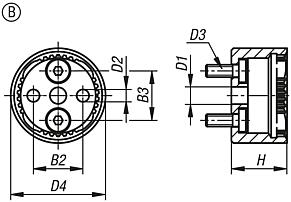
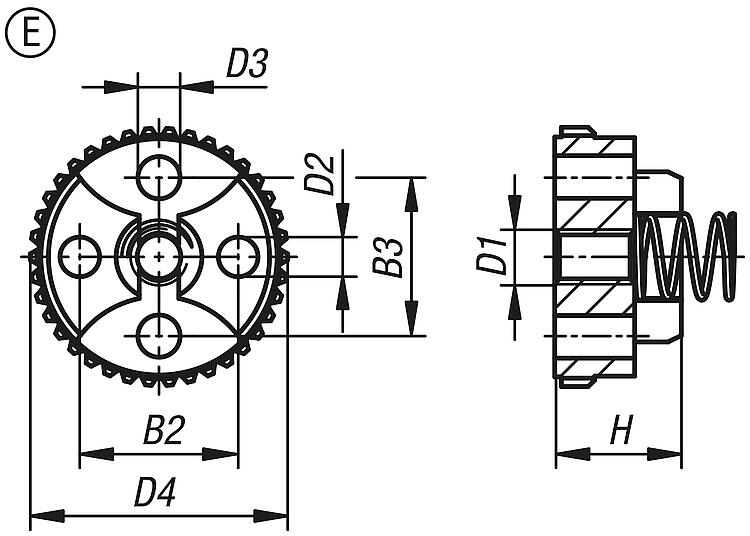
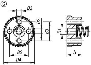
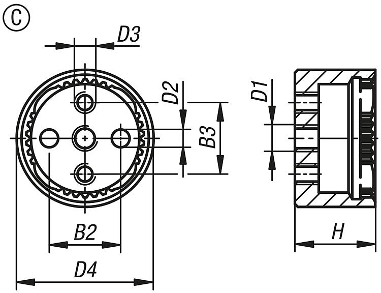
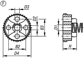
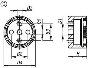
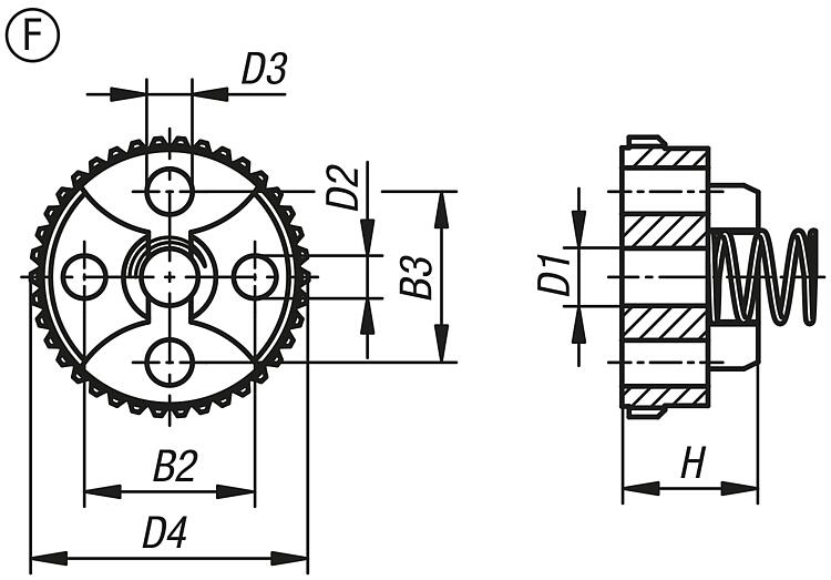
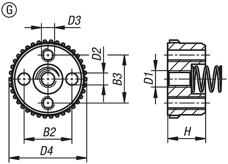
DescriptionProduct description:Ratchet elements are used to connect two components together in any angular position with a positive fit. The ratchet elements with internal toothing (Forms A–D) can be combined with the ratchet elements with external toothing (Forms E–H) in any way depending on the application and installation possibilities. The springs mean that a new angular position can be quickly implemented. Material:Ratchet element steel or stainless steel 1.4305.
Spring stainless steel 1.4310.
Cap screws steel or stainless steel A 2. Version:Ratchet element black oxidised steel or bright stainless steel. Spring bright. Cap screw blackened steel grade 8.8 or bright A2-70 stainless steel.Note for ordering:2 cap screws M3x8 or M5x10 are supplied with the internal toothed ratchet elements Forms A and B. A stainless steel spring is supplied with the external toothed ratchet elements Forms E to H.Note:Use DIN 7984 low headed cap screws for fastening the Form A and B ratchet elements.Function:The ratchet elements are used for rotary adjustment of components. Fastening options can be arranged according to the application.Accessory:DIN 912/DIN EN ISO 4762 cap screws DIN 6912 cap screwsDrawing reference:Form A: internal toothing, centre tapped hole, 2x counterbores for low headed cap screws, 2x reamed holes Form B: internal toothing, centre through bore, 2x counterbores for low headed cap screws, 2x reamed holes Form C: internal toothing, centre tapped hole, 2x tapped holes for fastening, 2x reamed holes Form D: internal toothing, centre through bore, 2x tapped holes for fastening, 2x reamed holes Form E: external toothing, centre tapped hole, 2x counterbores for cap screws, 2x reamed holes Form F: external toothing, centre through bore, 2x counterbores for cap screws, 2x reamed holes Form G: external toothing, centre tapped hole, 2x tapped holes, 2x reamed holes Form H: external toothing, centre through bore, 2x tapped holes, 2x reamed holes
1) disengaged 2) engaged
DownloadHere is all the information as a PDF datasheet:
Are you looking for CAD data? These can be found directly in the product table.
|
Drawings (total overview) |
|
|
|
|
|
| Order No. | Form | Main material | B2 | B3 | drill Ø D1 | D2 | D3 | D4 | H | No. of teeth | CAD | Acc. | Price | Order |
|---|
| 07820-62338 | F | steel | 12 | 12 | 4,2 | 3H8 | 3,2 | 23 | 9,5 | 38 |  | | on request | | | 07820-63346 | F | steel | 18 | 18 | 6,2 | 5H8 | 5,3 | 33 | 13 | 46 |  | | on request | | | 07820-162338 | F | stainless steel | 12 | 12 | 4,2 | 3H8 | 3,2 | 23 | 9,5 | 38 |  | | on request | | | 07820-163346 | F | stainless steel | 18 | 18 | 6,2 | 5H8 | 5,3 | 33 | 13 | 46 |  | | on request | |
|
|
|
Other items in this category |
|
|