|
|
|
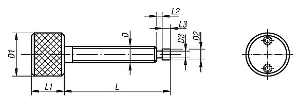
07131Torque screws with slot coupling |
go back |
|
Item description/product images |
|
|
DescriptionMaterial:Steel.Version:Black oxidised.Note:The torque required for the knurled screw is generated by two spring-mounted thrust balls. As soon as the adjustable final pressure is reached, the grip runs free. The final pressure is set using the set screws located in the head.Special features: DownloadHere is all the information as a PDF datasheet:
Are you looking for CAD data? These can be found directly in the product table.
|
Order No. | D | D1 | D2 | D3 | L | L1 | L2 | L3 | F1 N | F2 N | CAD | Acc. | Price | Order |
|---|
| 07131-06 | M6 | 25 | 4,7 | 2,5 | 45 | 20 | 8 | 5 | 40 | 800 |  | | on request | | | 07131-10 | M10 | 25 | 7,7 | 4,5 | 45 | 20 | 8 | 5 | 40 | 550 |  | | on request | |
Other items in this category |
|
|