norelem uses cookies to optimally design and continually improve the website. By continuing to use this website, you agree to the use of cookies. You can find more information about cookies in our Data protection declaration.okay
Shoulder screws flathead for DIN 173 drill bushes
08927

Shoulder screws flathead for DIN 173 drill bushes

go back

Item description/product images

DescriptionMaterial:Steel.Version:Bright, grade 10.9Special features:
RoHS
DownloadHere is all the information as a PDF datasheet:

Are you looking for CAD data? These can be found directly in the product table.
 Datasheet 08927 Shoulder screws flathead for DIN 173 drill bushes 107 kB

Drawings

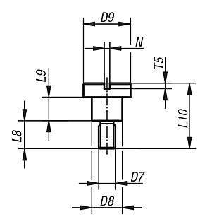
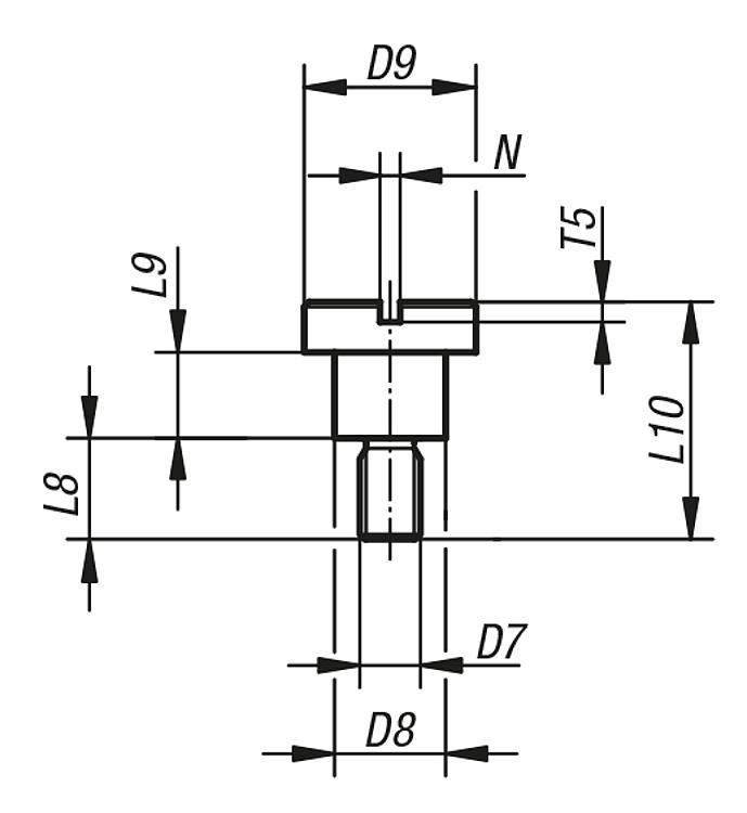
Shoulder screws flathead for DIN 173 drill bushes

Item selection/filter

Order No.Product typeD7for
drill bushes
(D1)
L8L9L10D8D9NT5CADAcc.PriceOrder
08927-05X03shortM5≤6.093157,5131,62 on request
08927-06X04shortM6> 6,0 ≤ 12,0104189,51622,5 on request
08927-08X55shortM8> 12.0 ≤ 30,011,55,52212202,53 on request
08927-05X06longM5≤6.096187,5131,62 on request
08927-06X08longM6> 6,0 ≤ 12,0108229,51622,5 on request
08927-08X105longM8> 12.0 ≤ 30,011,510,52712202,53 on request

Information about this article

DIN 173 flat head screws for replaceable drill bushes

The steel flat head screws are used with DIN 173 replaceable drill bushes with a diameter of up 30 mm. If flat head screw are required for an application, these from norelem will meet all requirements.

Our screws are grade 10.9. They are available in the sizes M5 to M8 making them ideal for mounting drill bushes. The drill bushes can only be correctly mounted with no annoying protruding edges when the correct size of flat head screw is used.

My norelemE-mailPassword
Shopping cart
Number of items: 0
Amount: 0.00  
shopping cart
欢迎扫描二维码
咨询诺瑞朗官方客服微信
China
苏ICP备20011289号-1  苏公网安备32058502011222 Sitemap Print Recommended Top
Copyright © 2025 norelem. All rights reserved. Tel. +49 71 45/206-44 to 45 · Fax +49 71 45/206-83