norelem uses cookies to optimally design and continually improve the website. By continuing to use this website, you agree to the use of cookies. You can find more information about cookies in our Data protection declaration.okay
Magnets deep pot with pin AlNiCo
09063

Magnets deep pot with pin AlNiCo

go back

Item description/product images

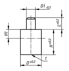
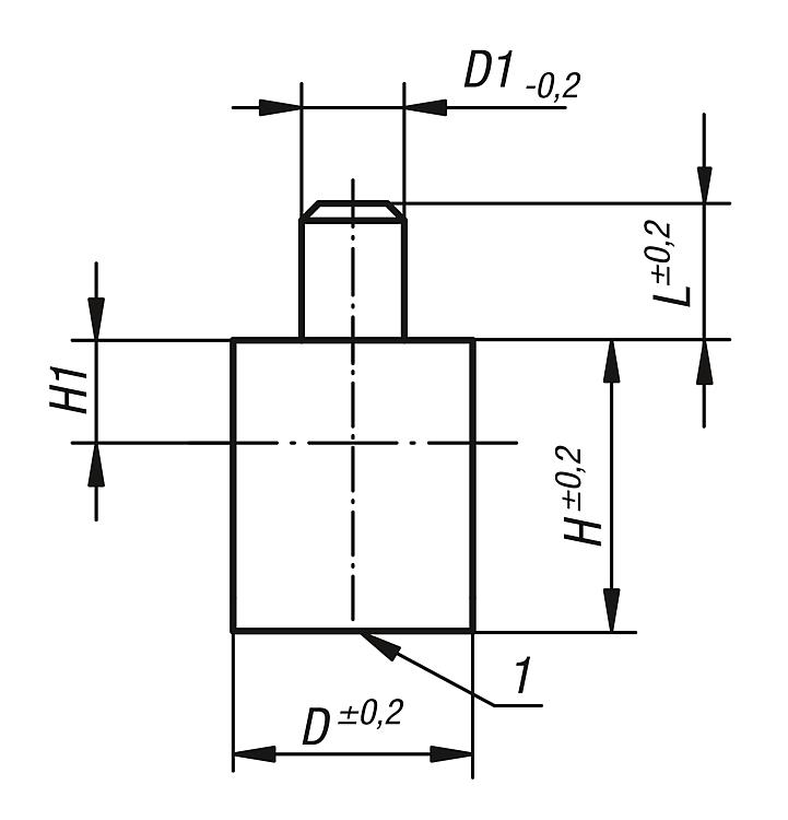
DescriptionMaterial:Housing, steel.
Magnetic core AlNiCo.
Version:Electro zinc-plated.Note:Deep pot magnets with smooth pin, shielded system.
The magnets can be shortened by the dimension “H1” with no loss of magnetic force.
Temperature range:max. 450°C.Drawing reference:
1) magnetic face
Special features:
RoHS
DownloadHere is all the information as a PDF datasheet:

Are you looking for CAD data? These can be found directly in the product table.
 Datasheet 09063 Magnets deep pot with pin AlNiCo 138 kB
 Date tehnice pentru magneți de reținere și bruți 61,5 kB

Drawings

Magnets deep pot with pin AlNiCo

Item selection/filter

Order No.

DD1LHH1Magnetic
force
N
CADAcc.PriceOrder
09063-016382021,7 on request
09063-028382034 on request
09063-0310482068,5 on request
09063-04134820712 on request
09063-05165820520 on request
09063-06206825650 on request
09063-0725810355115 on request
09063-08321010403200 on request
09063-09401520505240 on request
09063-10501825602420 on request
My norelemE-mailPassword
Shopping cart
Number of items: 0
Amount: 0.00  
shopping cart
欢迎扫描二维码
咨询诺瑞朗官方客服微信
China
苏ICP备20011289号-1  苏公网安备32058502011222 Sitemap Print Recommended Top
Copyright © 2025 norelem. All rights reserved. Tel. +49 71 45/206-44 to 45 · Fax +49 71 45/206-83