norelem uses cookies to optimally design and continually improve the website. By continuing to use this website, you agree to the use of cookies. You can find more information about cookies in our
Data protection declaration
.
okay
Locations
Ideas
Conditions of use
Legal notice
Privacy Policy
Products
Company
Service
Download
News
Contact
Product overview
positioning
Flexible standard component system
assembling
Assembly system
moving
Systems / components for machine and plant construction
measuring
Measuring and testing components
clamping
Clamping technology
controlling
Electromechanics
transporting
Material handling and transport
technoshop
norelem inch
Inch parts
01760
Rectangular hollow profiles grey cast iron
go back
Products
Product overview
Flexible standard component system
Subplates Discs Profiles Angle plates Tombstones
Profiles
Rectangular hollow profiles grey cast iron
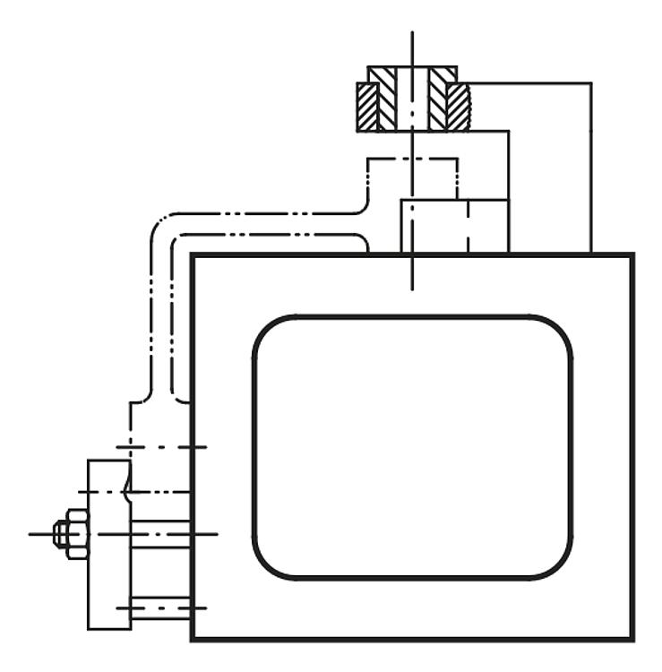
Item description/product images
Description
Material:
GJL 250 annealed.
Note:
The length L is cut by saw and is always supplied overlong.
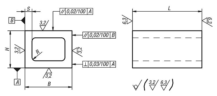
Drawing reference:
machined faces: ±0.25 mm
unmachined faces: ±2 mm
length tolerance:
≤200 mm: +3/+10
>200 mm ≤590 mm: +8/+15
≥600 mm: +20/+50
Special features:
Download
Here is all the information as a PDF datasheet:
Are you looking for CAD data? These can be found directly in the product table.
Datasheet 01760 Rectangular hollow profiles grey cast iron
153 kB
Drawings
Overview of items (compressed)
Item selection/filter
Order No.
L = length
B
H
≈ S
R
Filter
01760-01X
100/200
80
63
12
6
01760-02X
200/400
100
80
16
8
01760-03X
200/300/600
160
100
22
10
01760-04X
200/300/600
200
160
25
16
01760-05X
300/600
250
200
28
20
Other items in this category
<<
|
<
|
1-10
|
11-11
|
>
|
>>
01380
L-profiles
grey cast iron or aluminium
01440
L-profiles unequal
grey cast iron or aluminium
01520
L profile with reinforcing ribs
grey cast iron
01560
H-profiles
grey cast iron or aluminium
01580
T-profiles machined all sides
grey cast iron or aluminium
01640
V-block machined all sides
grey cast iron or aluminium
01660
V-block machined all sides
extra wide, grey cast iron
01680
U-profiles machined all sides
grey cast iron or aluminium
01740
Square hollow profiles
grey cast iron
01780
Angle profiles 60°
grey cast iron
<<
|
<
|
1-10
|
11-11
|
>
|
>>
My norelem
E-mail
Password
Forgotten password?
I'm new to this site
Shopping cart
Number of items:
0
Amount:
0.00
€
shopping cart
欢迎扫描二维码
咨询诺瑞朗官方客服微信
Algérie
Andorra
Argentina
Australia
België
Bolivia
Bosna i Hercegovina
Brasil
Canada
Česká republika
Chile
中国
Colombia
Costa Rica
Cuba
Danmark
Dem. Peop. Rep. of Korea
Deutschland
Ecuador
Eesti
España
Georgia
香港
Hrvatska
India
Ireland
Ísland
Italia
Jamaica
日本
Latvija
Liechtenstein
Lietuvos
Luxemburg
Magyarország
Malaysia
Malta
México
Nederland
New Zealand
Norge
Österreich
Pakistan
Paraguay
Perú
Polska
Portugal
Principauté de Monaco
台灣
Rep. di San Marino
대한민국
România
Schweiz
Singapore
Slovenija
Slovensko
South Africa
Suomi
Sverige
Türkiye
United Kingdom
United States of America
Uruguay
Venezuela
Việt Nam
Ελλάδα
Κύπρος
Беларусь
България
Република Србија
Россия
Србија и Црна Гора
Україна
ישראל
الامارات العربية المتحدة
السعودية
ايران
مصر
ประเทศไทย
Chinese
English
苏ICP备20011289号-1
苏公网安备32058502011222
Sitemap
Print
Recommended
Top
Copyright © 2025 norelem. All rights reserved.
Tel. +49 71 45/206-44 to 45 · Fax +49 71 45/206-83