|
|
|
10448-51Suspension brackets, steel for roller rails |
go back |
|
Item description/product images |
|
|
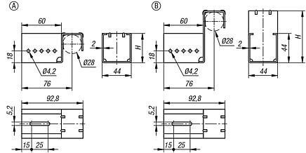
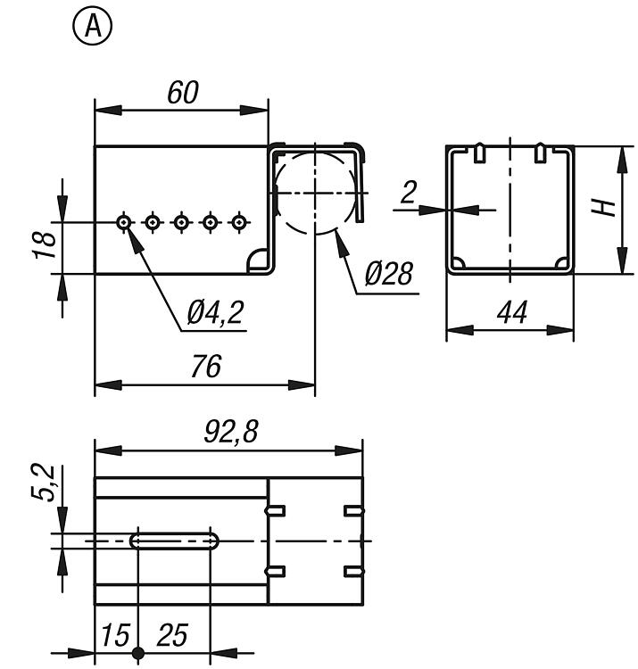
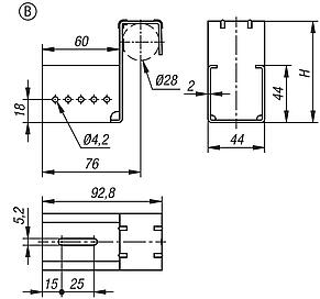
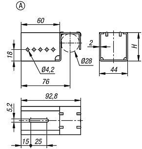
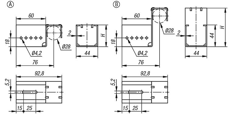
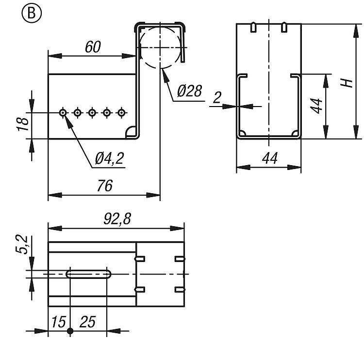
DescriptionMaterial:Steel.Version:Electro zinc-plated.Note:These brackets are used to hang aluminium profiles for roller rails in a round profile.
A mounting set is supplied.Special features: DownloadHere is all the information as a PDF datasheet:
Are you looking for CAD data? These can be found directly in the product table.
|
Drawings (total overview) |
Steel suspension brackets for roller rails, Form A, without stop |
More information |
| Order No. | Form | Version 2 | H | CAD | Acc. | Price | Order |
|---|
| 10448-51-444428 | A | without stop | 44 |  | | on request | |
|
| Order No. | Form | Version 2 | H | CAD | Acc. | Price | Order |
|---|
| 10448-51-447828 | B | with stop | 78,7 |  | | on request | |
|
Other items in this category |
|
|